PRODUCTS
- 首頁
- 產品介紹
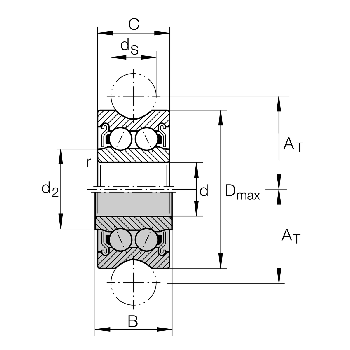
| d | 5 mm | |
| Dmax | 16 mm | |
| B | 8 mm | |
| ≈m | 7.3 g | 重量 |
| AT | 9 mm | |
| C | 7 mm | |
| Da | 14.54 mm | Diameter of rolling |
| ds | 4 mm | |
| rmin | 0.2 mm |
| Cr w | 1,560 N | Effective dynamic load rating as track roller (radial) |
| C0r w | 850 N | Effective static load rating as track roller (radial) |
| Cur w | 43 N | Limit of fatigue load |
| Fr per | 1,700 N | Permissible dynamic limit load |
| F0r per | 1,700 N | Permissible static limit load |
| LFE/LFZ | siehe Katalog: LF1 | Possible roller-pin combination |
| Size code | 50/4 | |
| Seal | 2RS | double-sided sliding seal |
| Coating | RB | rustproof design |
| Code | HLC |