INA
RSTO8-TV
Yoke type track roller RSTO8-TV
加入詢價
主要尺寸與性能資料
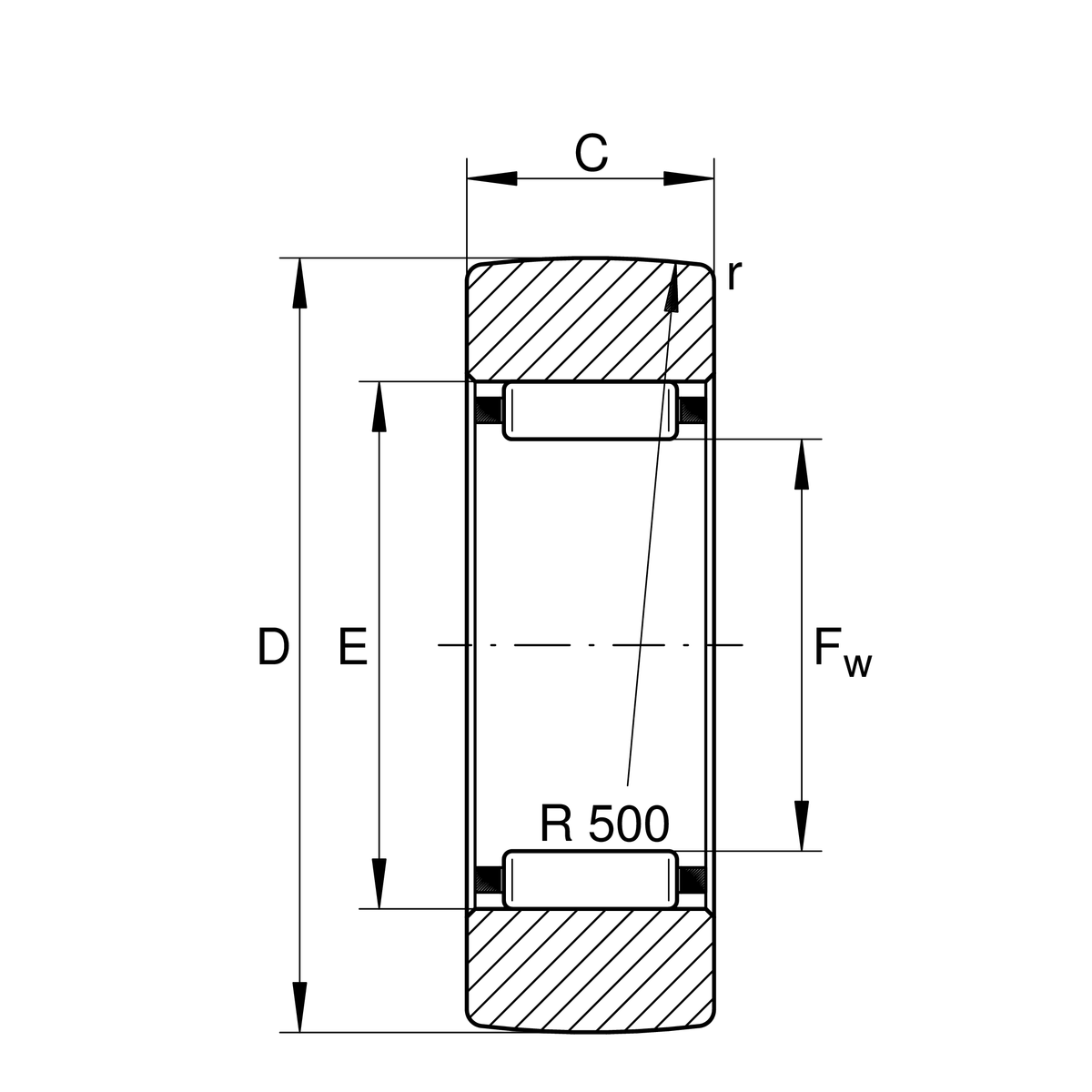
| D | 24 mm | 外徑 |
| Fw | 12 mm | 下輥直徑 |
| C | 9.8 mm | 外圈寬度 |
| Cr w | 4,200 N | 基本額定動載荷,徑向 |
| C0r w | 5,600 N | 基本額定靜態負荷,徑向 |
| Cur w | 800 N | 疲勞負載極限,徑向 |
| nD G | 8,000 1/min | 永久脂潤滑速度 |
| ≈m | 23 g | 重量 |
尺寸
| E | 15 mm | 外圈滾道直徑 |
| rmin | 0.3 mm | 最小倒角尺寸 |
| R | 500 mm | 外圈外輪廓半徑 |
您目前的產品型號
| Sealing | 沒有 | |
| Outer Ring profile | R500 | R500 |
| Cage | TV | PA66 塑膠保持架 |
加入詢價
Yoke type track roller RSTO8-TV
已將您選擇的品項
加入詢價清單
非常感謝您!
選擇更多商品
瀏覽詢價清單