INA
AY12-XL-NPP-B
Radial insert ball bearing AY12-XL-NPP-B
加入詢價
主要尺寸與性能資料
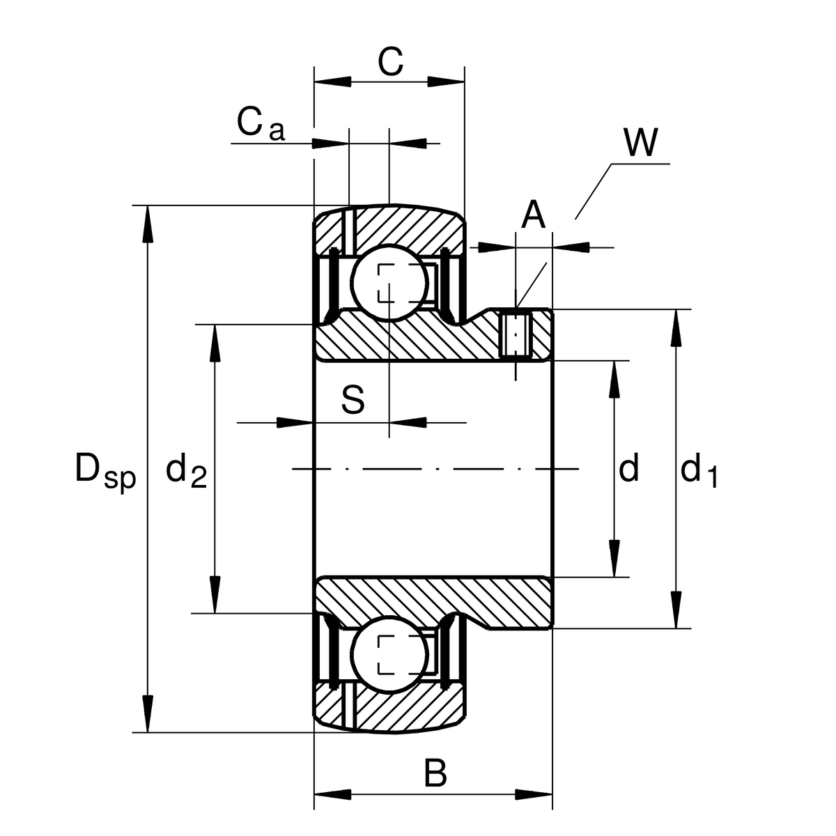
| d | 12 mm | 內徑 |
| DSP | 40 mm | 外徑 |
| B | 22 mm | 寬度 |
| Cur | 202 N | 疲勞負載極限,徑向 |
| Cr | 9,800 N | 基本額定動載荷,徑向 |
| C0r | 4,750 N | 基本額定靜態負荷,徑向 |
| ≈m | 0.1 kg | 重量 |
尺寸
| C | 12 mm | 外圈寬度 |
| S | 6 mm | 滾道距離 |
| d1 | 23.9 mm | 內圈擋邊直徑 |
| d2 | 22.9 mm | 密封內圈擋邊直徑 |
| A | 4 mm | Distance thread |
| W | 2.5 mm | 平面寬度 |
您目前的產品型號
| Sealing | NPP | 兩側唇形密封 |
| Shape of outer surface | B | |
加入詢價
Radial insert ball bearing AY12-XL-NPP-B
已將您選擇的品項
加入詢價清單
非常感謝您!
選擇更多商品
瀏覽詢價清單