PRODUCTS
- 首頁
- 產品介紹
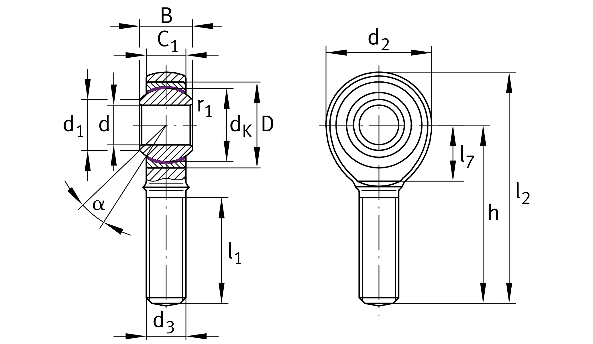
| d2 | 20 mm | 眼外徑 |
| Cr | 7,750 N | 基本額定動載重 |
| C0r | 6,930 N | 基本額定靜載重 |
| d | 6 mm | 內徑 bearing |
| D | 16 mm | 外徑 bearing |
| l2 | 46 mm | 總長度 |
| B | 9 mm | 內圈寬度 |
| ≈m | 22.9 g | 重量 |
| dk | 12.7 mm | 球直徑 |
| d1 | 8.9 mm | 外法蘭直徑 內圈 |
| d3 | M6 | 螺紋尺寸 |
| h | 36 mm | 螺紋長度 |
| C1 | 6.75 mm | 桿端寬度 |
| alpha | 13 ° | 傾斜角度 |
| l1 | 21 mm | 螺紋長度 |
| BUT | -0.12 mm | 內圈寬度 , 較低的公差 |
| BOT | 0 mm | 內圈寬度; 公差上限 |
| dT | H7 | 內徑_bearing_tolerance |
| dUT | 0 mm | 內徑, 較低的公差 |
| dOT | 0.012 mm | 內徑 bearing 公差上限 |
| Gr | 0 - 0,035 | 徑向間隙 |
| Grmax | 0.035 mm | 最大徑向間隙 |
| Grmin | 0 mm | 徑向間隙,最小 |
| Tmin | -50 °C | 最低工作溫度 |
| Tmax | 200 °C | 最高操作溫度 |
| r1s | 0.3 mm | 最小單倒角尺寸,內圈 |
| Sealing | 沒有 | |
| Material sliding Layer | Sliding foil | Sliding foil |