PRODUCTS
- 首頁
- 產品介紹
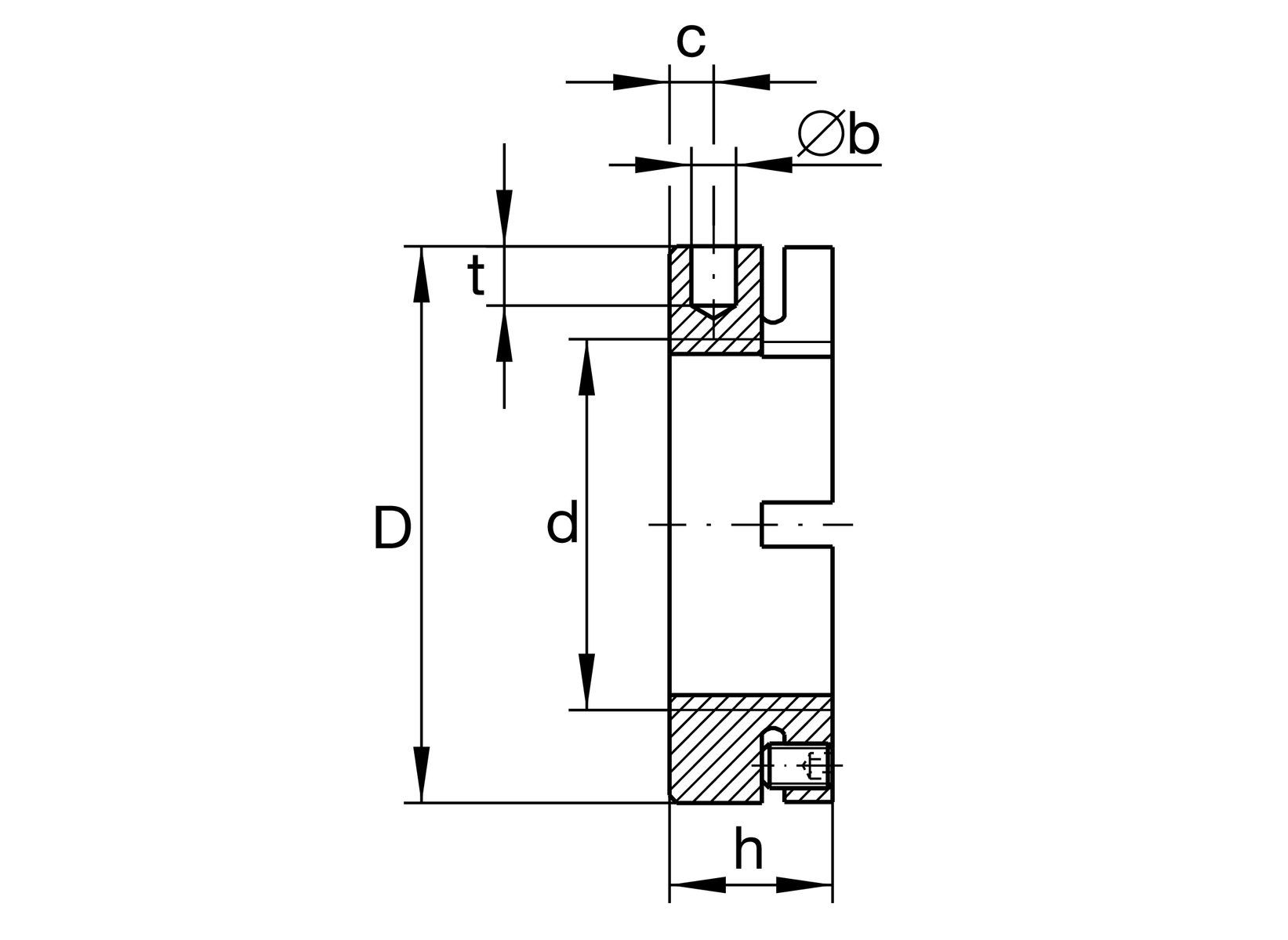
| d | M17X1 | 線 |
| D | 32 mm | 外徑 |
| h | 18 mm | 高度 |
| FaB | 120,000 N | Breaking load, axial |
| ML | 25 Nm | Breakawag |
| MAL | 15 Nm | Mounting torque reference |
| Mm | 0.11 kg*cm2 | 質量慣性矩 |
| ≈m | 60.46 g | 重量 |
| Mm | 3 Nm | Mounting torque set screw |
| b | 4 mm | 內徑 blind hole |
| t | 5 mm | Depth blind hole |
| d1 | 26 mm | Pitch circle diameter 1 (holes) |
| c | 5 mm | Distance bore |
| m | M5 | Threaded - threaded pin |
H11 | 內徑 blind hole 軸承座 fit |