PRODUCTS
- Home
- Product Info
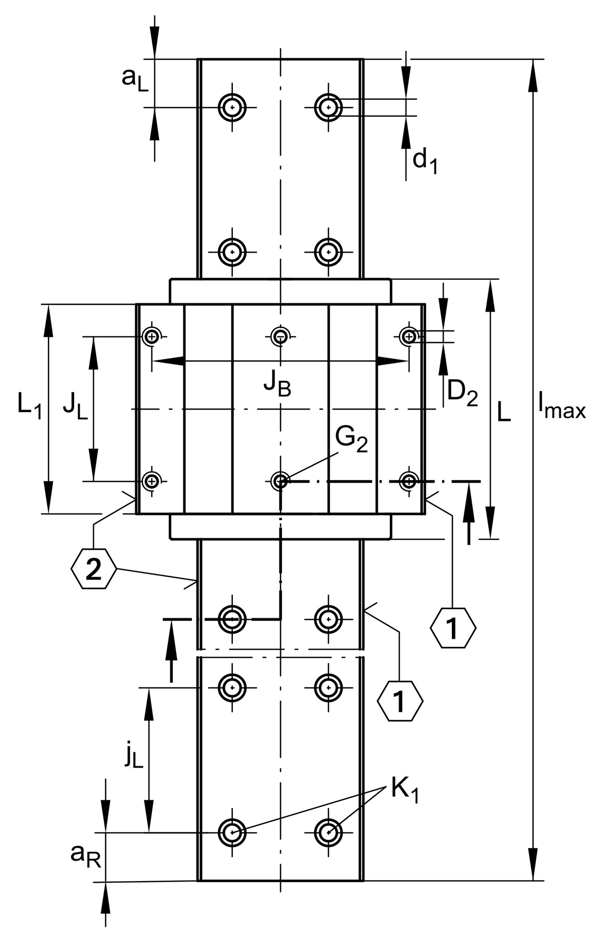
| lmax | 5,860 mm | Max length single piece guideway 1 |
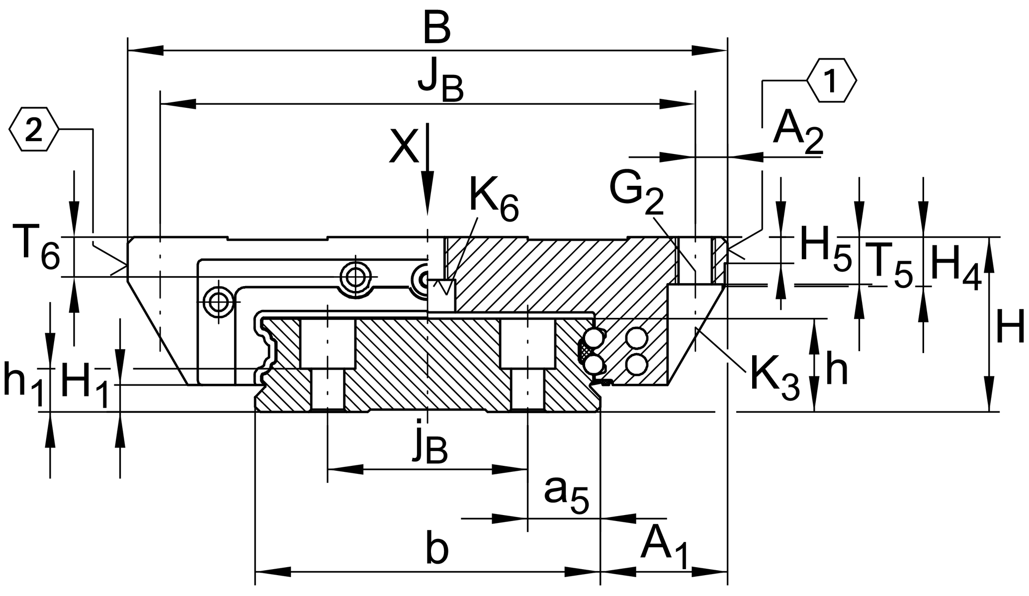
| H | 35 mm | height system |
| B | 120 mm | width carriage |
| L | 81.7 mm | overall length carriage |
| C | 17,900 N | dynamic load rating 2 |
| C0 | 37,000 N | static load rating 2 |
| M0x | 1,470 Nm | static moment rating about X axis |
| M0y | 395 Nm | static moment rating about Y axis |
| M0z | 395 Nm | static moment rating about Z axis |
| A1 | 25.5 mm | |
| JB | 107 mm | |
| jB | 40 mm | |
| b | 69 mm | width rail |
| a5 | 14.5 mm | |
| A2 | 6.5 mm | |
| L1 | 60.7 mm | |
| JL | 45 mm | |
| jL | 80 mm | |
| aL min | 20 mm | 3 |
| aL max | 71 mm | 3 |
| aR min | 20 mm | 3 |
| aR max | 71 mm | 3 |
| H1 | 5.2 mm | |
| H4 | 9.9 mm | |
| H5 | 5 mm | |
| T5 | 10 mm | |
| T6 | 8.5 mm | |
| h | 18.7 mm | |
| h1 | 8.2 mm | |
| G2 | M8 | fixing screws |
| G2 MA | 41 Nm | maximum tightening torque 4 |
| K1 | M6 | fixing screws |
| K1 MA | 17 Nm | maximum tightening torque 4 |
| K3 | M6 | fixing screws |
| K3 MA | 17 Nm | maximum tightening torque 4 |
| K6 | M6 | fixing screws |
| K6 MA | 8 Nm | maximum tightening torque |
| d1 | 6.8 mm | |
| D2 | 6.7 mm | |
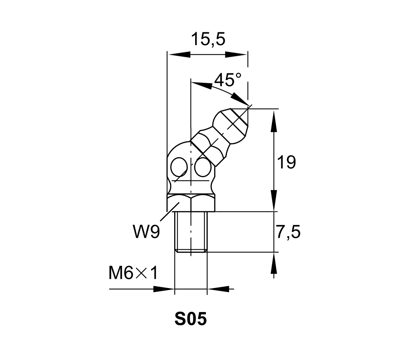
| A3 | 10 mm | |
| G3 | M6 | |
| t G3 | 6 mm | 5 |
KWVE25-W | Carriage | |
TKVD25-W | suitable Guide Rail |
| Size code | 25 | |
| Carriage design | W | Wide carriage and wide guideway |