PRODUCTS


FAG
52232-MP
Axial deep groove ball bearing 52232-MP
Add item
Main Dimensions & Performance Data
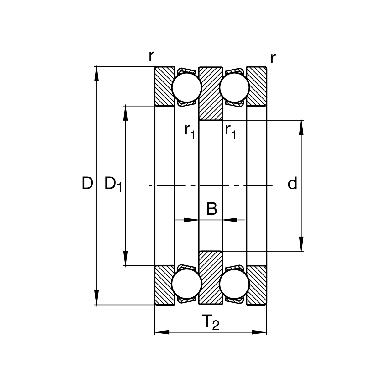
d
140 mm
Inner diameter shaft washer
D
225 mm
Outer diameter housing washer
T2
90 mm
Height
Ca
240,000 N
Basic dynamic load rating, axial
C0a
770,000 N
Basic static load rating, axial
Cua
25,500 N
Fatigue load limit, axial
nG
1,900 1/min
Limiting speed
nϑr
2,400 1/min
Reference speed
≈m
12.253 kg
Weight

Mounting dimensions
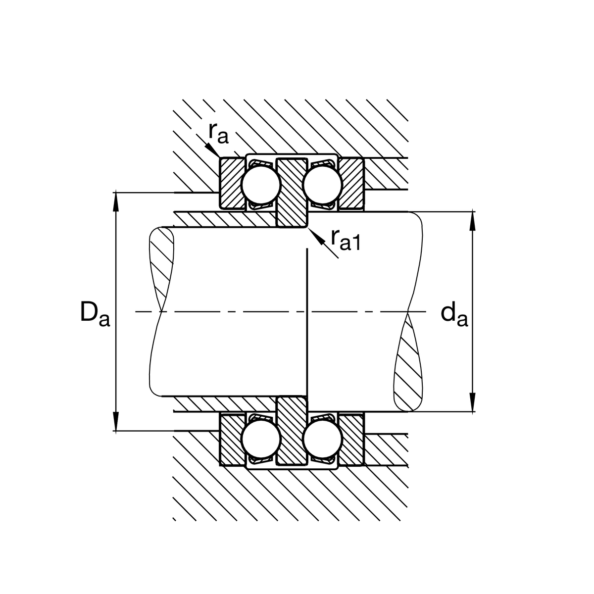
da max
160 mm
Maximum diameter shaft shoulder
Da max
186 mm
Maximum diameter of housing shoulder
ra max
1.5 mm
Maximum filled radius
ra1 max
1 mm
Maximum filled radius

Dimensions
D1
163 mm
Inner diameter housing washer
B
20 mm
Height shaft washer
rmin
1.5 mm
Minimum chamfer dimension
r1 min
1.1 mm
Minimum chamfer dimension

Temperature range
Tmin
-30 °C
Operating temperature min.
Tmax
150 °C
Operating temperature max.

Calculation factors
A
3.2
Minimum load factor

Your current product variant
CageMPsolid brass cage, rolling element guided
Tolerance classPNNormal (PN)
Add item