PRODUCTS


FAG
52230-MP
Axial deep groove ball bearing 52230-MP
Add item
Main Dimensions & Performance Data
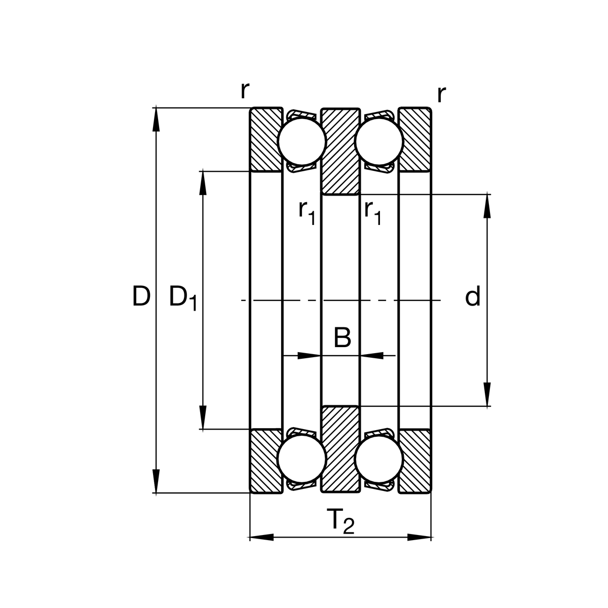
d
130 mm
Inner diameter shaft washer
D
215 mm
Outer diameter housing washer
T2
89 mm
Height
Ca
236,000 N
Basic dynamic load rating, axial
C0a
730,000 N
Basic static load rating, axial
Cua
24,900 N
Fatigue load limit, axial
nG
1,950 1/min
Limiting speed
nϑr
2,550 1/min
Reference speed
≈m
11.463 kg
Weight

Mounting dimensions
da max
150 mm
Maximum diameter shaft shoulder
Da max
176 mm
Maximum diameter of housing shoulder
ra max
1.5 mm
Maximum filled radius
ra1 max
1 mm
Maximum filled radius

Dimensions
D1
153 mm
Inner diameter housing washer
B
20 mm
Height shaft washer
rmin
1.5 mm
Minimum chamfer dimension
r1 min
1.1 mm
Minimum chamfer dimension

Temperature range
Tmin
-30 °C
Operating temperature min.
Tmax
150 °C
Operating temperature max.

Calculation factors
A
2.9
Minimum load factor

Your current product variant
CageMPsolid brass cage, rolling element guided
Tolerance classPNNormal (PN)
Add item