PRODUCTS
- Home
- Product Info
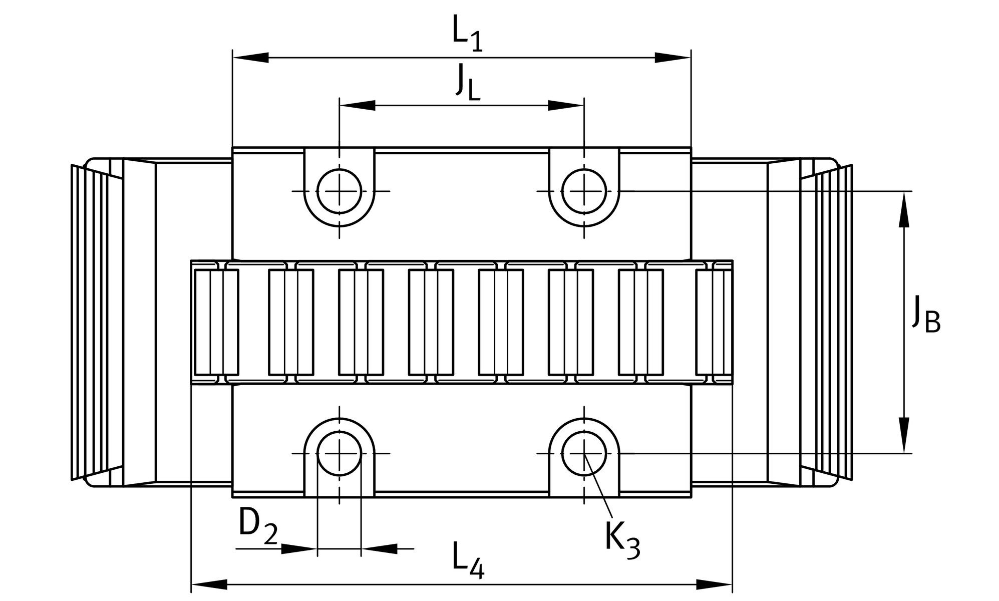
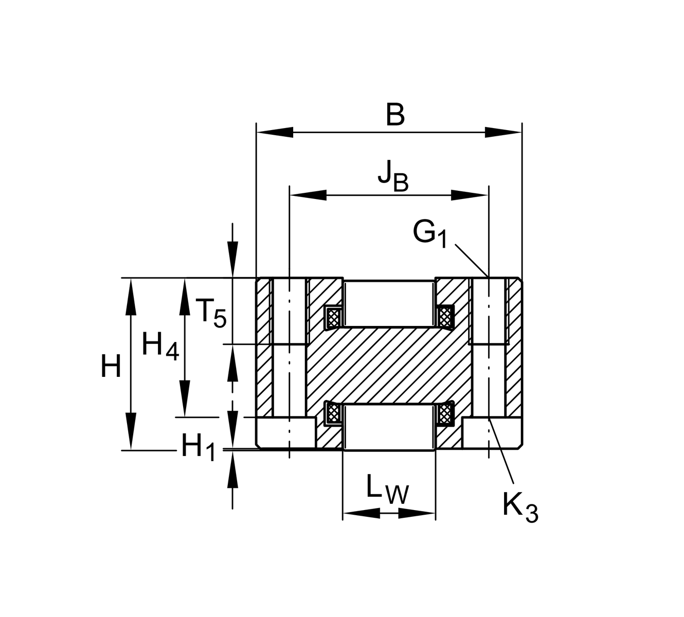
| Ltot | 130 mm | total length |
| L | 126.5 mm | |
| B | 40 mm | Width |
| H | 26 mm | Height |
| C | 122,000 N | Basic dynamic load rating |
| C0 | 209,000 N | Basic static load rating |
| ≈m | 0.74 kg | Weight |
| L1 | 93 mm | Mounting dimension |
| JB | 30 mm | Mounting dimension |
| JL | 68 mm | |
| H1 | 0.2 mm | |
| L4 | 103 mm | minimum support length 1 |
| LW | 14 mm | |
| H4 | 21 mm | |
| T5 | 10.2 mm | |
| G1 | M6 | fixing screws top (DIN ISO 4762-12.9) |
| G1 MA | 17 Nm | Tightening torrque fixing screws |
| K3 | M4 | fixing screws below (DIN ISO 4762-12.9) |
| K3 MA max | 5 Nm | Tightening torque fixing screws 2 |
| D2 | 4.9 mm | |
6 mm |
VUS26126-A | Adjustment gib | |
UG9741, UGN9741-A, UZ9741, UZN9741-A, UFK4710, UFB6412 | suitable Guide rail |
| Size code | 26126 |