PRODUCTS


FAG
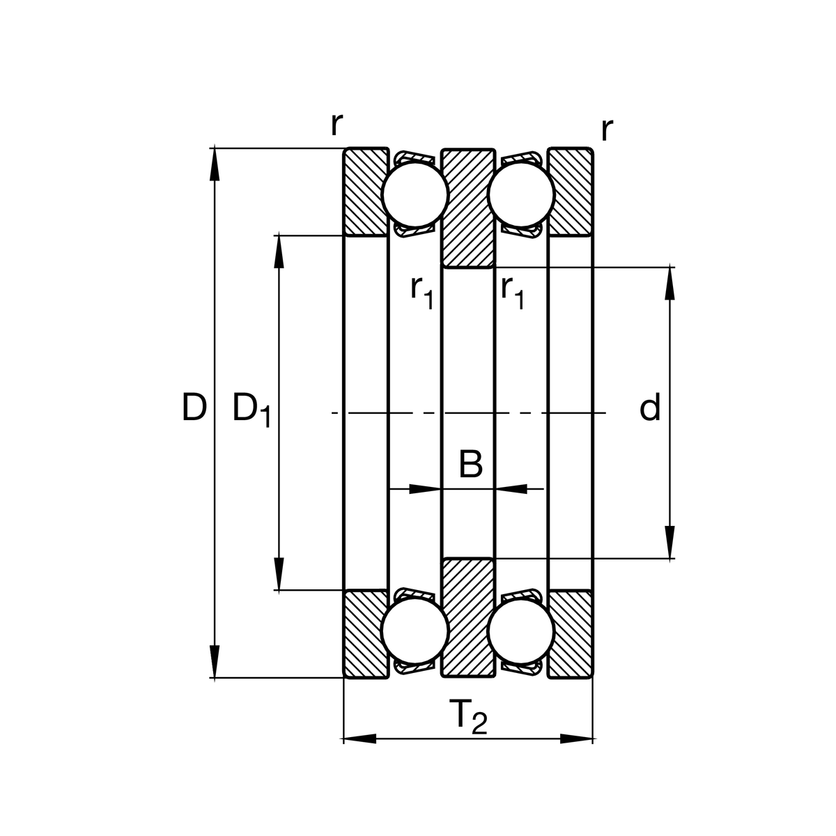
52317
Axial deep groove ball bearing 52317
Add item
Main Dimensions & Performance Data
d
70 mm
Inner diameter shaft washer
D
150 mm
Outer diameter housing washer
T2
87 mm
Height
Ca
186,000 N
Basic dynamic load rating, axial
C0a
420,000 N
Basic static load rating, axial
Cua
17,700 N
Fatigue load limit, axial
nG
2,260 1/min
Limiting speed
nϑr
4,150 1/min
Reference speed
≈m
6.202 kg
Weight

Mounting dimensions
da max
85 mm
Maximum diameter shaft shoulder
Da max
111 mm
Maximum diameter of housing shoulder
ra max
1.5 mm
Maximum filled radius
ra1 max
1 mm
Maximum filled radius

Dimensions
D1
88 mm
Inner diameter housing washer
B
19 mm
Height shaft washer
rmin
1.5 mm
Minimum chamfer dimension
r1 min
1 mm
Minimum chamfer dimension

Temperature range
Tmin
-30 °C
Operating temperature min.
Tmax
150 °C
Operating temperature max.

Calculation factors
A
1.1
Minimum load factor

Your current product variant
CageJPsteel sheet metal
Tolerance classPNNormal (PN)
Add item