PRODUCTS


FAG
52316
Axial deep groove ball bearing 52316
Add item
Main Dimensions & Performance Data
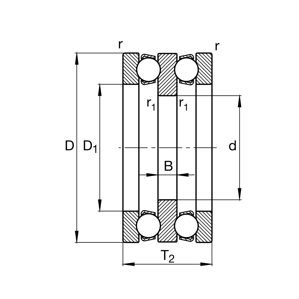
d
65 mm
Inner diameter shaft washer
D
140 mm
Outer diameter housing washer
T2
79 mm
Height
Ca
160,000 N
Basic dynamic load rating, axial
C0a
360,000 N
Basic static load rating, axial
Cua
15,500 N
Fatigue load limit, axial
nG
2,460 1/min
Limiting speed
nϑr
4,350 1/min
Reference speed
≈m
4.688 kg
Weight

Mounting dimensions
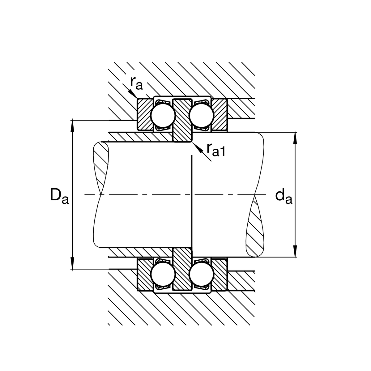
da max
80 mm
Maximum diameter shaft shoulder
Da max
104 mm
Maximum diameter of housing shoulder
ra max
1.5 mm
Maximum filled radius
ra1 max
1 mm
Maximum filled radius

Dimensions
D1
82 mm
Inner diameter housing washer
B
18 mm
Height shaft washer
rmin
1.5 mm
Minimum chamfer dimension
r1 min
1 mm
Minimum chamfer dimension

Temperature range
Tmin
-30 °C
Operating temperature min.
Tmax
150 °C
Operating temperature max.

Calculation factors
A
0.79
Minimum load factor

Your current product variant
CageJPsteel sheet metal
Tolerance classPNNormal (PN)
Add item