PRODUCTS


INA
RSL182216-A
Cylindrical roller bearing RSL182216-A
Add item
Main Dimensions & Performance Data
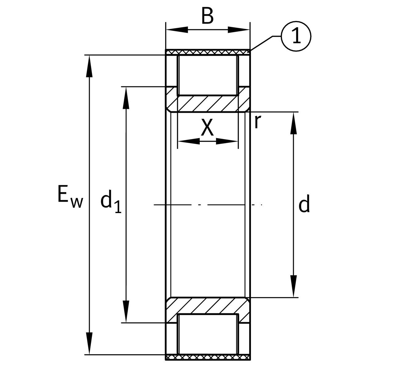
d
80 mm
Bore diameter
Ew
125.81 mm
Outer envelope circle
B
33 mm
Width
Cr
223,000 N
Basic dynamic load rating, radial
C0r
280,000 N
Basic static load rating, radial
Cur
41,500 N
Fatigue load limit, radial
nG
3,000 1/min
Limiting speed
≈m
1.315 kg
Weight

Mounting dimensions
da min
98.5 mm
Minimum diameter shaft shoulder
X
24 mm
raceway width

Dimensions
rmin
2 mm
Minimum chamfer dimension
d1
98.5 mm
Maximum rib diameter inner ring
TK
108.81 mm
pitch circle

Temperature range
Tmin
-30 °C
Operating temperature min.
Tmax
120 °C
Operating temperature max.

Your current product variant
DesignAInternal Variant Cage A
Tolerance classPNNormal (PN)
Number of rolling element rows1Single-row design
Add item