PRODUCTS


INA
RSL182215-XL-RV
Cylindrical roller bearing RSL182215-XL-RV
Add item
Main Dimensions & Performance Data
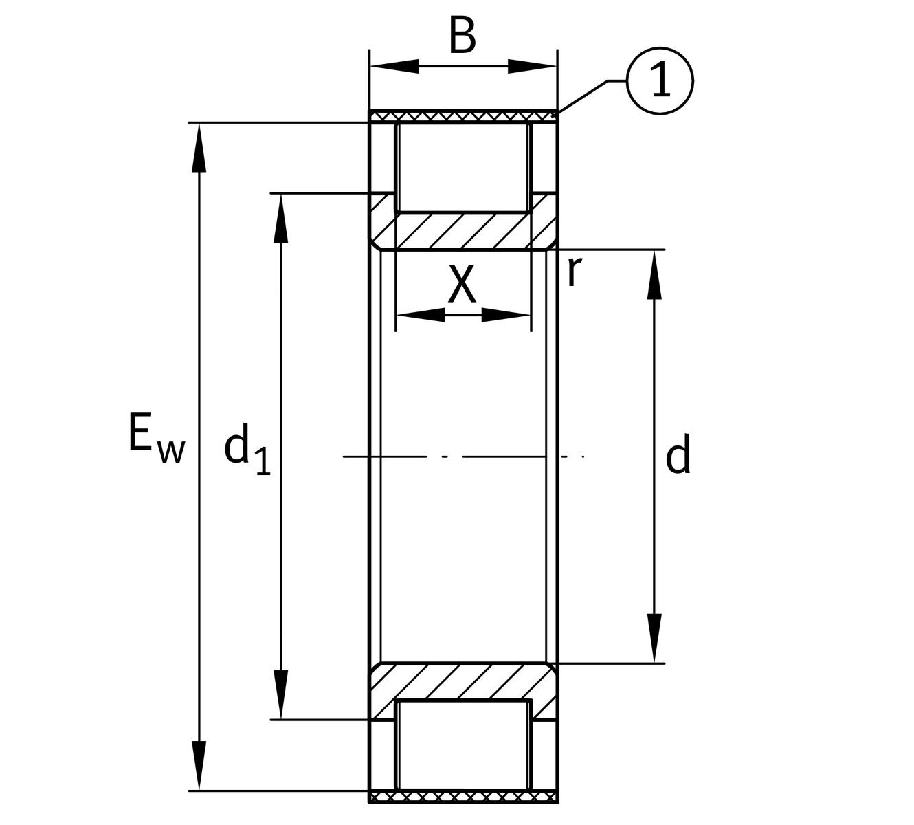
d
75 mm
Bore diameter
Ew
115.78 mm
Outer envelope circle
B
31 mm
Width
Cr
212,000 N
Basic dynamic load rating, radial
C0r
236,000 N
Basic static load rating, radial
Cur
44,500 N
Fatigue load limit, radial
nG
3,250 1/min
Limiting speed
≈m
1.03 kg
Weight

Mounting dimensions
da min
91.8 mm
Minimum diameter shaft shoulder
X
22 mm
raceway width

Dimensions
rmin
1.5 mm
Minimum chamfer dimension
d1
91.8 mm
Maximum rib diameter inner ring
TK
100.78 mm
pitch circle
RV
4,00
edge radius

Temperature range
Tmin
-30 °C
Operating temperature min.
Tmax
120 °C
Operating temperature max.

Your current product variant
Design variantRVwith edge radius
Number of rolling element rows1Single-row design
Add item