PRODUCTS
- Home
- Product Info
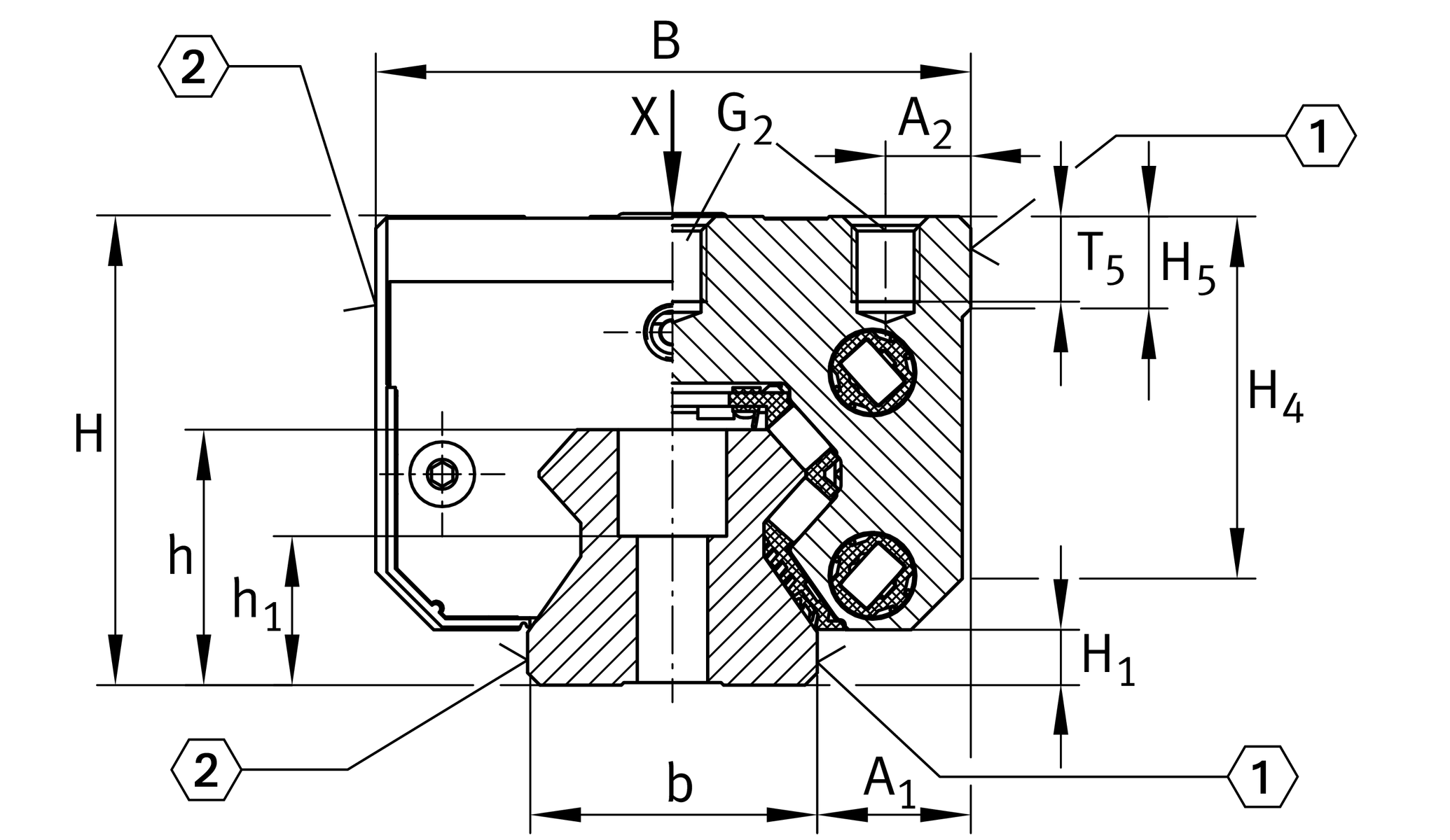
| H | 100 mm | height system |
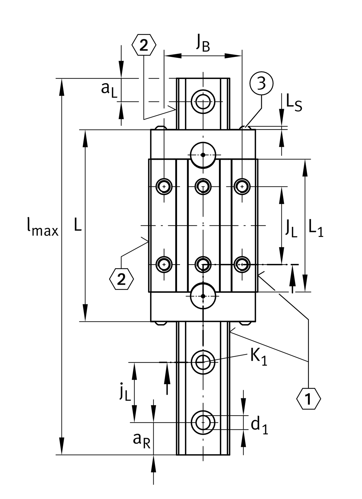
| B | 126 mm | width carriage |
| L | 195.5 mm | overall length carriage 1 |
| C | 200,000 N | dynamic load rating 2 |
| C0 | 440,000 N | dynamic load rating 2 |
| M0x | 5,450 Nm | static moment rating about X axis |
| M0y | 12,100 Nm | static moment rating about Y axis |
| M0Z | 10,900 Nm | static moment rating about Z axis |
| ≈m | 8.9 kg | Weight |
| A1 | 31.5 mm | |
| JB | 76 mm | |
| b | 63 mm | width rail |
| A2 | 25 mm | |
| L1 | 141.2 mm | |
| LS | 2.75 mm | |
| JL | 70 mm | |
| H1 | 11.5 mm | |
| H4 | 71.2 mm | |
| H5 | 15 mm | |
| T5 | 20 mm | |
| G2 | M14 | fixing screws below (DIN ISO 4762-12.9) |
| G2 MA | 220 Nm | maximum tightening torque 3 |
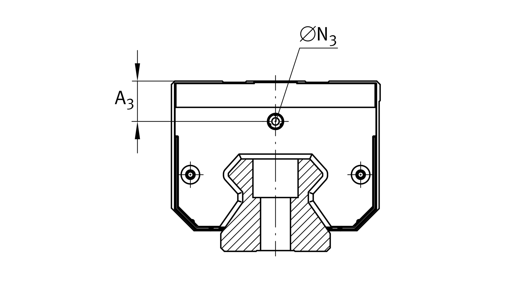
| A3 | 29.6 mm | position lubrication connector |
| N3 | M6 | lubrication connector |
| t N3 | 6 mm | maximum permissible screw depth for lubrication connectors |
| A4 | 29.6 mm | position lubrication connector |
| N4 | 6 mm | lubrication connector |
| t N4 | 6 mm | maximum permissible screw depth for lubrication connectors |
| JL6 | 54.8 mm | position lubrication connector |
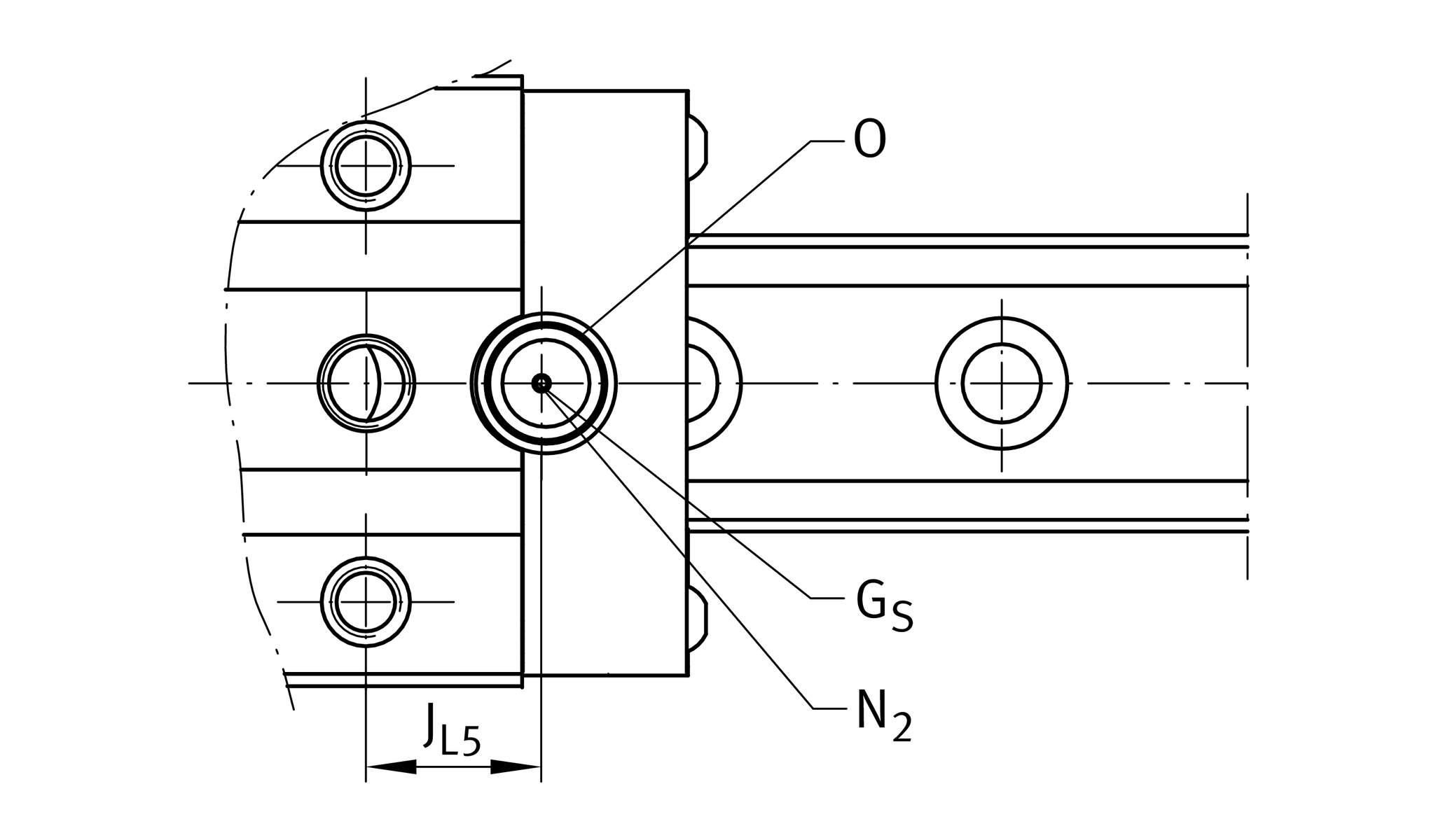
| N2 | 6 mm | max. diameter of lubrication hole in adjacent construction 4 |
| JL5 | 35.6 mm | position lubrication connector 5 |
| GS | M4x4 | |
| O | 18x1,5 | O-Ring DIN 3771 |
| Size code | 65 | |
| Version | F | version |
| Carriage design | H | High carriage |