PRODUCTS
- Home
- Product Info
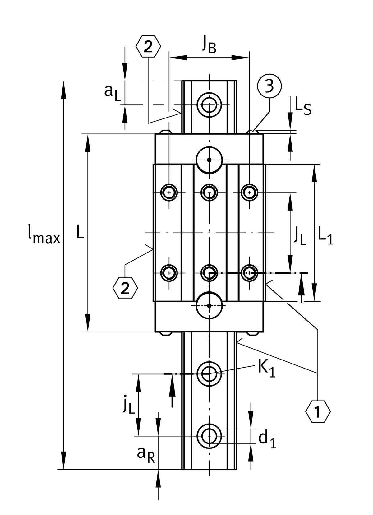
| H | 70 mm | height system |
| B | 86 mm | width carriage |
| L | 145.9 mm | overall length carriage 1 |
| C | 92,000 N | dynamic load rating 2 |
| C0 | 215,000 N | dynamic load rating 2 |
| M0x | 1,899 Nm | static moment rating about X axis |
| M0y | 4,255 Nm | static moment rating about Y axis |
| M0Z | 3,821 Nm | static moment rating about Z axis |
| ≈m | 3.05 kg | Weight |
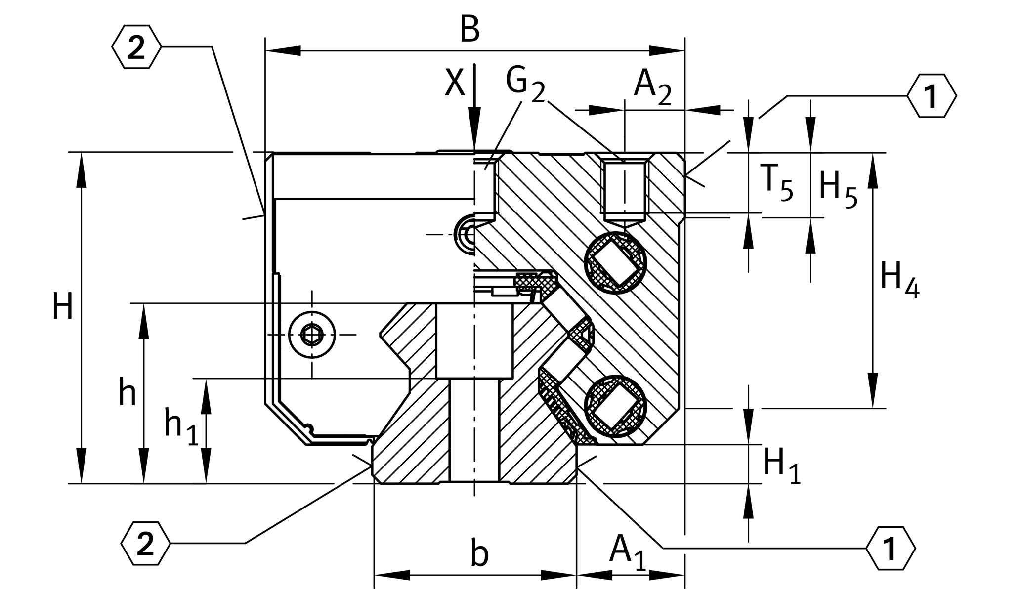
| A1 | 20.5 mm | |
| JB | 60 mm | |
| b | 45 mm | width rail |
| A2 | 13 mm | |
| L1 | 104.2 mm | |
| LS | 2.2 mm | |
| JL | 60 mm | |
| H1 | 8.5 mm | |
| H4 | 52.4 mm | |
| H5 | 13.7 mm | |
| T5 | 12.5 mm | |
| G2 | M10 | fixing screws below (DIN ISO 4762-12.9) |
| G2 MA | 83 Nm | maximum tightening torque 3 |
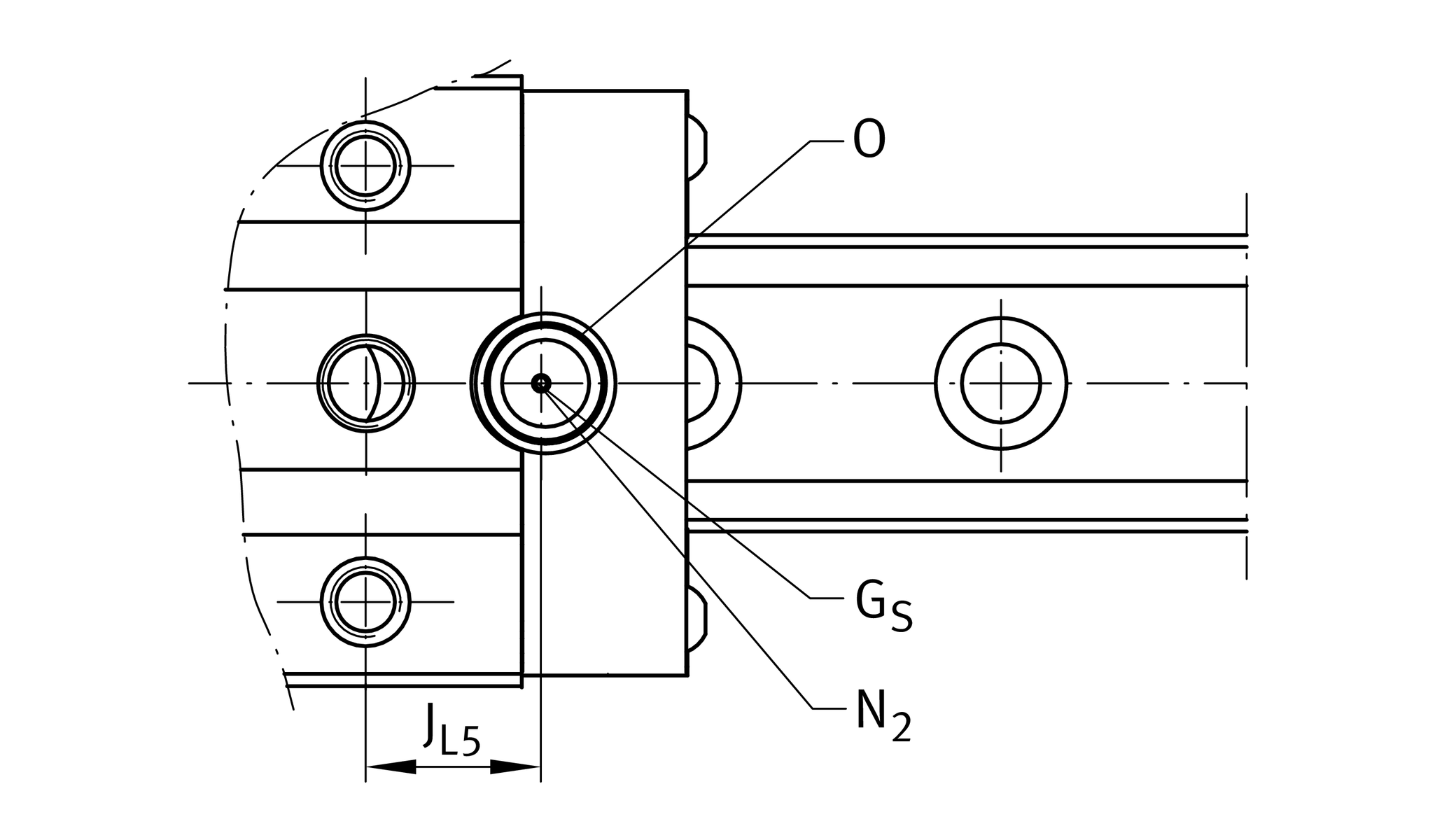
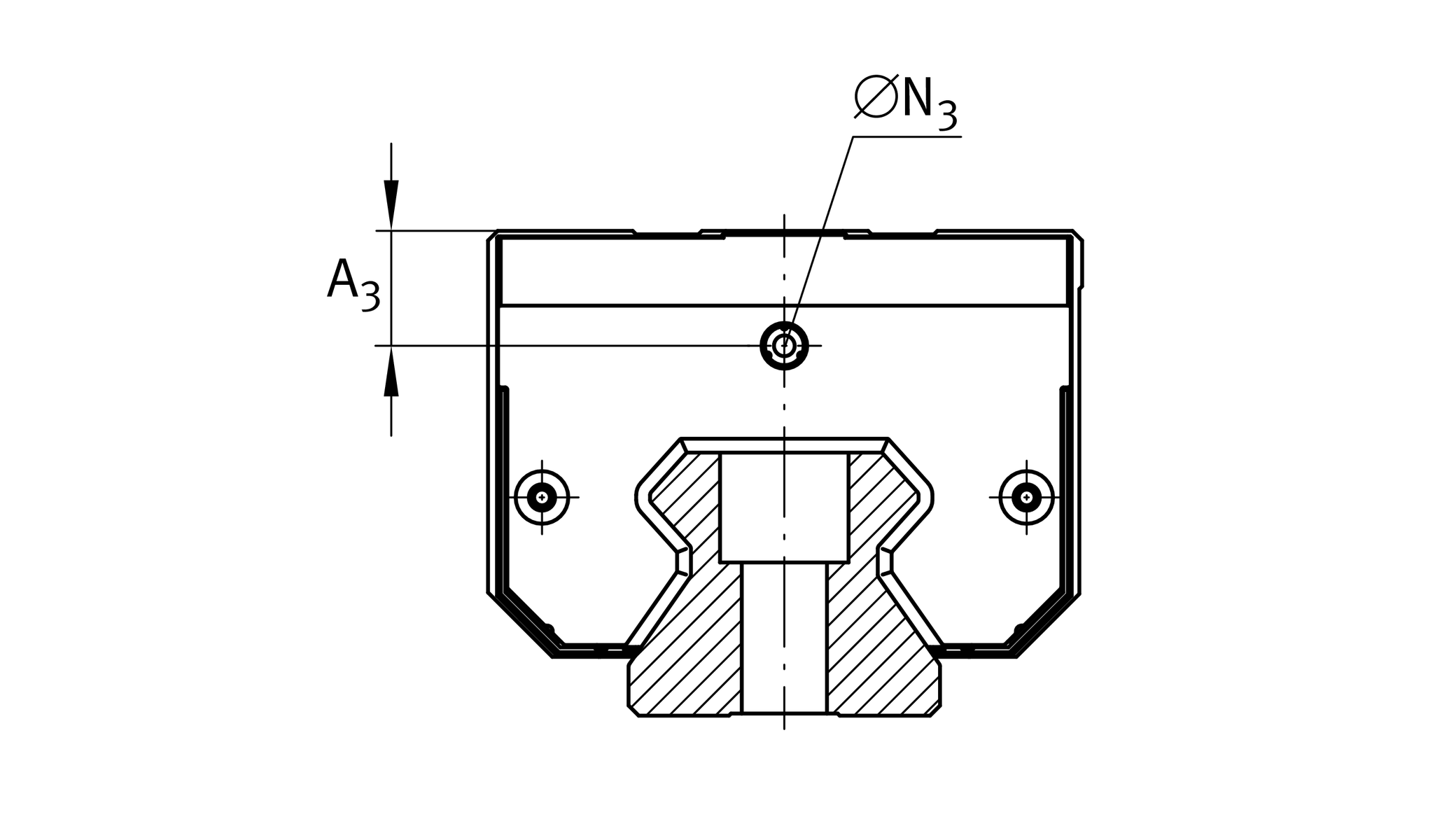
| A3 | 16.6 mm | position lubrication connector |
| N3 | M6 | lubrication connector |
| t N3 | 6 mm | maximum permissible screw depth for lubrication connectors |
| A4 | 16.6 mm | position lubrication connector |
| N4 | 6 mm | lubrication connector |
| t N4 | 6 mm | maximum permissible screw depth for lubrication connectors |
| JL6 | 37 mm | position lubrication connector |
| N2 | 6 mm | max. diameter of lubrication hole in adjacent construction 4 |
| JL5 | 25.7 mm | position lubrication connector 5 |
| GS | M4x4 | |
| O | 10x1,5 | O-Ring DIN 3771 |
| Size code | 45 | |
| Version | F | version |
| Carriage design | H | High carriage |