PRODUCTS
- Home
- Giới thiệu sản phẩm
| B1 | 230 mm | Total Width |
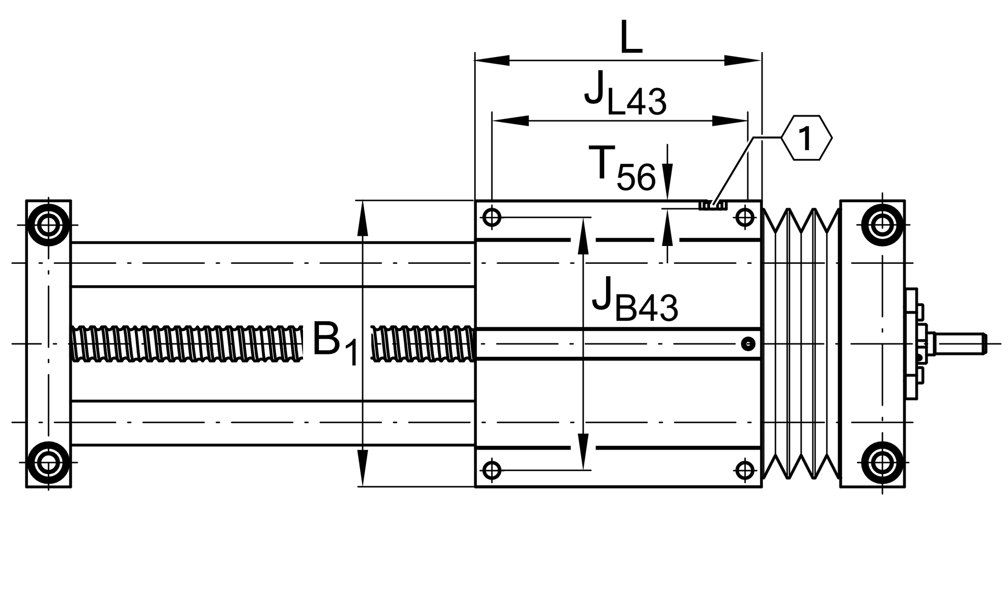
| L | 230 mm | Length of Carriage |
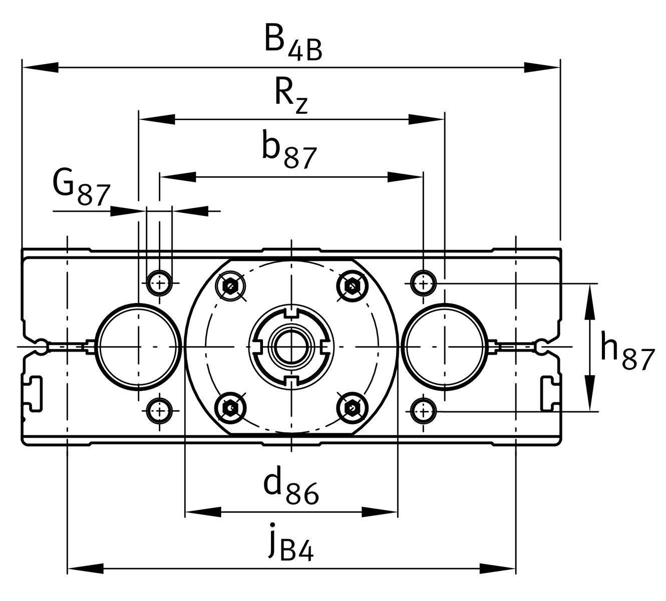
| B4B | 230 mm | Width of Shaft Support Blocks |
| b87 | 68 mm | Tolerance ±0,2 |
| d85 | 16 mm | Tolerance h7 1 |
| d86 | 72 mm | Tolerance g7 |
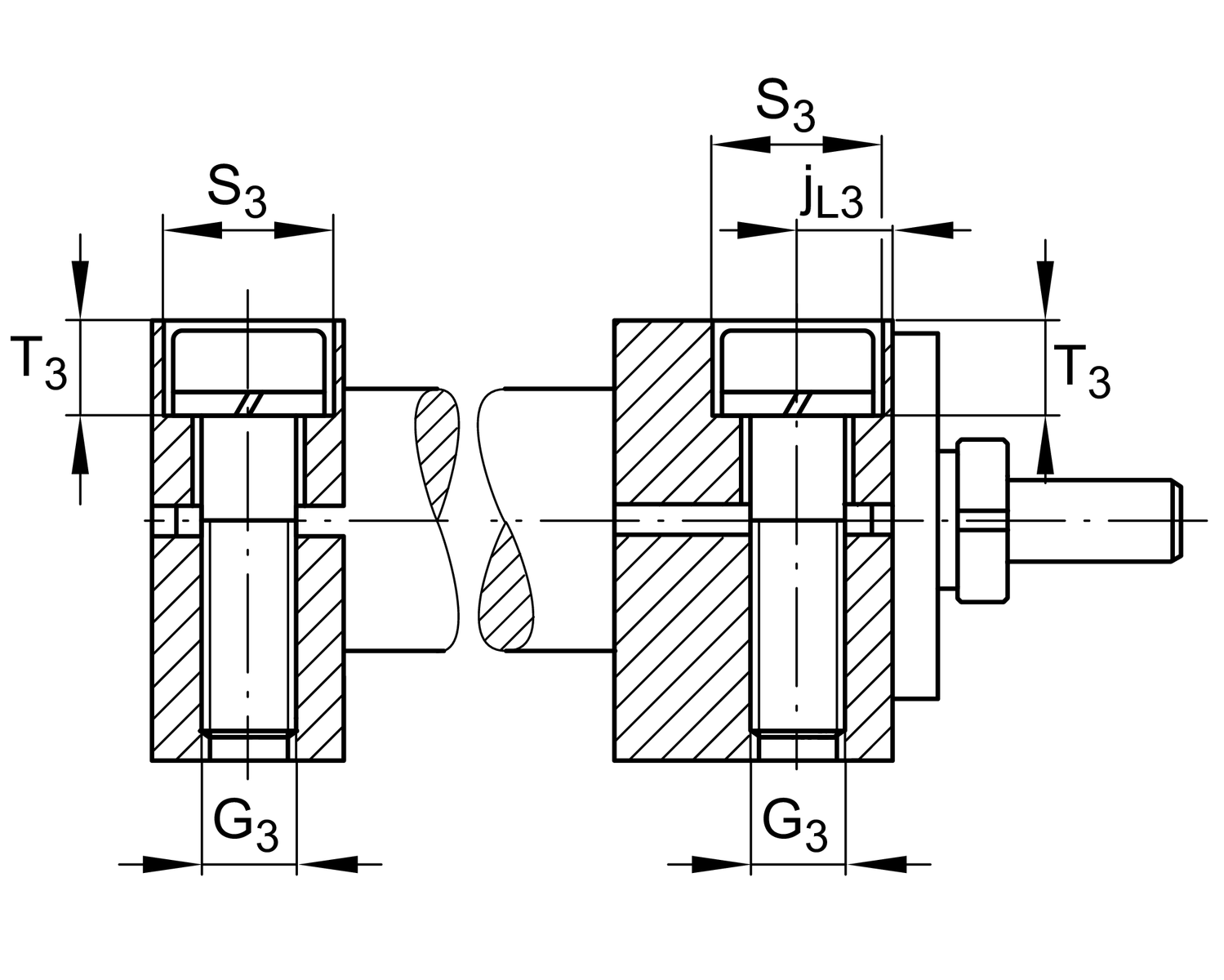
| G3 | M16 | Thread |
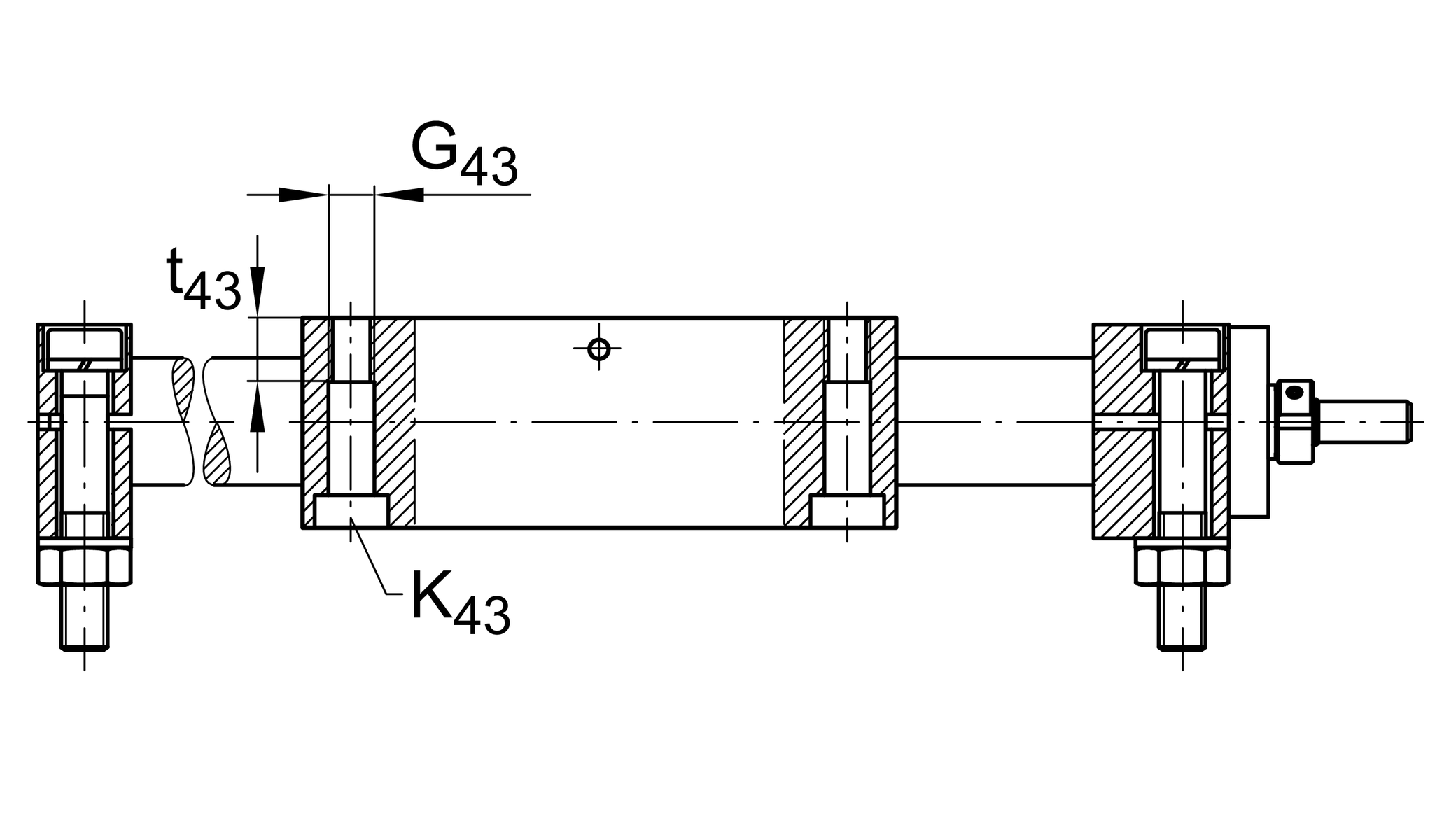
| G43 | M16 | Thread |
| G87 | M8x18 | Thread |
| h85 | 44 mm | |
| h87 | 56 mm | Tolerance ±0,2 |
| JB43 | 202 mm | |
| JL43 | 202 mm | |
| jB4 | 190 mm | |
| jL3 | 15 mm | |
| K43 | M12 | Thread |
| L85 | 23 mm | |
| L86 | 9 mm | |
| L88 | 46 mm | |
| S3 | 26 mm | |
| T3 | 14.5 mm | |
| t43 | 34 mm | Depth of Thread |
| BB | 22 mm | Length of Bellows Fastener |
| FBL | 1.28 | Effective length factor of bellow |
| H1 | 80 mm | Height of Carriage |
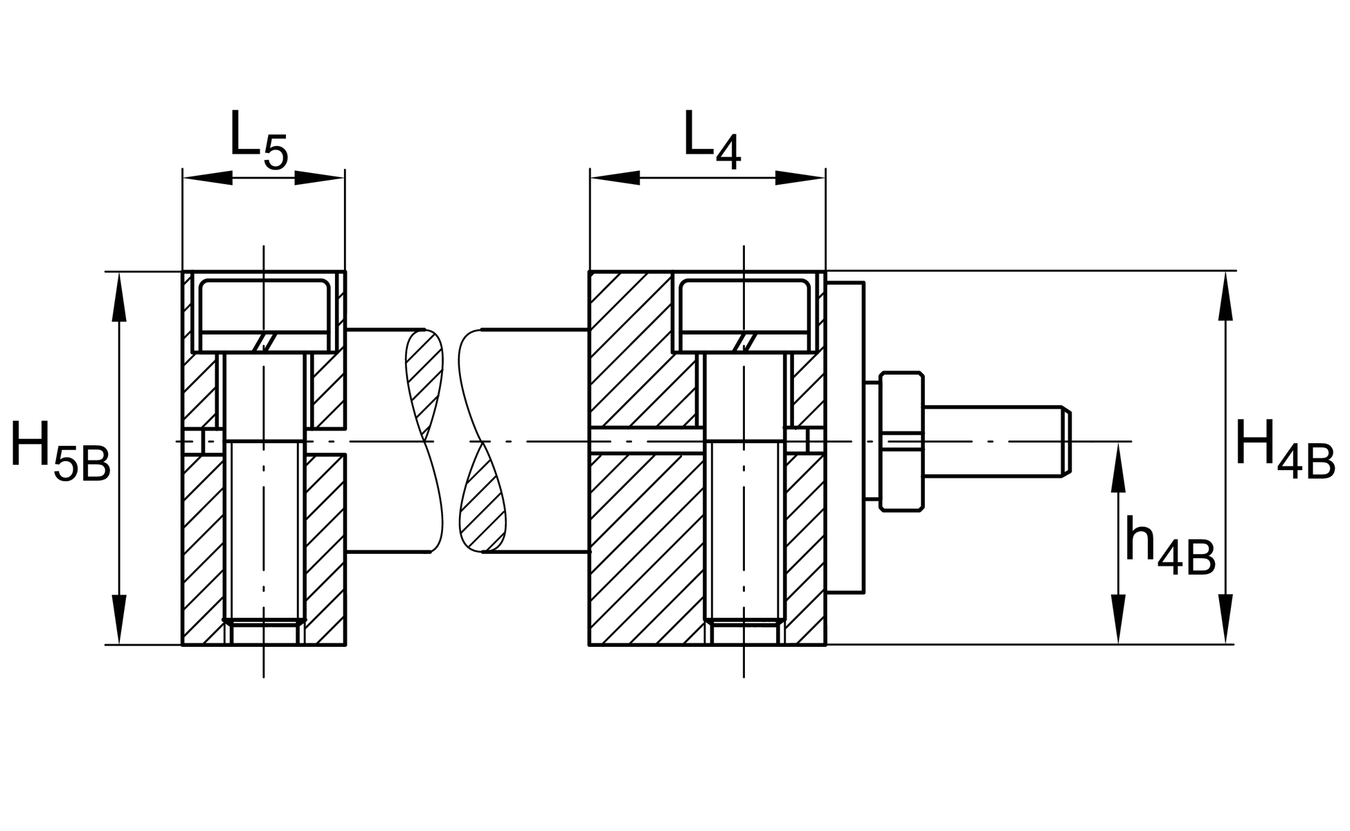
| H4B | 72 mm | Height of Shaft Support Blocks |
| H5B | 72 mm | Height of Shaft Support Blocks |
| h1 | 40 mm | |
| h4B | 36 mm | |
| h5B | 36 mm | |
| L4 | 42 mm | Length of Shaft Support Block with Drive System |
| L5 | 30 mm | Length of Shaft Support Block without drive System |
| D7 | 40 mm | ø Shaft, Tolerance h7 |
| RX | 134 mm | |
| RZ | 122 mm | |
| S | 20 mm | Safety Distance |
| mLAW | 10.6 kg | Mass of Carriage |
| vmax | 1 m/s | Maximum Speed |
| amax | 20 m/s2 | Maximum Acceleration |
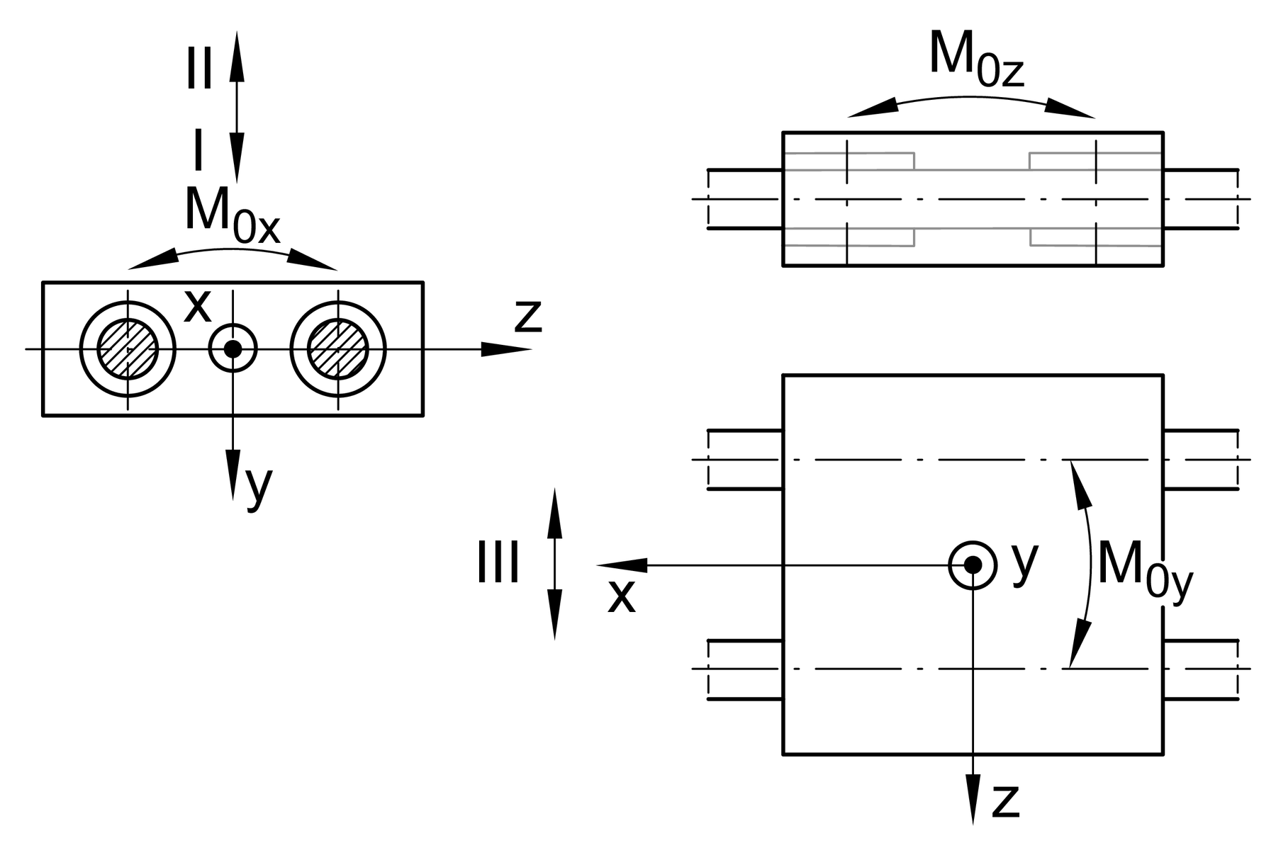
| CI | 15,830 N | Load direction I: compressive load |
| C0I | 17,600 N | Load direction I: compressive load |
| CII | 15,830 N | Load direction II: tensile load |
| C0II | 17,600 N | Load direction II: tensile load |
| CIII | 15,830 N | Load direction III: lateral load |
| C0III | 17,600 N | Load direction III: lateral load |
| M0x per | 1,080 Nm | Max. permissible static moment per Carriage 2 |
| M0y per | 970 Nm | Max. permissible static moment per Carriage 2 |
| M0z per | 876 Nm | Max. permissible static moment per Carriage 2 |
| d0 | 32 mm | Spindle Diameter |
| P | 20 mm | Spindle Pitch |
| C | 29,700 N | Load capacity Spindle Nut dyn 3 |
| C0 | 59,800 N | Load capacity Spindle Nut stat 3 |
| Ca | 26,000 N | Load capacity fixed Spindle bearing dyn |
| C0a | 47,000 N | Load capacity fixed Spindle bearing stat |
50 Nm | Max. permissible drive torque | |
KB40-P | Linear Ball Bearings 4 | |
ZKLN2052-2RS-PE | Rolling Bearings (locating bearing) | |
0.05 mm | Repeat accuracy ± | |
6.43 kg*cm2 | Mass moment of inertia of threaded Spindle |
0 °C | Minimum operating Temperatur | |
80 °C | Maximum operating Temperatur |
| Size code | 40 | |
| Length of carriage | 230 | 230 mm |
| Version | B | |
| Drive type | KGT | Ball screw drive |
| Spindle diameter | 32 | 32mm |
| Spindle pitch | 20 | 20 mm |
| Spindle nut design | M | Cylinder nut |
| Bellow | 1 | Yes |