PRODUCTS
- Home
- Giới thiệu sản phẩm
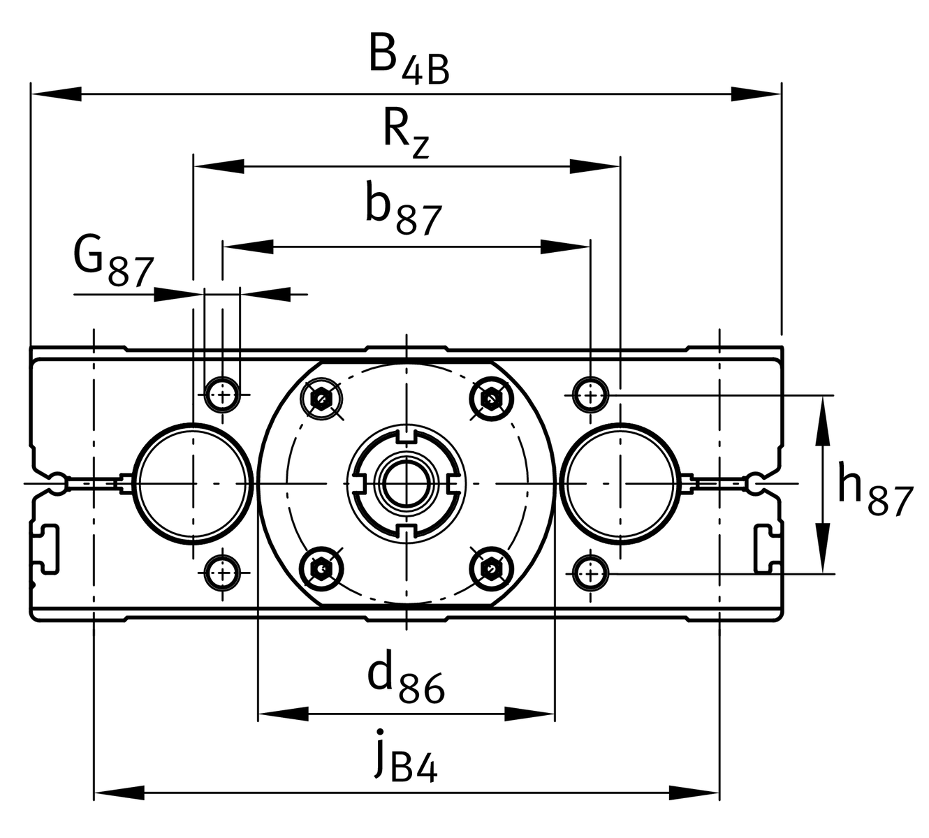
| B1 | 180 mm | Total Width |
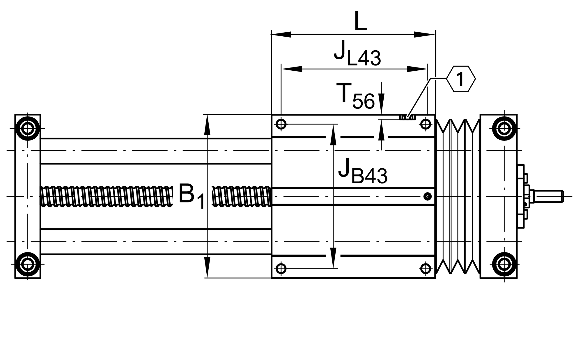
| L | 180 mm | Length of Carriage |
| B4B | 180 mm | Width of Shaft Support Blocks |
| b87 | 68 mm | Tolerance ±0,2 |
| d85 | 10 mm | Tolerance h7 1 |
| d86 | 60 mm | Tolerance g7 |
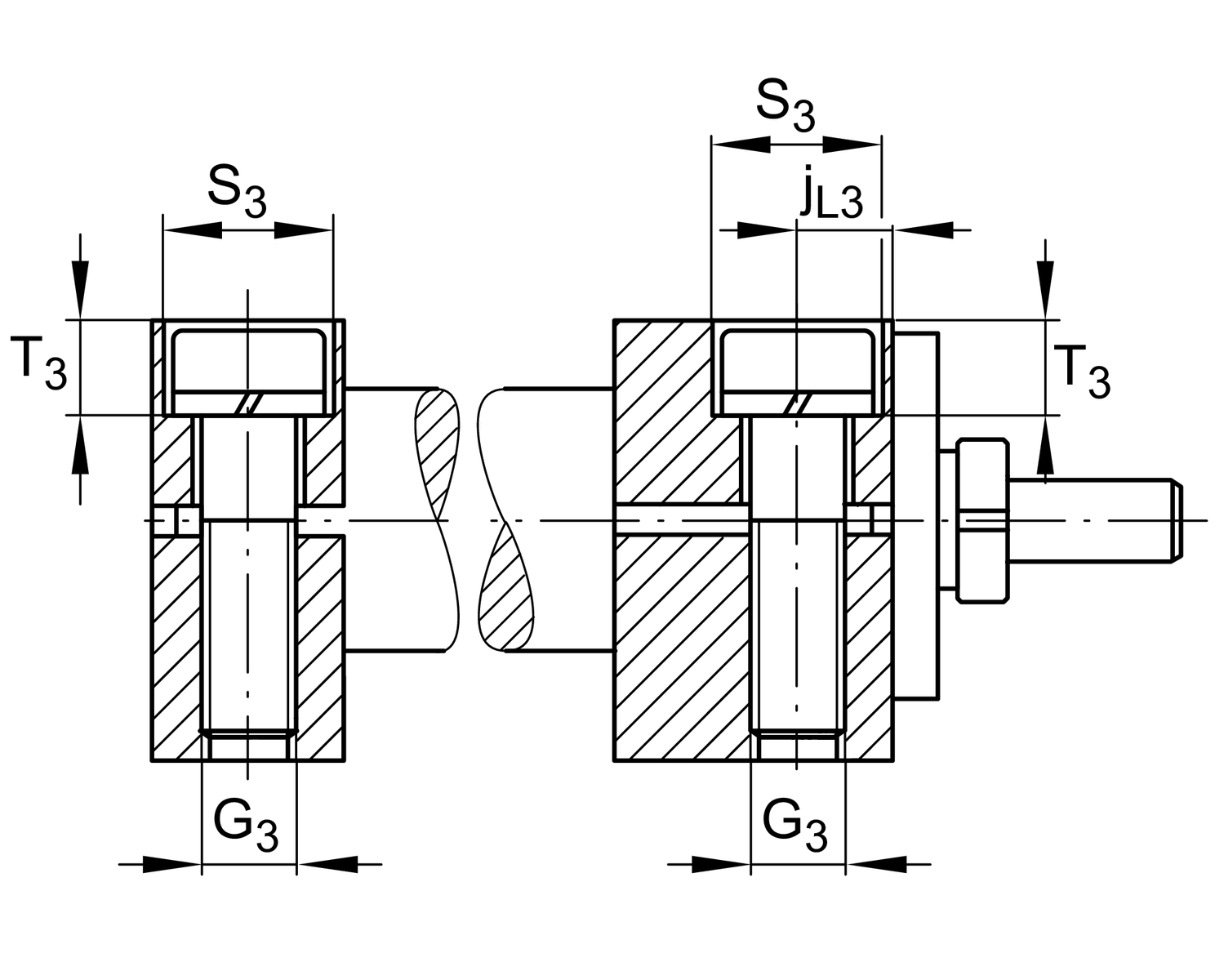
| G3 | M12 | Thread |
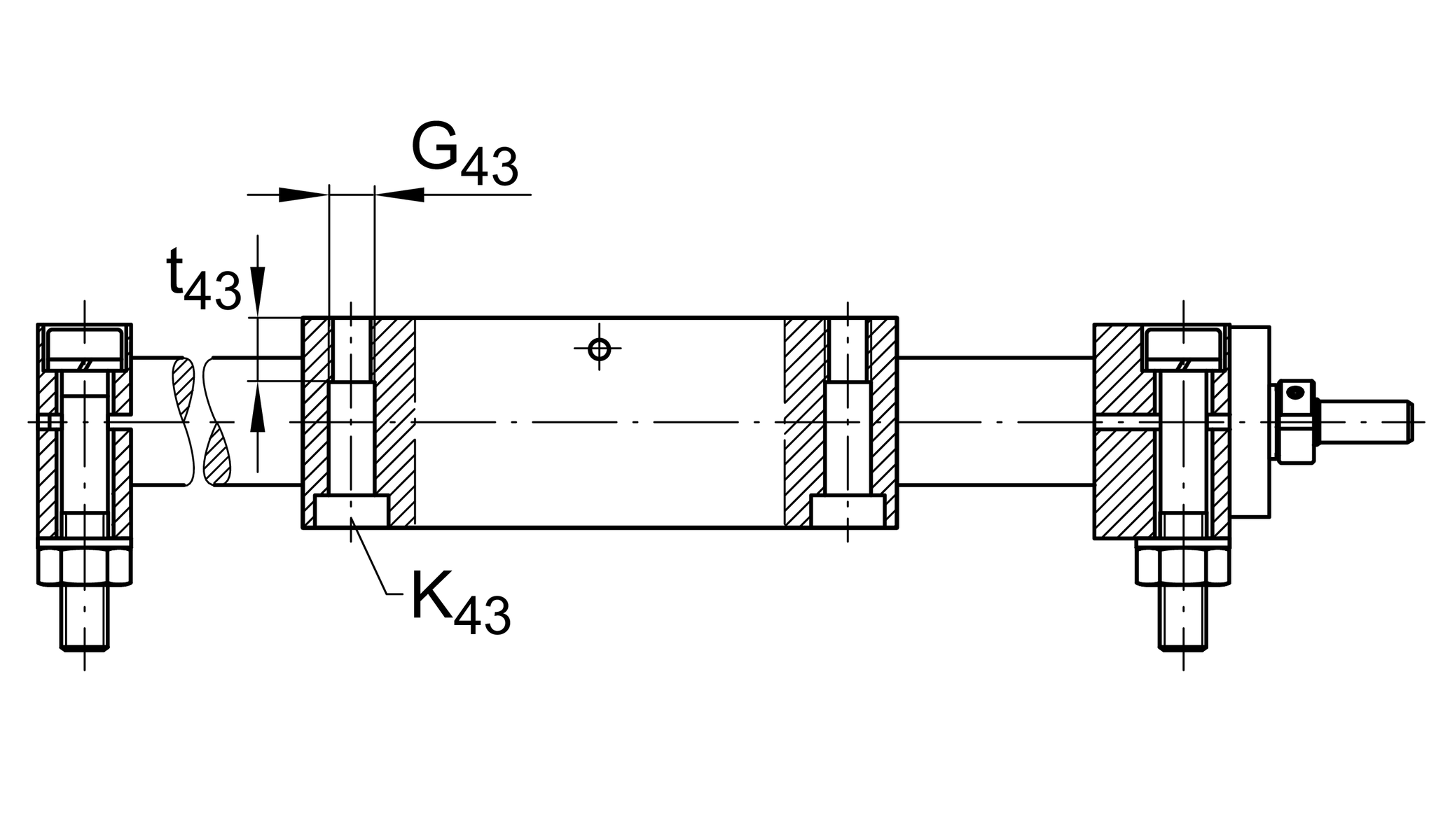
| G43 | M12 | Thread |
| G87 | M6x15 | Thread |
| h85 | 35 mm | |
| h87 | 44 mm | Tolerance ±0,2 |
| JB43 | 158 mm | |
| JL43 | 158 mm | |
| jB4 | 150 mm | |
| jL3 | 12.5 mm | |
| K43 | M10 | Thread |
| L85 | 18 mm | |
| L86 | 9 mm | |
| L88 | 36.5 mm | |
| S3 | 20 mm | |
| T3 | 15.5 mm | |
| t43 | 26 mm | Depth of Thread |
| BB | 21 mm | Length of Bellows Fastener |
| FBL | 1.27 | Effective length factor of bellow |
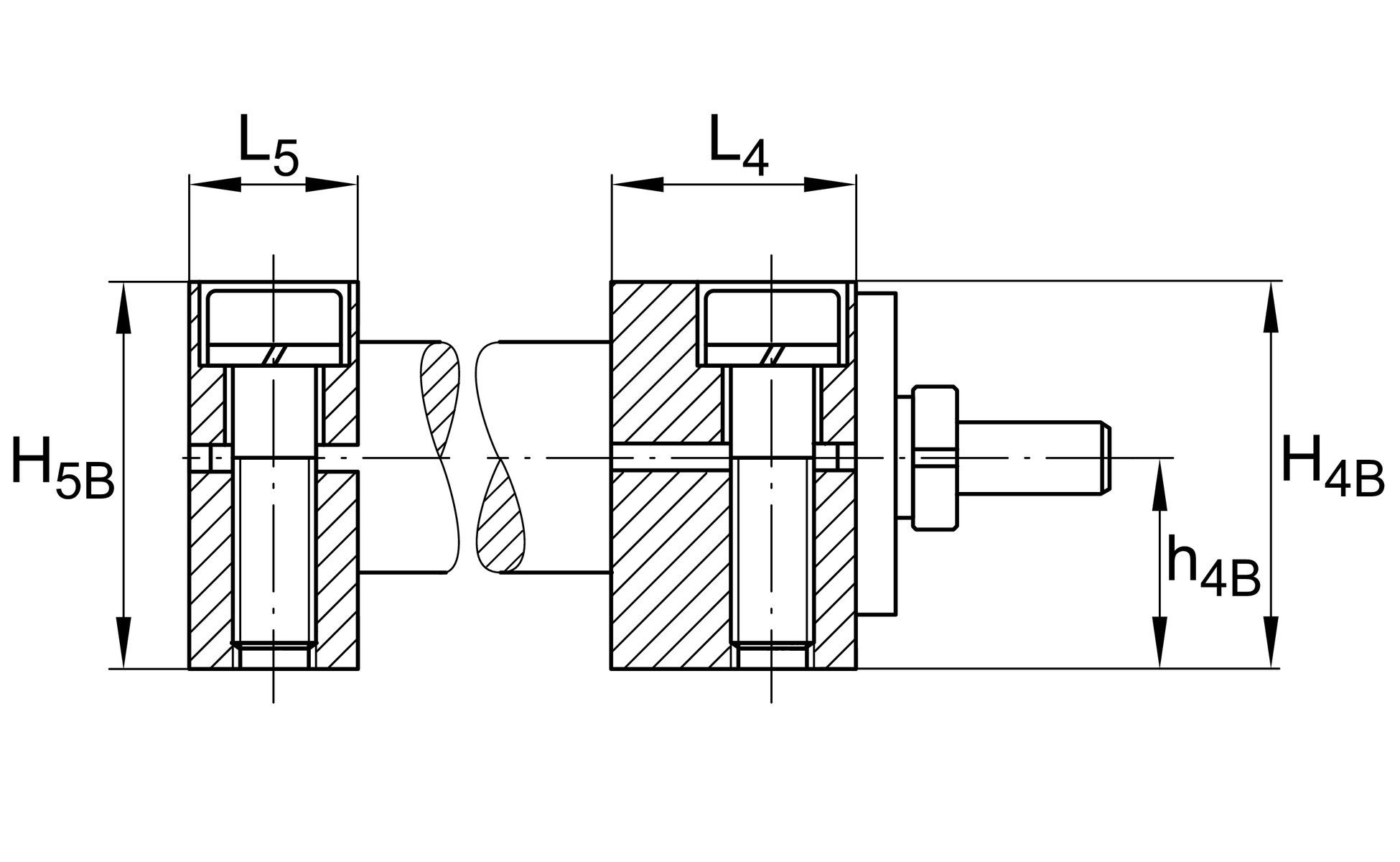
| H1 | 64 mm | Height of Carriage |
| H4B | 58 mm | Height of Shaft Support Blocks |
| H5B | 58 mm | Height of Shaft Support Blocks |
| h1 | 32 mm | |
| h4B | 29 mm | |
| h5B | 29 mm | |
| L4 | 38 mm | Length of Shaft Support Block with Drive System |
| L5 | 25 mm | Length of Shaft Support Block without drive System |
| D7 | 30 mm | ø Shaft, Tolerance h7 |
| RX | 98.6 mm | |
| RZ | 96 mm | |
| S | 10 mm | Safety Distance |
| mLAW | 5.04 kg | Mass of Carriage |
| vmax | 0.5 m/s | Maximum Speed |
| amax | 10 m/s2 | Maximum Acceleration |
| CI | 9,500 N | Load direction I: compressive load |
| C0I | 11,400 N | Load direction I: compressive load |
| CII | 9,500 N | Load direction II: tensile load |
| C0II | 11,400 N | Load direction II: tensile load |
| CIII | 9,500 N | Load direction III: lateral load |
| C0III | 11,400 N | Load direction III: lateral load |
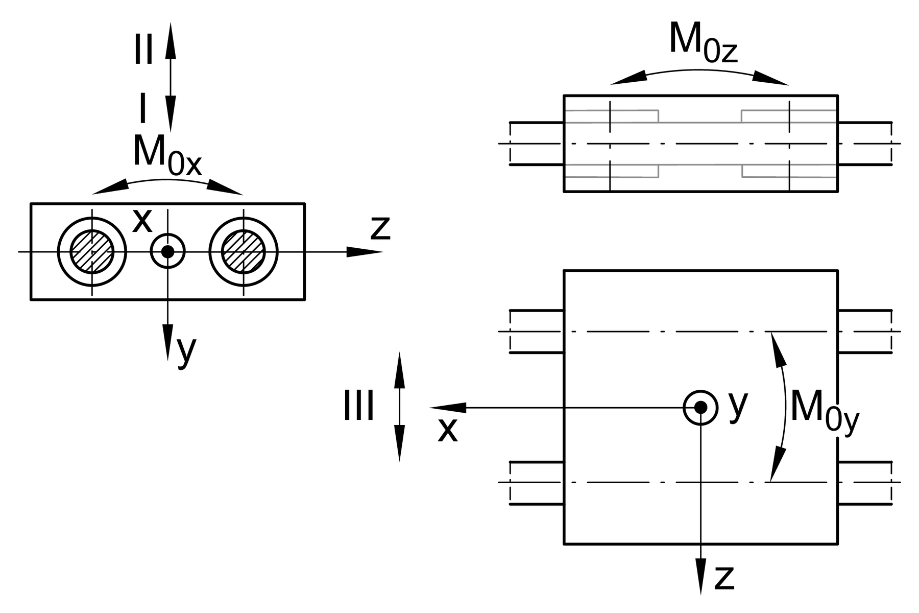
| M0x per | 540 Nm | Max. permissible static moment per Carriage 2 |
| M0y per | 503 Nm | Max. permissible static moment per Carriage 2 |
| M0z per | 393 Nm | Max. permissible static moment per Carriage 2 |
| d0 | 20 mm | Spindle Diameter |
| P | 10 mm | Spindle Pitch |
| C | 12,700 N | Load capacity Spindle Nut dyn 3 |
| C0 | 22,100 N | Load capacity Spindle Nut stat 3 |
| Ca | 17,900 N | Load capacity fixed Spindle bearing dyn |
| C0a | 28,000 N | Load capacity fixed Spindle bearing stat |
17 Nm | Max. permissible drive torque | |
KB30-P | Linear Ball Bearings 4 | |
ZKLN1545-2RS-PE | Rolling Bearings (locating bearing) | |
0.025 mm | Repeat accuracy ± | |
0.846 kg*cm2 | Mass moment of inertia of threaded Spindle |
0 °C | Minimum operating Temperatur | |
80 °C | Maximum operating Temperatur |
| Size code | 30 | |
| Length of carriage | 180 | 180 mm |
| Version | B | |
| Drive type | KGT | Ball screw drive |
| Spindle diameter | 20 | 20mm |
| Spindle pitch | 10 | 10 mm |
| Spindle nut design | MM | Double cylinder nut |
| Bellow | 1 | Yes |