PRODUCTS
- Home
- Giới thiệu sản phẩm
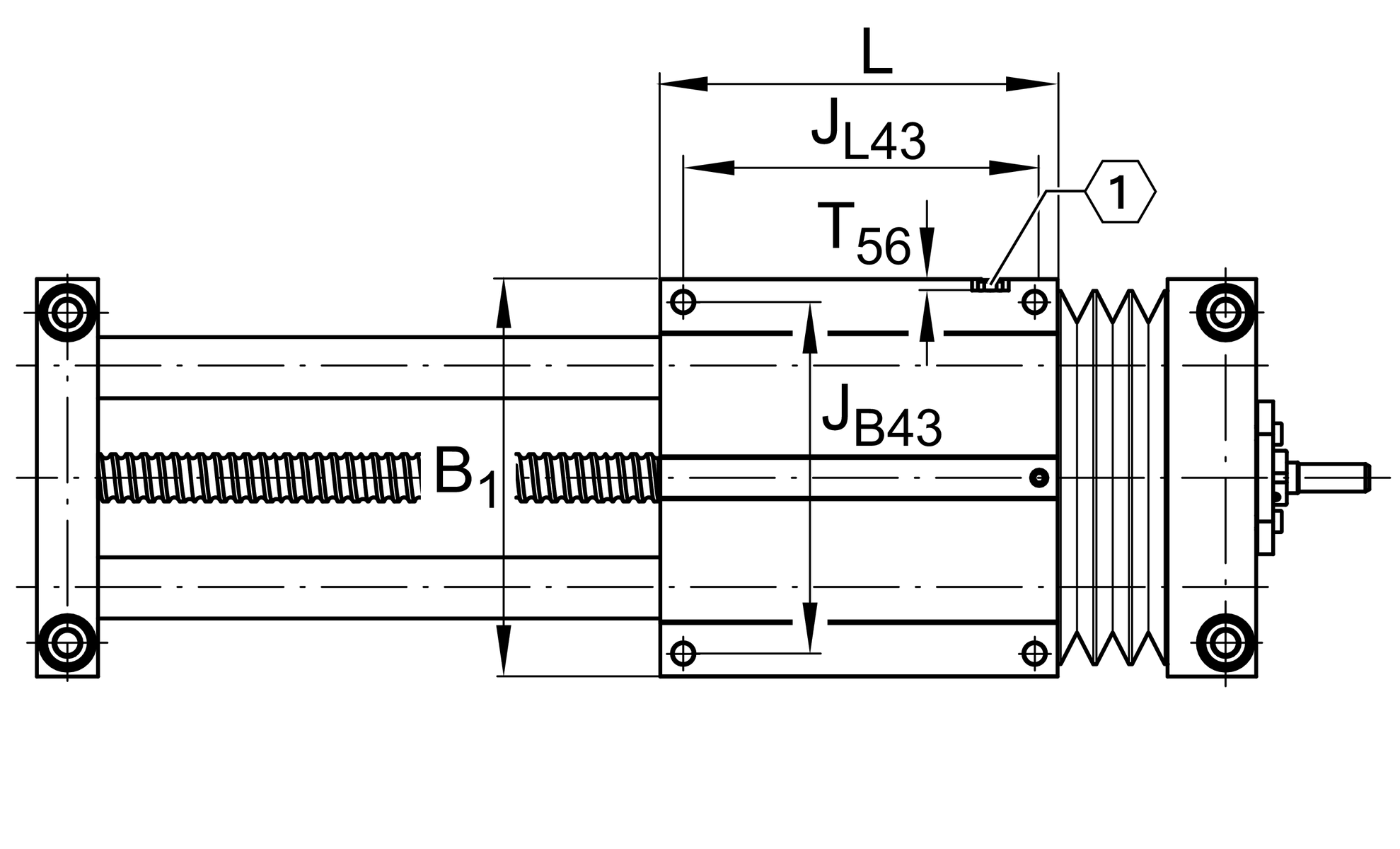
| B1 | 130 mm | Total Width |
| L | 130 mm | Length of Carriage |
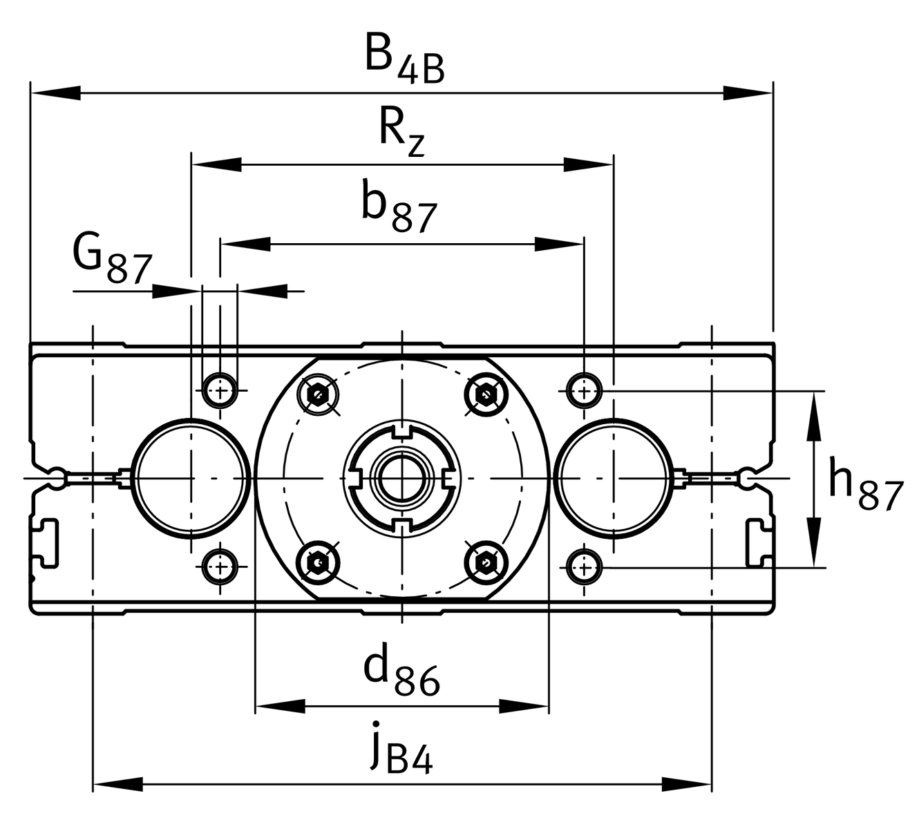
| B4B | 130 mm | Width of Shaft Support Blocks |
| b87 | 62 mm | Tolerance ±0,2 |
| d85 | 9 mm | Tolerance h7 1 |
| d86 | 50 mm | Tolerance g7 |
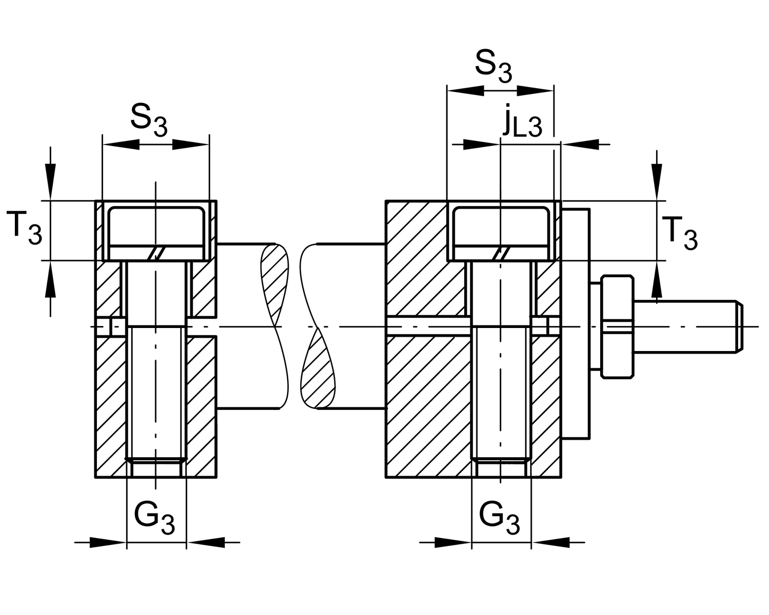
| G3 | M10 | Thread |
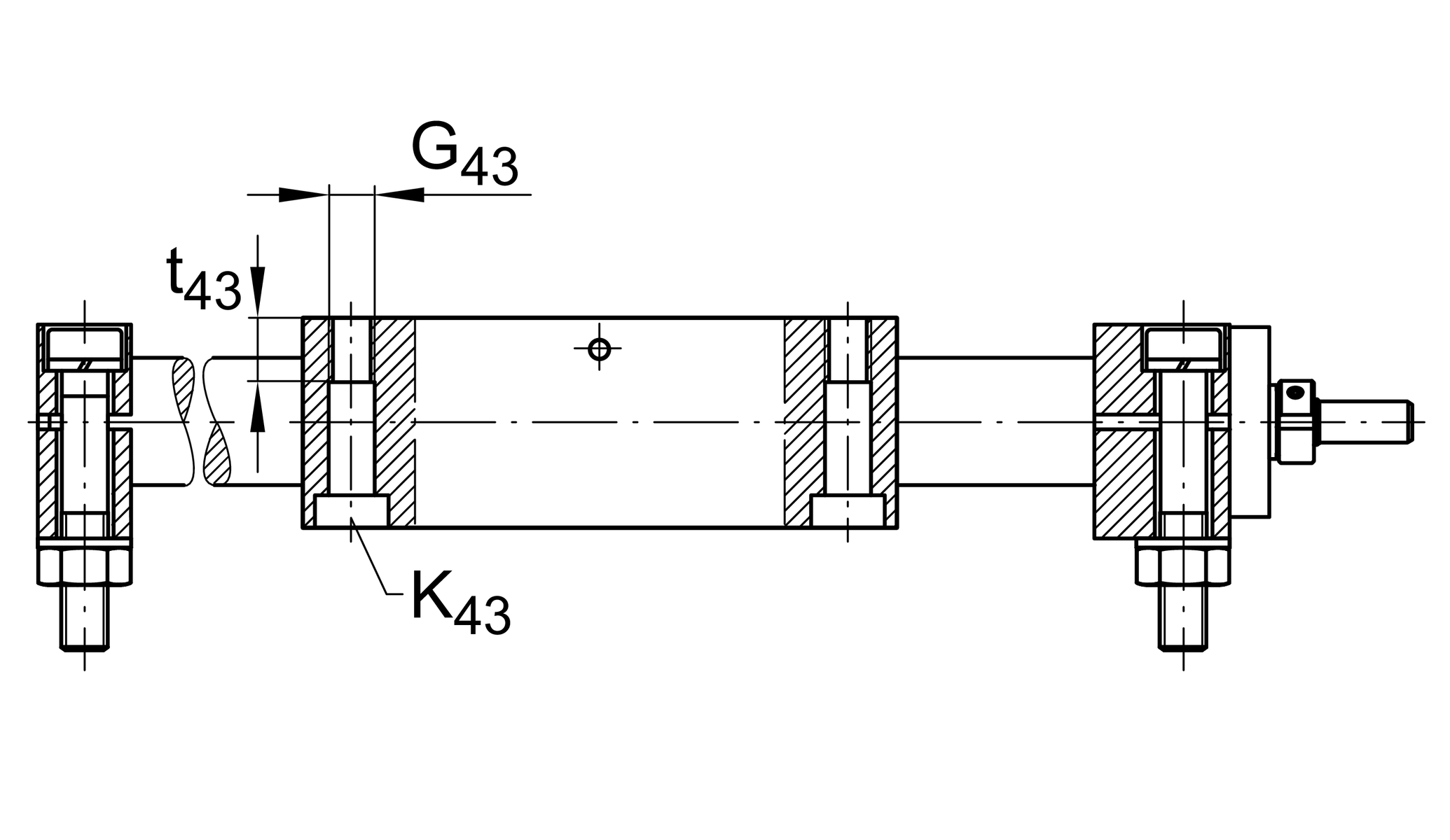
| G43 | M8 | Thread |
| G87 | M6x15 | Thread |
| h85 | 25 mm | |
| h87 | 30 mm | Tolerance ±0,2 |
| JB43 | 115 mm | |
| JL43 | 115 mm | |
| jB4 | 108 mm | |
| jL3 | 10 mm | |
| K43 | M6 | Thread |
| L85 | 23 mm | |
| L86 | 8 mm | |
| L88 | 37 mm | |
| S3 | 18 mm | |
| T3 | 10 mm | |
| t43 | 18 mm | Depth of Thread |
| BB | 20 mm | Length of Bellows Fastener |
| FBL | 1.33 | Effective length factor of bellow |
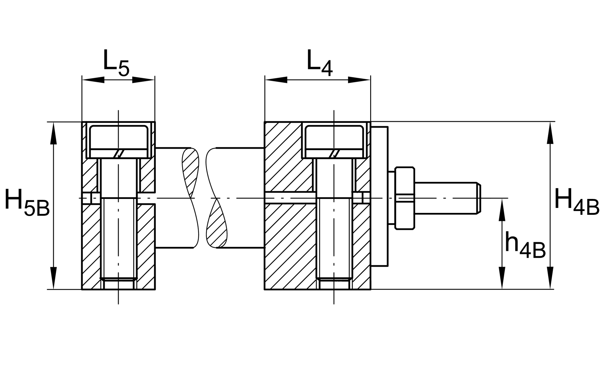
| H1 | 46 mm | Height of Carriage |
| H4B | 42 mm | Height of Shaft Support Blocks |
| H5B | 42 mm | Height of Shaft Support Blocks |
| h1 | 23 mm | |
| h4B | 21 mm | |
| h5B | 21 mm | |
| L4 | 29 mm | Length of Shaft Support Block with Drive System |
| L5 | 20 mm | Length of Shaft Support Block without drive System |
| T56 | 3.75 mm | |
| D7 | 20 mm | ø Shaft, Tolerance h7 |
| RX | 74.6 mm | |
| RZ | 72 mm | |
| S | 5 mm | Safety Distance |
| mLAW | 1.82 kg | Mass of Carriage |
| vmax | 0.25 m/s | Maximum Speed |
| amax | 10 m/s2 | Maximum Acceleration |
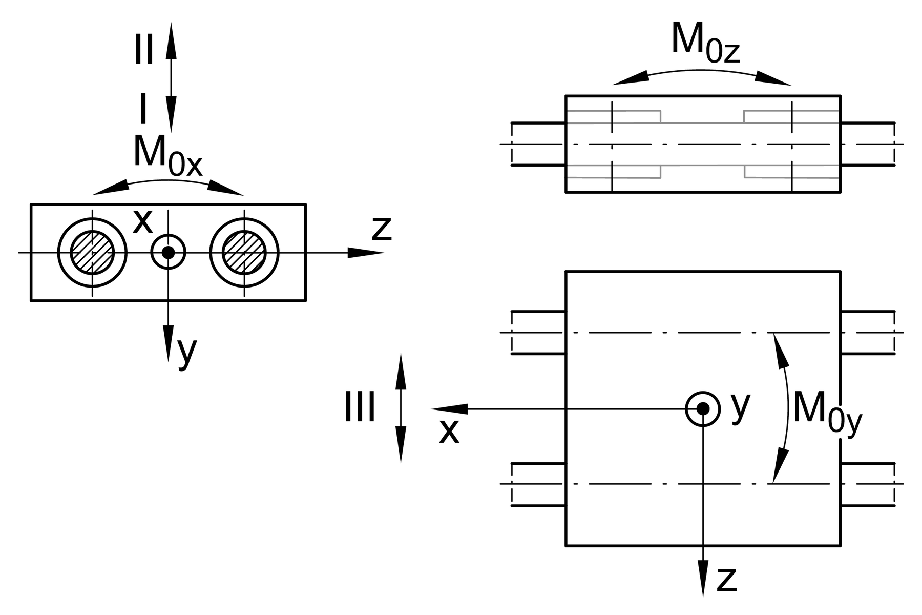
| CI | 4,140 N | Load direction I: compressive load |
| C0I | 4,920 N | Load direction I: compressive load |
| CII | 4,140 N | Load direction II: tensile load |
| C0II | 4,920 N | Load direction II: tensile load |
| CIII | 4,140 N | Load direction III: lateral load |
| C0III | 4,920 N | Load direction III: lateral load |
| M0x per | 178 Nm | Max. permissible static moment per Carriage 2 |
| M0y per | 155 Nm | Max. permissible static moment per Carriage 2 |
| M0z per | 138 Nm | Max. permissible static moment per Carriage 2 |
| d0 | 16 mm | Spindle Diameter |
| P | 5 mm | Spindle Pitch |
| C | 9,300 N | Load capacity Spindle Nut dyn 3 |
| C0 | 13,100 N | Load capacity Spindle Nut stat 3 |
| Ca | 13,400 N | Load capacity fixed Spindle bearing dyn |
| C0a | 18,800 N | Load capacity fixed Spindle bearing stat |
6 Nm | Max. permissible drive torque | |
KB20-P | Linear Ball Bearings 4 | |
ZKLN1034-2RS-PE | Rolling Bearings (locating bearing) | |
0.025 mm | Repeat accuracy ± | |
0.313 kg*cm2 | Mass moment of inertia of threaded Spindle |
0 °C | Minimum operating Temperatur | |
80 °C | Maximum operating Temperatur |
| Size code | 20 | |
| Length of carriage | 130 | 130 mm |
| Version | B | |
| Drive type | KGT | Ball screw drive |
| Spindle diameter | 16 | 16mm |
| Spindle pitch | 5 | 5 mm |
| Spindle nut design | MM | Double cylinder nut |
| Bellow | 1 | Yes |