PRODUCTS
- Home
- Giới thiệu sản phẩm
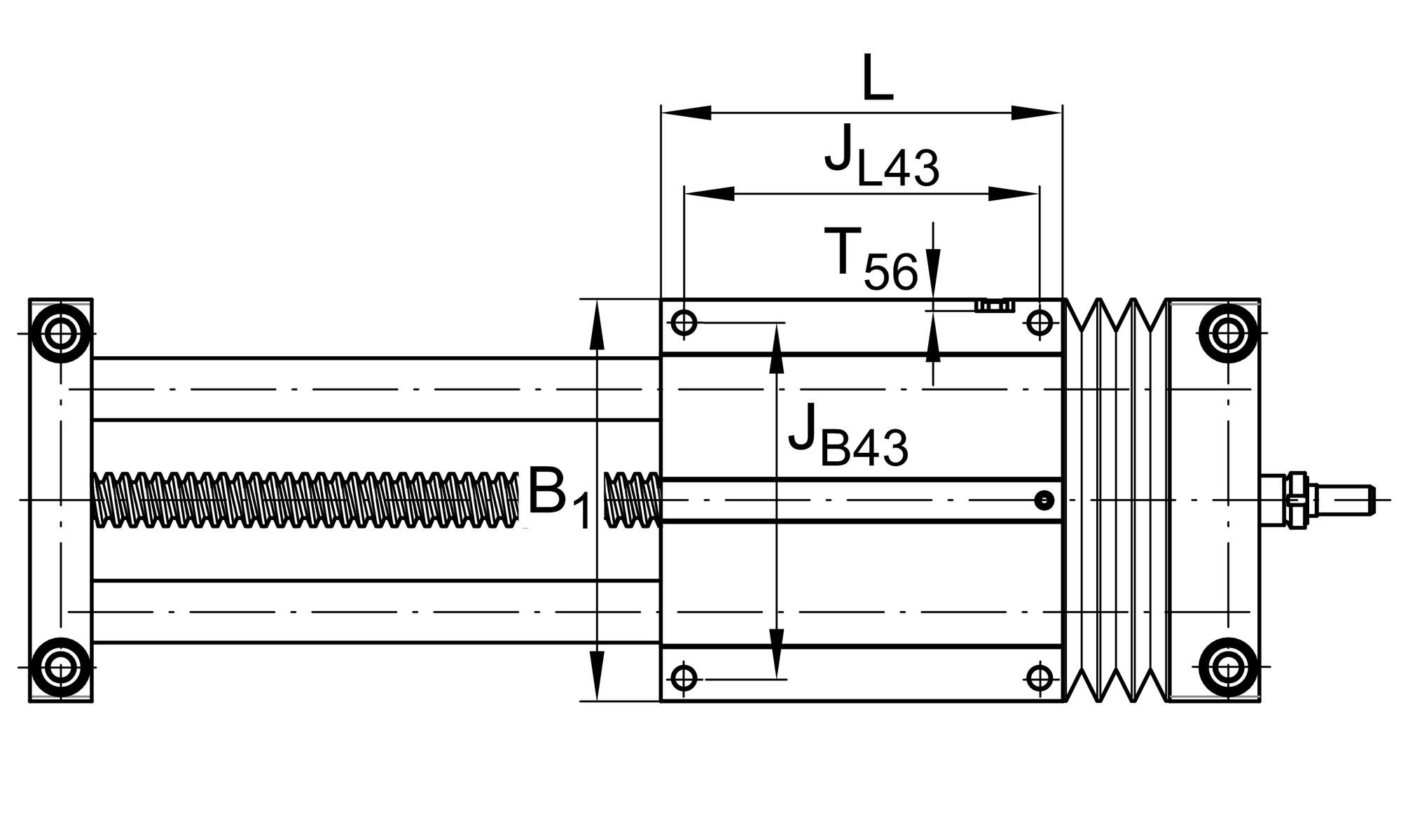
| B1 | 100 mm | Total Width |
| L | 100 mm | Length of Carriage |
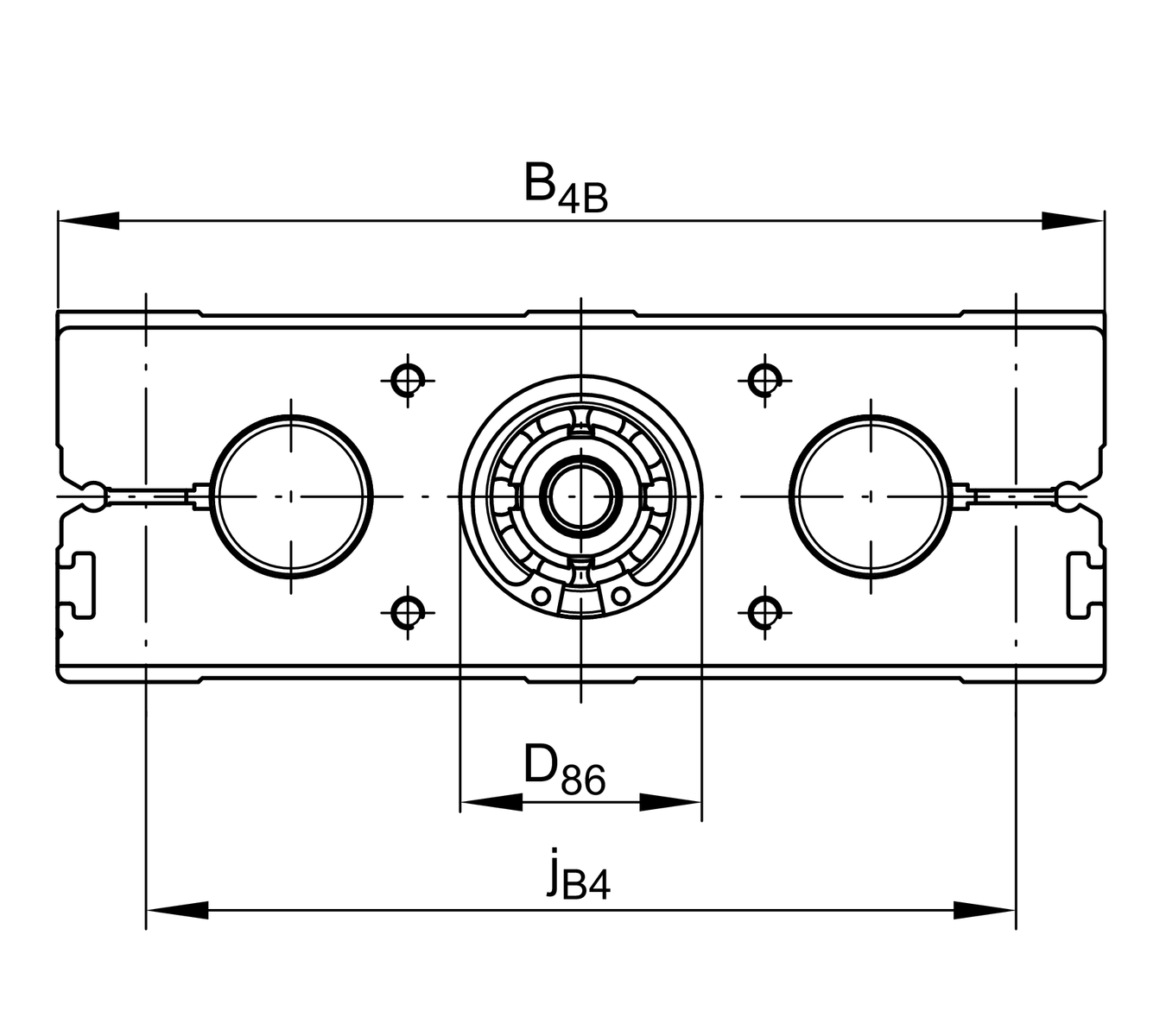
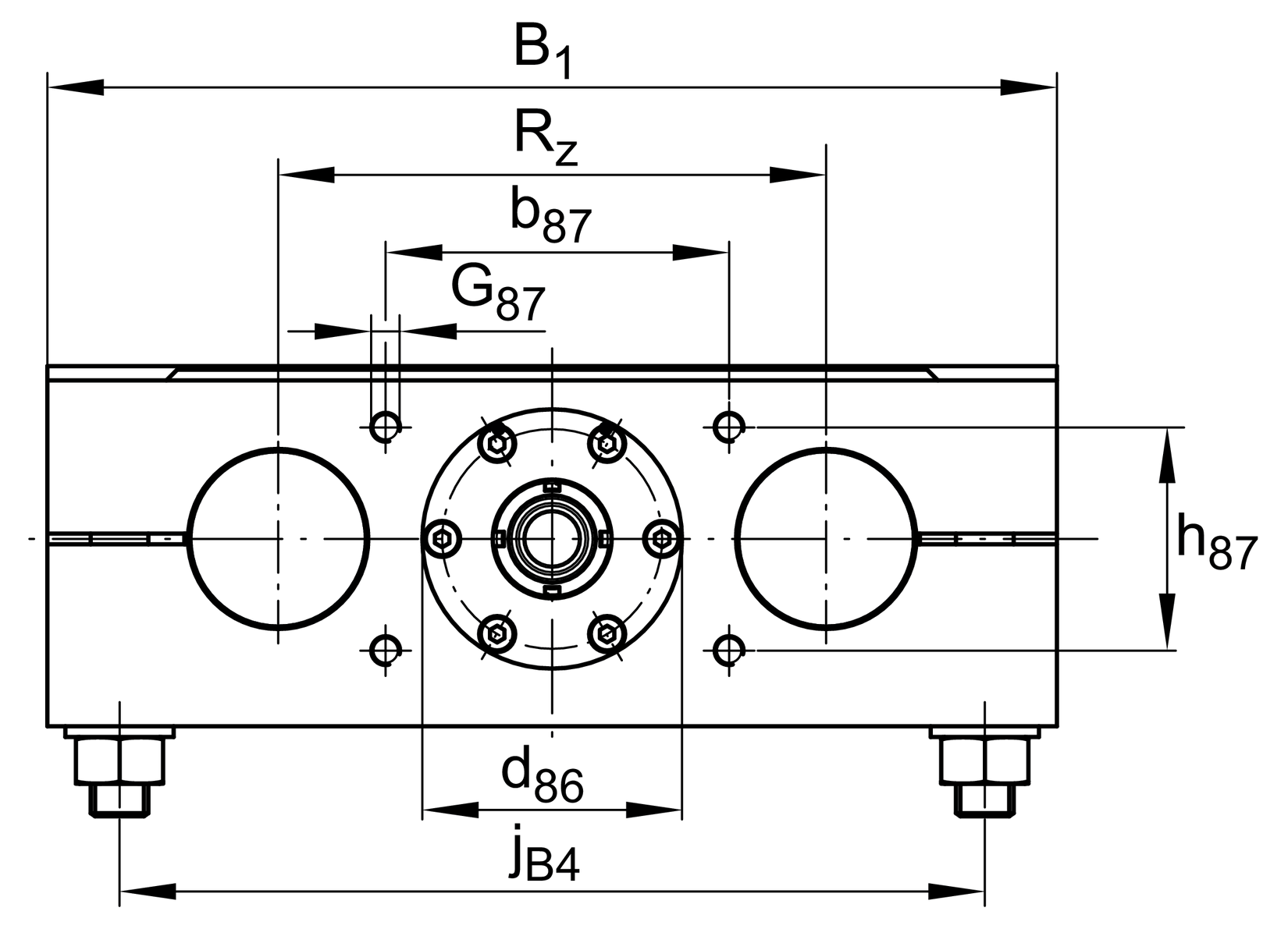
| B4B | 100 mm | Width of Shaft Support Blocks |
| b87 | 44 mm | Tolerance ±0,2 |
| D86 | 17 mm | Tolerance H7 |
| d85 | 5 mm | Tolerance h7 1 |
| d86 | 0 mm | Tolerance g7 |
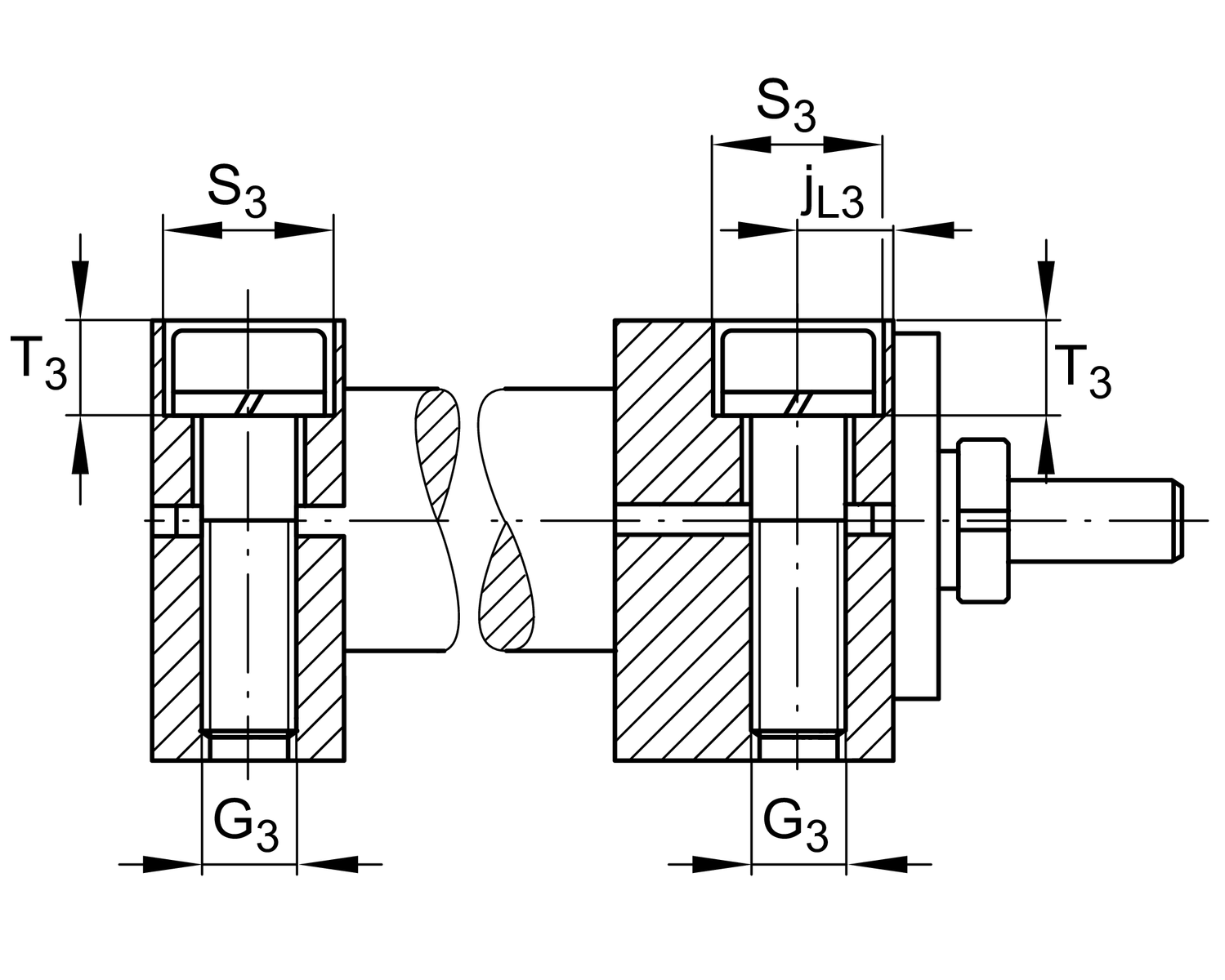
| G3 | M8 | Thread |
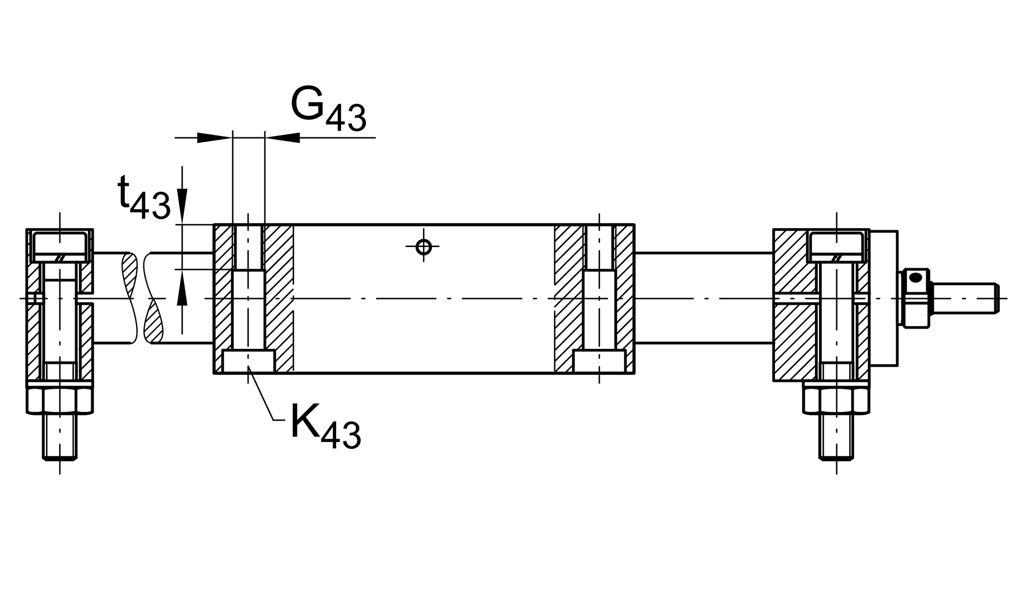
| G43 | M6 | Thread |
| G87 | M5x12 | Thread |
| h85 | 20 mm | |
| h87 | 22 mm | Tolerance ±0,2 |
| JB43 | 88 mm | |
| JL43 | 88 mm | |
| jB4 | 82 mm | |
| jL3 | 9 mm | |
| K43 | M5 | Thread |
| L85 | 12 mm | |
| L88 | 28.5 mm | |
| S3 | 15 mm | |
| T3 | 8 mm | |
| t43 | 13 mm | Depth of Thread |
| T86 | 3 mm |
| H1 | 36 mm | Height of Carriage |
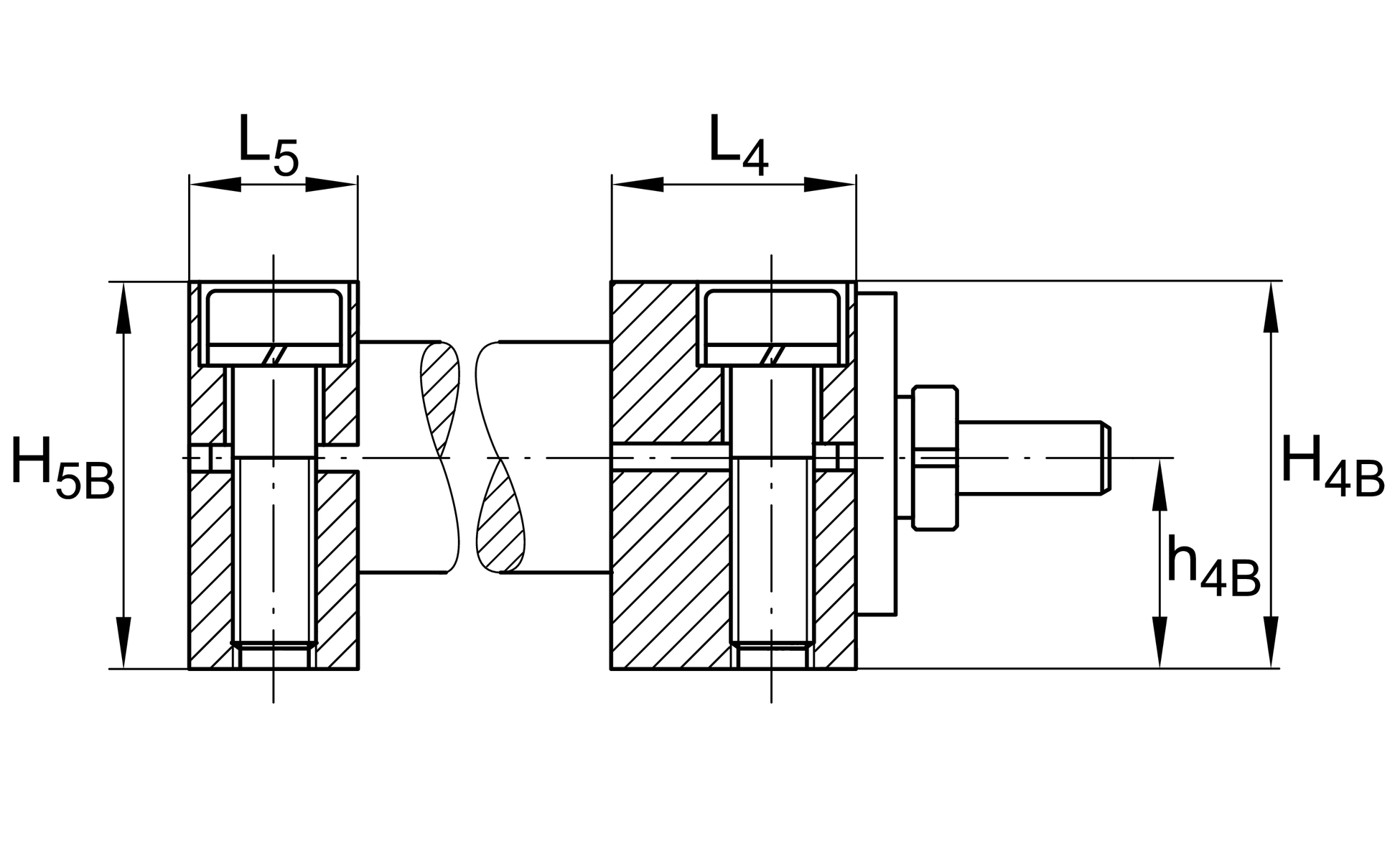
| H4B | 32 mm | Height of Shaft Support Blocks |
| H5B | 32 mm | Height of Shaft Support Blocks |
| h1 | 18 mm | |
| h4B | 16 mm | |
| h5B | 16 mm | |
| L4 | 24 mm | Length of Shaft Support Block with Drive System |
| L5 | 18 mm | Length of Shaft Support Block without drive System |
| D7 | 16 mm | ø Shaft, Tolerance h7 |
| RX | 55.6 mm | |
| RZ | 54 mm | |
| S | 3 mm | Safety Distance |
| mLAW | 0.86 kg | Mass of Carriage |
| vmax | 0.075 m/s | Maximum Speed |
| amax | 2.5 m/s2 | Maximum Acceleration |
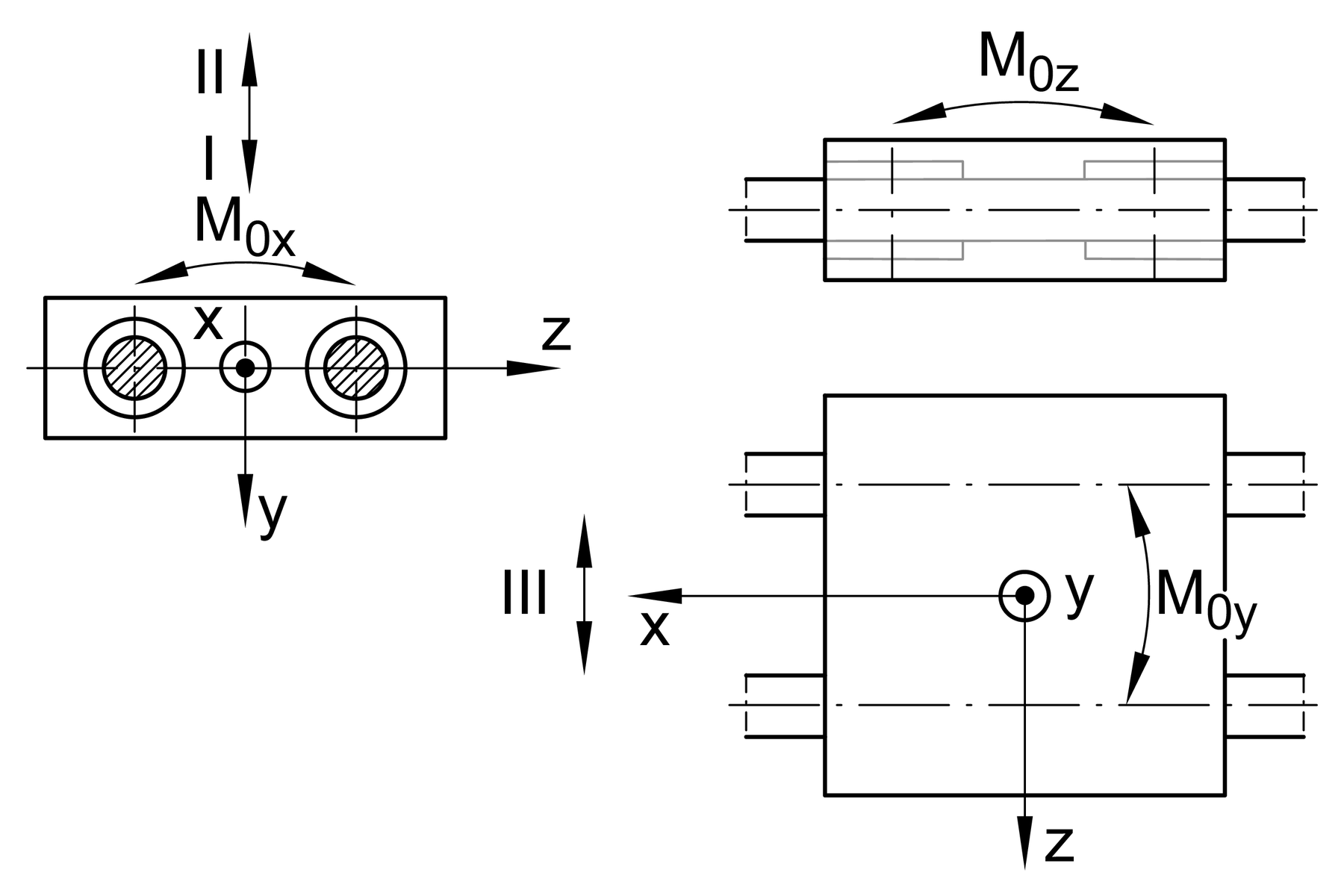
| CI | 1,870 N | Load direction I: compressive load |
| C0I | 2,120 N | Load direction I: compressive load |
| CII | 1,870 N | Load direction II: tensile load |
| C0II | 2,120 N | Load direction II: tensile load |
| CIII | 1,870 N | Load direction III: lateral load |
| C0III | 2,120 N | Load direction III: lateral load |
| M0x per | 57 Nm | Max. permissible static moment per Carriage 2 |
| M0y per | 48 Nm | Max. permissible static moment per Carriage 2 |
| M0z per | 45 Nm | Max. permissible static moment per Carriage 2 |
| d0 | 12 mm | Spindle Diameter |
| P | 3 mm | Spindle Pitch |
| C0 | 630 N | Load capacity Spindle Nut stat 3 |
| C0a | 630 N | Load capacity fixed Spindle bearing stat |
1.5 Nm | Max. permissible drive torque | |
KB16-P | Linear Ball Bearings 4 | |
30/6-2RSR | Rolling Bearings (locating bearing) | |
0.25 mm | Repeat accuracy ± | |
0.09 kg*cm2 | Mass moment of inertia of threaded Spindle |
0 °C | Minimum operating Temperatur | |
80 °C | Maximum operating Temperatur |
| Size code | 16 | |
| Length of carriage | 100 | 100 mm |
| Version | B | |
| Drive type | TGT | Trapezoidal screw drive |
| Spindle diameter | 12 | 12mm |
| Spindle pitch | 03 | 3 mm |
| Spindle nut design | M | Cylinder nut |
| Bellow | 0 | No |