PRODUCTS


FAG
UCFA209-28
Take-up housing unit UCFA209-28
加入詢價
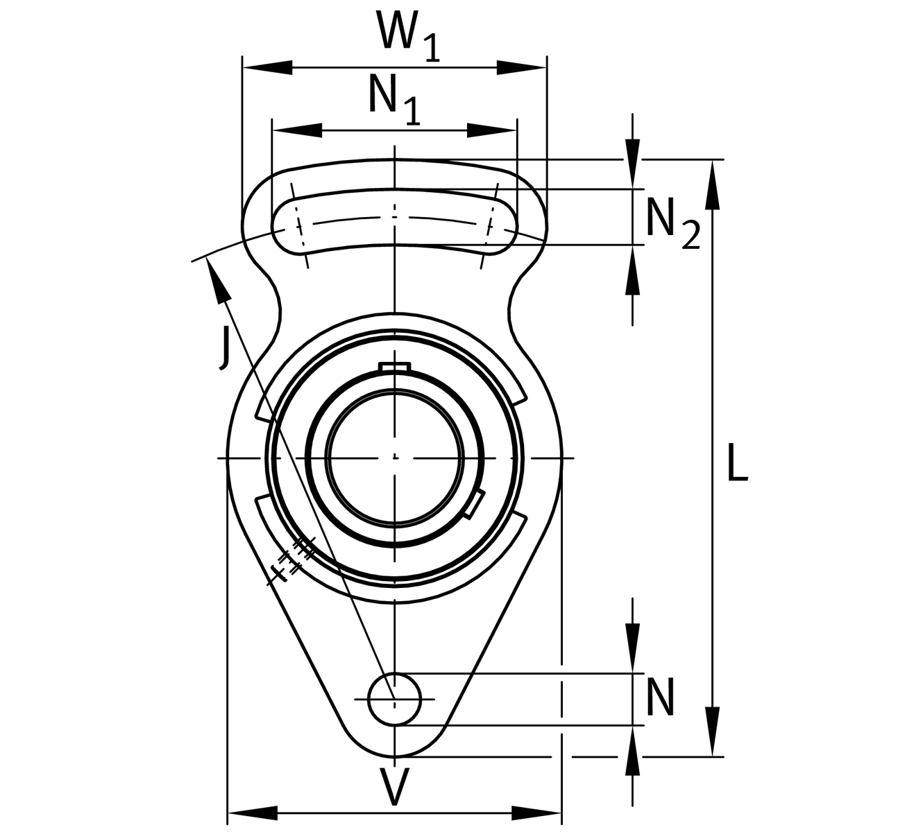
主要尺寸與性能資料
d
44.45 mm
內徑
L
181 mm
Length total
U
52.2 mm
總高度單位
≈m
1.979 kg
重量

安裝尺寸
N
16 mm
固定內徑
N1
72 mm
Length (slot)
N2
16 mm
Width (slot)
J
148 mm
固定內孔距離

尺寸
A1
18 mm
厚度 of flange
A2
22 mm
滾道距離
A
38 mm
外殼高度
V
108 mm
Shoulder diameter 軸承座
W
90 mm
Width 軸承座 slot side
Q
M6
用於潤滑的連接螺紋

附加資訊
FA209
軸承座
UC209-28
軸承型號

溫度範圍
Tmin
-20 °C
最低工作溫度
Tmax
120 °C
最高操作溫度

您目前的產品型號
MaterialGG灰鑄鐵
加入詢價