PRODUCTS


FAG
61905
Deep groove ball bearing 61905
加入詢價
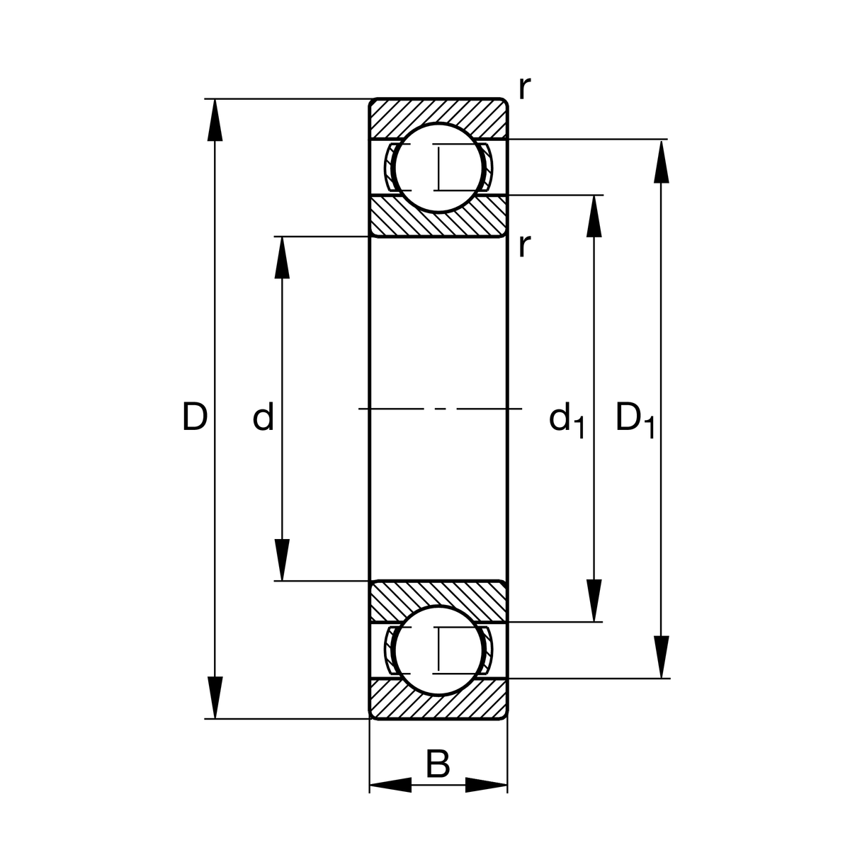
主要尺寸與性能資料
d
25 mm
內徑
D
42 mm
外徑
B
9 mm
寬度
Cr
7,010 N
基本額定動載荷,徑向
C0r
4,550 N
基本額定靜態負荷,徑向
Cur
290 N
疲勞負載極限,徑向
nG
24,200 1/min
極限轉速
nϑr
13,500 1/min
參考轉速
≈m
42 g
重量

安裝尺寸
da min
27 mm
軸肩最小直徑
Da max
40 mm
殼肩最大直徑
ra max
0.3 mm
最大圓角半徑

尺寸
rmin
0.3 mm
最小倒角尺寸
D1
37.5 mm
外圈肩徑
d1
30.9 mm
內圈肩徑

溫度範圍
Tmin
-30 °C
最低工作溫度
Tmax
120 °C
最高操作溫度

計算參數s
f0
15.4
計算參數

您目前的產品型號
Sealing沒有未密封
CageJN沖壓鋼板
Tolerance classPN正常(PN)
Dimensional / heat stabilization SN環尺寸穩定達 120°
Lubricant沒有軸承未潤滑
Bore typeZ圓柱
Radial internal clearanceCN (Group N)正常內部間隙
加入詢價