PRODUCTS


FAG
UCFC201-08
Flanged housing unit UCFC201-08
加入詢價
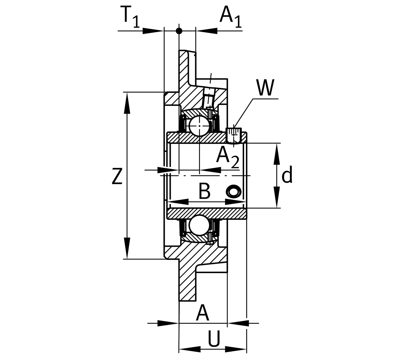
主要尺寸與性能資料
d
12.7 mm
內徑
H
100 mm
Height flange
U
28.3 mm
總高度單位
Cr
12,800 N
基本額定動載荷,徑向
C0r
6,600 N
基本額定靜態負荷,徑向
Cur
345 N
疲勞負載極限,徑向
≈m
0.77 kg
重量

安裝尺寸
J
78 mm
固定內孔距離
J
78 mm
Pitch circle diameter (holes)
N
12 mm
固定內徑
N1
55.1 mm
固定內孔距離
T1
5 mm
Height spigot
Z
62 mm
Diameter spigot
h8
Diameter spigot clearance
n
4
螺絲孔數

尺寸
A
20.5 mm
外殼高度
A1
8 mm
厚度 of flange
A2
10 mm
滾道距離
B
31 mm
寬度
Q
M6
用於潤滑的連接螺紋

附加資訊
1
外殼數量
FC204
軸承座
UC201-08
軸承型號

溫度範圍
Tmin
-20 °C
最低工作溫度
Tmax
120 °C
最高操作溫度

您目前的產品型號
MaterialGG灰鑄鐵
加入詢價