PRODUCTS


FAG
61903-HLC-C3
Deep groove ball bearing 61903-HLC-C3
加入詢價
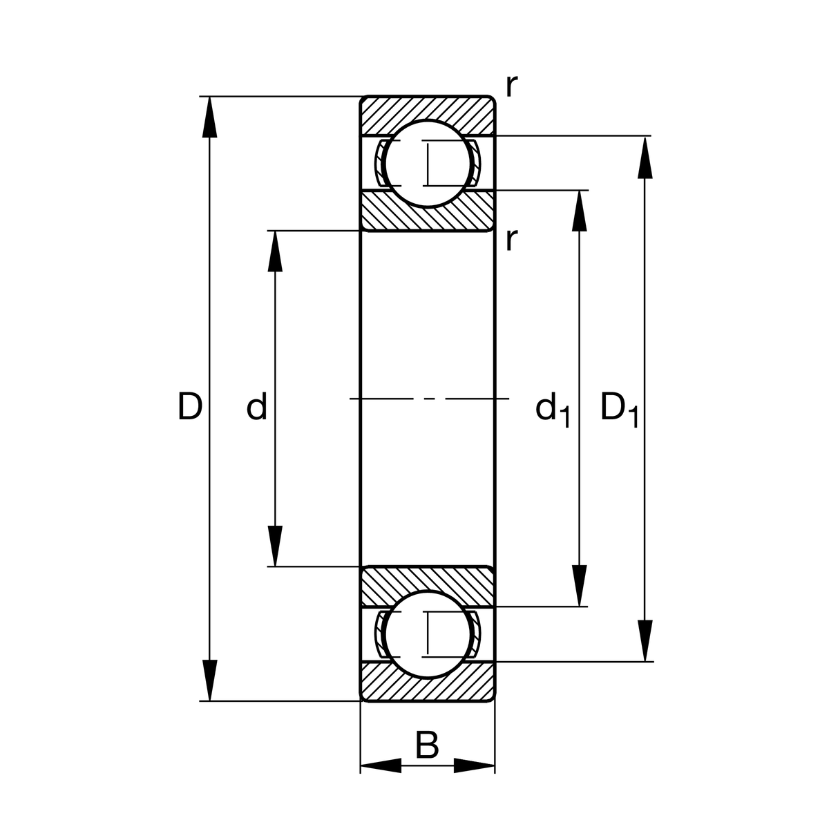
主要尺寸與性能資料
d
17 mm
內徑
D
30 mm
外徑
B
7 mm
寬度
Cr
4,590 N
基本額定動載荷,徑向
C0r
2,560 N
基本額定靜態負荷,徑向
Cur
150 N
疲勞負載極限,徑向
nG
34,500 1/min
極限轉速
≈m
14 g
重量

安裝尺寸
da min
19 mm
軸肩最小直徑
Da max
28 mm
殼肩最大直徑
ra max
0.3 mm
最大圓角半徑

尺寸
rmin
0.3 mm
最小倒角尺寸
D1
26.8 mm
外圈肩徑
D2
27.8 mm
量測外圈直徑
d1
21 mm
內圈肩徑

溫度範圍
Tmin
-30 °C
最低工作溫度
Tmax
120 °C
最高操作溫度

計算參數s
f0
14.7
計算參數

您目前的產品型號
Logistical codeHLC-
Sealing沒有未密封
CageJN沖壓鋼板
Tolerance classPN正常(PN)
Dimensional / heat stabilization SN環尺寸穩定達 120°
Lubricant沒有軸承未潤滑
Bore typeZ圓柱
Radial internal clearanceC3 (Group 3)內部間隙大於CN
加入詢價