PRODUCTS


FAG
UCFL217-55
Flanged housing unit UCFL217-55
加入詢價
主要尺寸與性能資料
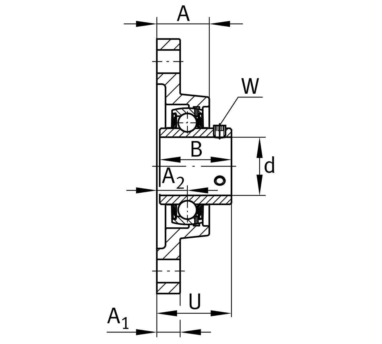
d
7.312 mm
內徑
L
190 mm
法蘭寬度
H
305 mm
Height flange
U
87.6 mm
總高度單位
Cr
88,000 N
基本額定動載荷,徑向
C0r
64,000 N
基本額定靜態負荷,徑向
Cur
2,490 N
疲勞負載極限,徑向
≈m
8.42 kg
重量

安裝尺寸
J
248 mm
固定內孔距離
N
25 mm
固定內徑
n
2
螺絲孔數

尺寸
A
63 mm
外殼高度
A1
26 mm
厚度 of flange
A2
36 mm
滾道距離
B
85.7 mm
寬度
Q
M6
用於潤滑的連接螺紋

附加資訊
1
外殼數量
FL217
軸承座
UC217-55
軸承型號

溫度範圍
Tmin
-20 °C
最低工作溫度
Tmax
120 °C
最高操作溫度

您目前的產品型號
MaterialGG灰鑄鐵
加入詢價