PRODUCTS
- 首頁
- 產品介紹
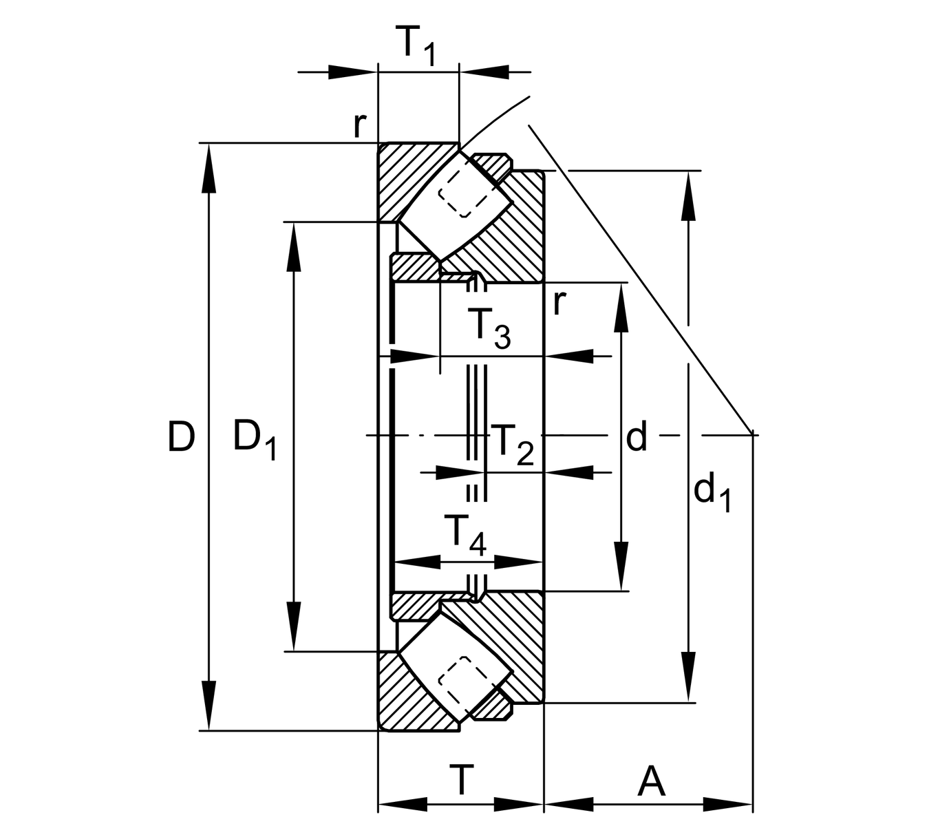
| d | 280 mm | 內徑 |
| D | 380 mm | 外徑 |
| T | 60 mm | Section height |
| Ca | 1,020,000 N | 基本額定動載荷,軸向 |
| C0a | 4,700,000 N | 基本額定靜態載荷,軸向 |
| Cua | 530,000 N | 疲勞負荷極限,軸向 |
| nG | 1,670 1/min | 極限轉速 |
| nϑr | 900 1/min | 參考轉速 |
| ≈m | 19.03 kg | 重量 |
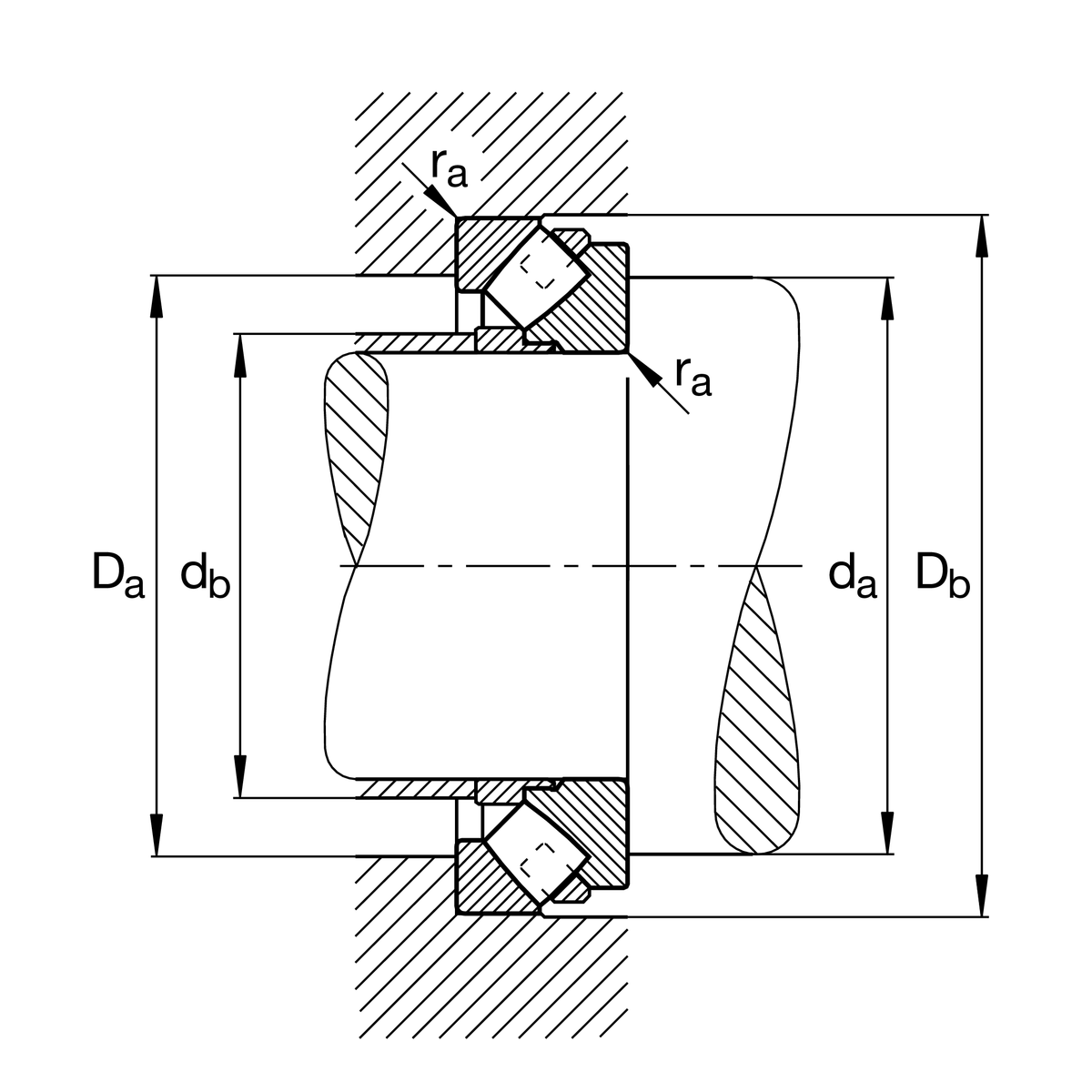
| da min | 330 mm | 軸肩最小直徑 |
| Da max | 351 mm | 殼肩最大直徑 |
| Db min | 385 mm | 外殼最小孔徑 |
| db max | 293 mm | 套筒最大距離 |
| ra max | 2 mm | 最大凹槽半徑 |
| D1 | 323 mm | 外殼墊圈孔徑 |
| d1 | 360 mm | 軸墊圈裂口直徑 |
| rmin | 2.1 mm | 最小倒角尺寸 |
| T1 | 30 mm | 外殼墊圈高度 |
| T2 | 22 mm | Height of shaft washer |
| T3 | 38 mm | 軸墊圈高度 |
| T4 | 57 mm | Height of shaft washer, inc. lip ring |
| A | 150 mm | 中心點距離 |
| Tmin | -30 °C | 最低工作溫度 |
| Tmax | 200 °C | 最高操作溫度 |
| Cage | MB | 黃銅實體保持架 |
| Locating feature, shaft washer | 沒有 | |
| Handling thread holes | 沒有 | |
| Heat treatment | Standard | |
| Constricted width and inclination variation | Standard | |
| Test certificate | 沒有 |