PRODUCTS


INA
SL185052-TB-C3
Cylindrical roller bearing SL185052-TB-C3
加入詢價
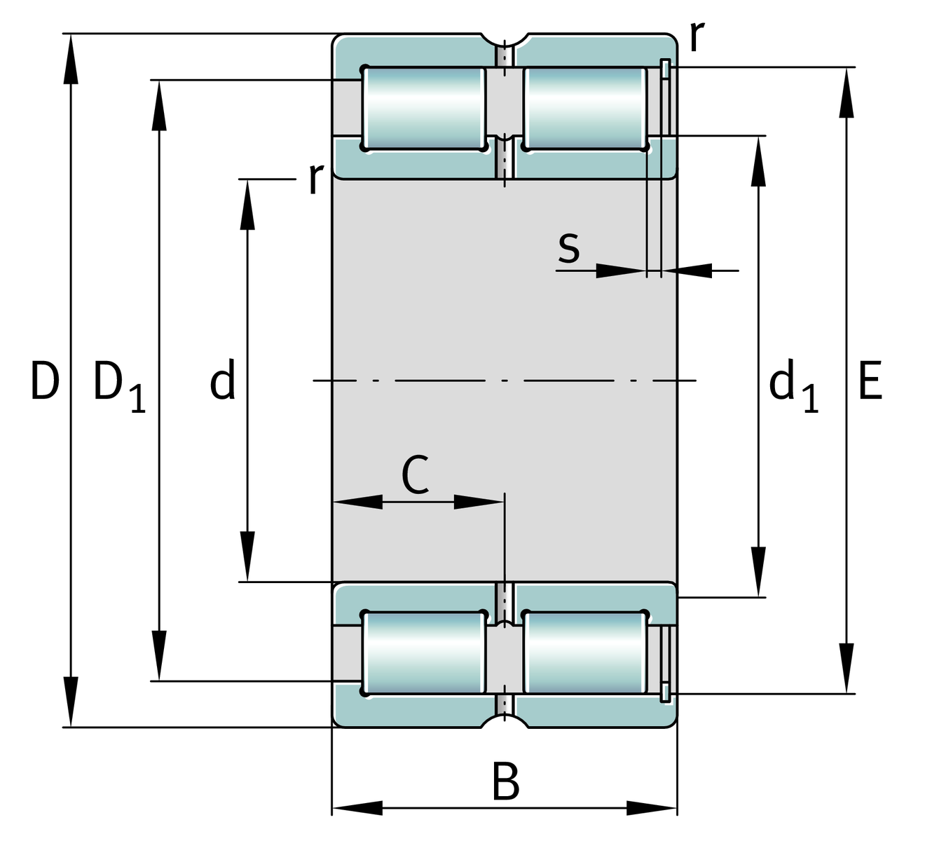
主要尺寸與性能資料
d
260 mm
內徑
D
400 mm
外徑
B
190 mm
寬度
Cr
2,750,000 N
基本額定動載荷,徑向
C0r
5,000,000 N
基本額定靜態負荷,徑向
Cur
580,000 N
疲勞負載極限,徑向
nG
940 1/min
極限轉速
nϑr
490 1/min
參考轉速
≈m
79.5 kg
重量

安裝尺寸
dc min
304 mm
最小軸肩
da min
304 mm
軸肩最小直徑
Da max
360 mm
殼肩最大直徑
ra max
4 mm
最大凹槽半徑
De min
358 mm
外殼肩部最小直徑

尺寸
rmin
4 mm
最小倒角尺寸
r1 min
4 mm
最小倒角尺寸
s
11.3 mm
軸向位移
C
95 mm
至潤滑孔距離
d1
304 mm
內圈最大擋邊直徑
D1 min
358 mm
外圈最小擋邊直徑
E
376 mm
外圈滾道直徑

溫度範圍
Tmin
-30 °C
最低工作溫度
Tmax
120 °C
最高操作溫度

您目前的產品型號
DesignTBBearings with increased axial load capacity
Radial internal clearanceC3 (Group 3)內部間隙大於CN
Tolerance classPN正常(PN)
Number of rolling element rows2雙列設計
加入詢價