PRODUCTS
- 首頁
- 產品介紹
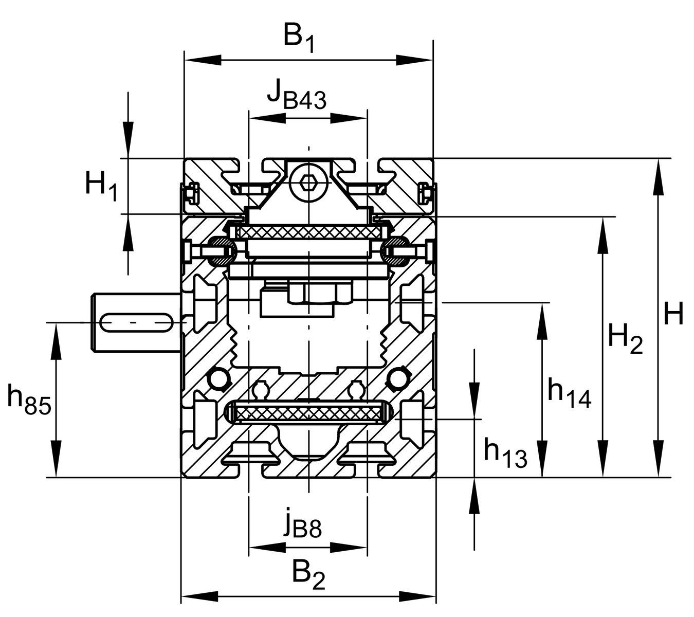
| B2 | 88 mm | Total Width |
| H | 110 mm | Total Height |
| L | 250 mm | Length of carriage |
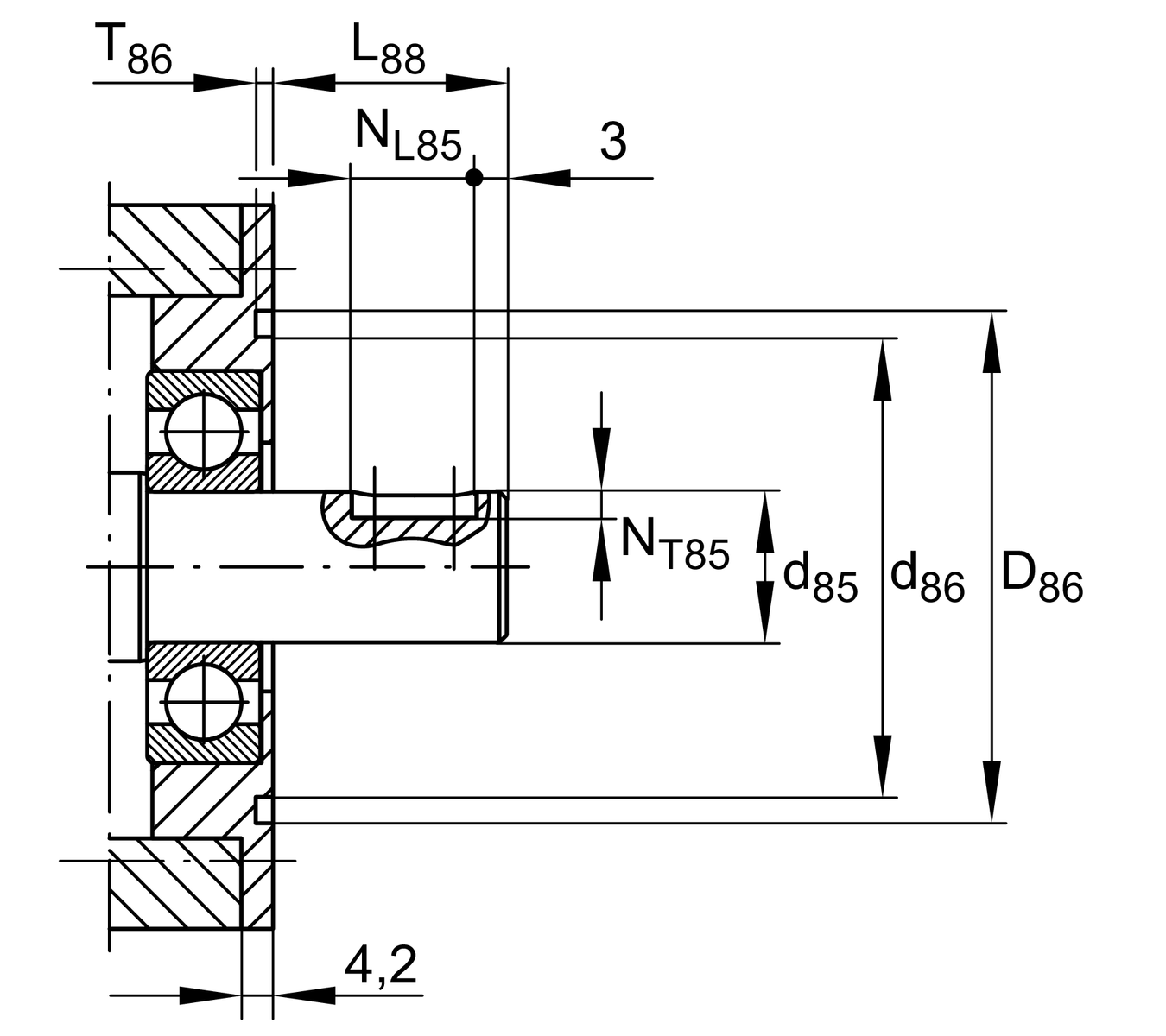
| D86 | 68 mm | |
| Tol D86 | G7 | Tolerance |
| D87 | 110 mm | ø Bolt Circle |
| d85 | 20 mm | |
| Tol d85 | h7 | Tolerance |
| d86 | 61 mm | ø Inner Fit |
| L88 | 31 mm | Length of Drive Pin |
| G87 | M6 | 線 |
| h85 | 53.4 mm | |
| JB43 | 40 mm | |
| JB8 | 40 mm | |
| l41 | 58.8 mm | 1 |
| l42 | 81.5 mm | 1 |
| NB85 | 6 mm | Width of Keyway |
| Tol NB85 | P9 | Tolerance |
| NL85 | 25 mm | Length of Keyway |
| NT85 | 3.5 mm | Depth of Keyway, Tolerance P9 |
| T86 | 2.3 mm | Depth Fit |
| Tol T86 up | 0.3 mm | 公差上限 |
| Tol T86 low | 0 mm | 較低的公差 |
| t87 max | 24 mm |
| B1 | 86 mm | Width of Carriage |
| B4 max | 89.2 mm | |
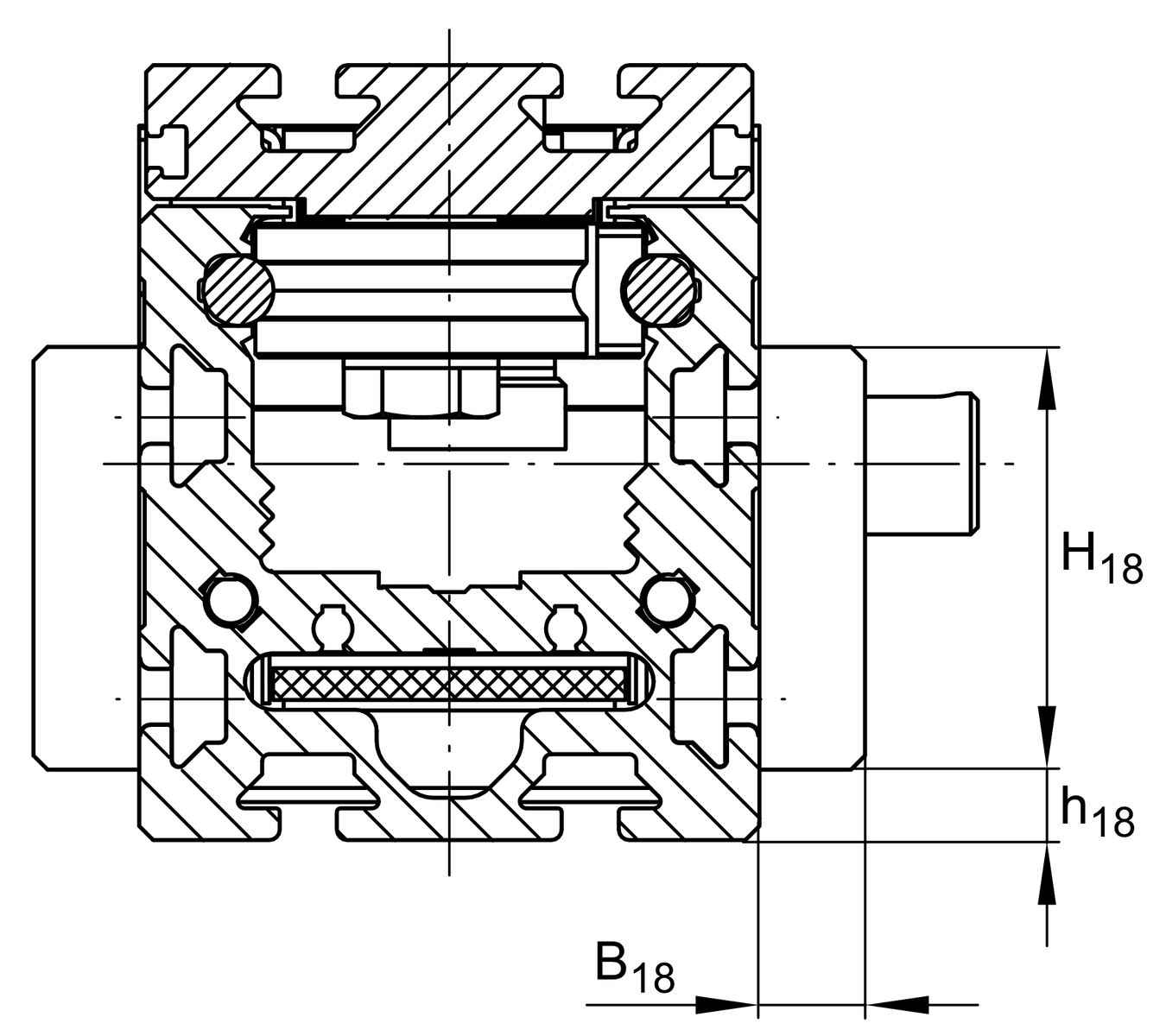
| B18 | 15 mm | |
| H1 | 19 mm | Height of Carriage |
| H2 | 90 mm | Height of Support Rail |
| H4 | 101.4 mm | Height of Return Unit |
| H18 | 60 mm | |
| h13 | 20 mm | |
| h14 | 60 mm | |
| h18 | 10 mm | |
| L1 | 260 mm | |
| L2 max | 16,000 mm | Maximum length of Support Rail |
| L4 | 97 mm | Length of Return Unit |
| L6 | 6 mm | Length of Wiper Brushes |
| L18 | 400 mm | |
| LTn min | 500 mm | Support Rail in Segments length min |
| LTn max | 8,000 mm | Support Rail in Segments length max |
| S41 | 28 mm | 1 |
| S | 85 mm | Safety Distance |
| mLAW | 2.27 kg | Mass of Carriage |
| m1 | 1.4 kg | Mass of Connecting Plates of Profiles |
| vmax | 8 m/s | Maximum Speed |
| amax | 40 m/s2 | Maximum Acceleration |
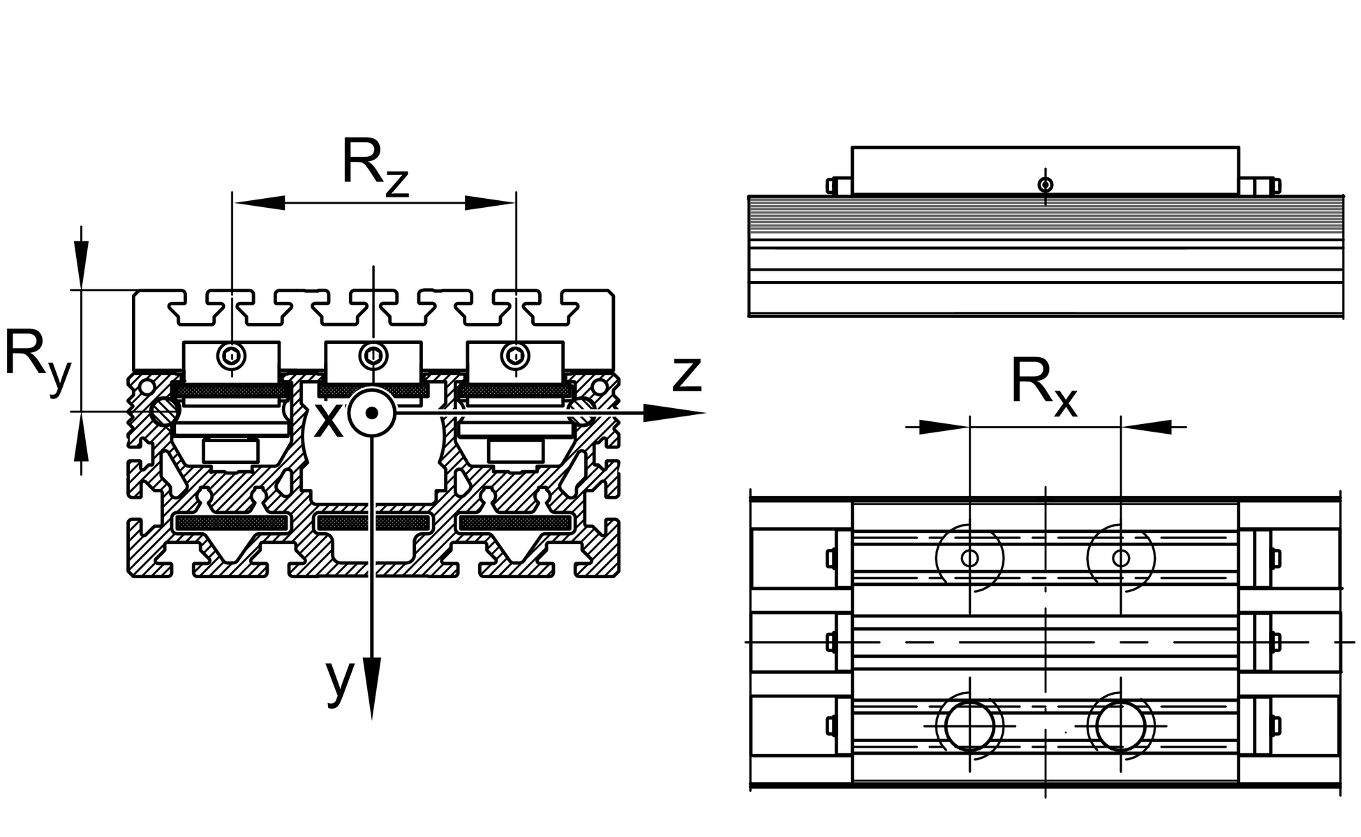
| Rx | 82.3 mm | |
| Ry | 32 mm | |
| Rz | 8.5 mm | |
| I C | 11,400 N | Load direction I: compressive load |
| I C0 | 5,200 N | Load direction I: compressive load |
| II C | 11,400 N | Load direction II: tensile load |
| II C0 | 3,520 N | Load direction II: tensile load |
| III C | 16,800 N | Load direction III: lateral load |
| III C0 | 10,000 N | Load direction III: lateral load |
| M0x per | 164 Nm | Max. permissible static moment per Carriage 2 |
| M0y per | 400 Nm | Max. permissible static moment per Carriage 2 |
| M0z per | 200 Nm | Max. permissible static moment per Carriage 2 |
| Iy | 300 cm4 | Geometrical moments of inertia of Support Rail |
| Iz | 198 cm4 | Geometrical moments of inertia of Support Rail |
68.8 Nm | Max. permissible drive torque | |
4 x LFR5201-10-2Z | Track Rollers | |
0.1 mm | Repeat Accurancy ± | |
200 mm | Feed (mm/rotation) | |
50BATK10 | Toothed Belt | |
0.3 kg/m | Mass of Toothed Belt | |
1,880 N | Permissible Toothed Belt operating force | |
5 kg*cm2 | 質量慣性矩 of Gears and Gearboxes |
| Tmin | 0 °C | Minimum operating Temperatur |
| Tmax | 80 °C | Maximum operating Temperatur |
| Size code | 50 | |
| Length of carriage | 250 | 250 mm |
| Version | C | |
| Design | LN | Low-Noise |
| Drive type | (3)ZR | Toothed belt drive |
| Additional carriage | / | No additional carriage |
| Attachment to the carriage | N | T-Slots |
| Support rail design | FA517.1 | Two-Piece |