PRODUCTS
- 首頁
- 產品介紹
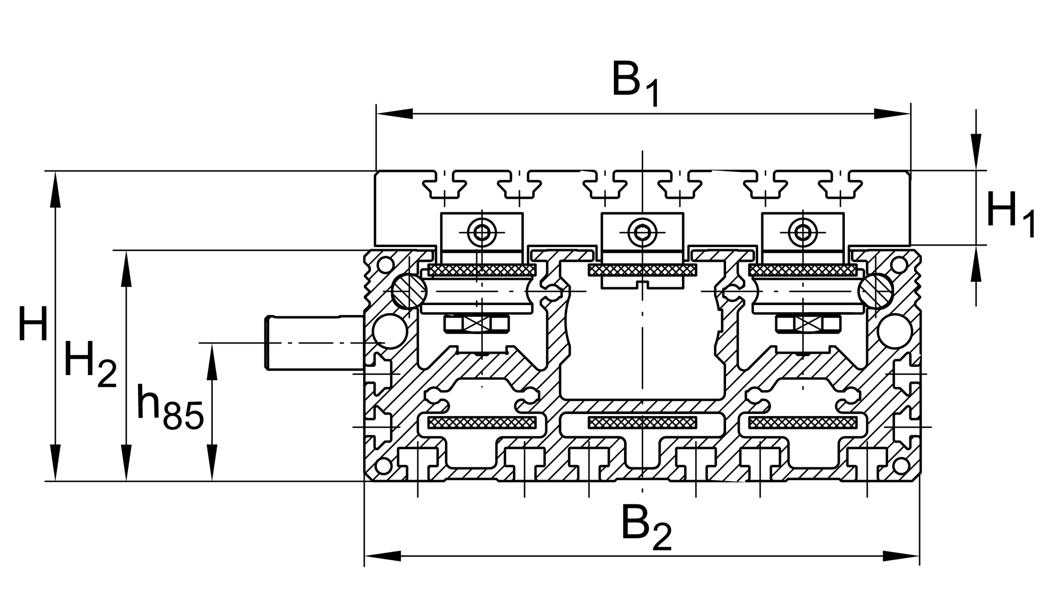
| B2 | 260 mm | Total Width |
| H | 145 mm | Total Height |
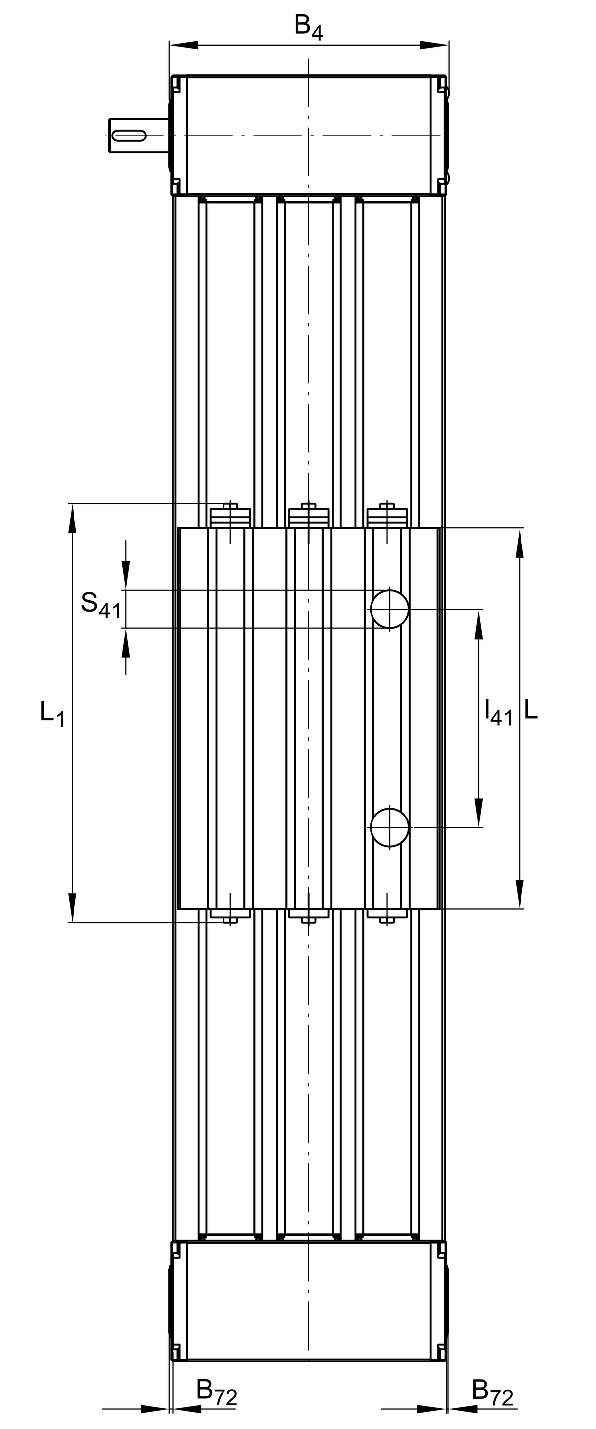
| L | 500 mm | Length of carriage |
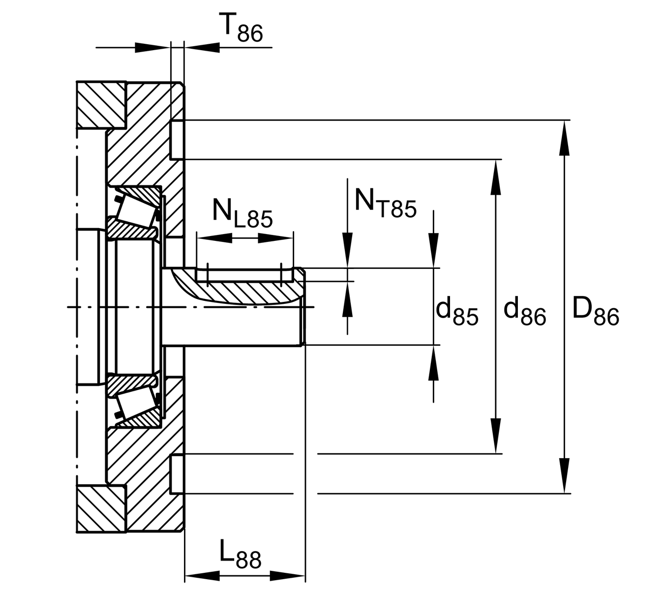
| D86 | 95 mm | |
| Tol D86 | G7 | Tolerance |
| D87 | 115 mm | ø Bolt Circle |
| d85 | 32 mm | |
| Tol d85 | h7 | Tolerance |
| d86 | 76 mm | ø Inner Fit |
| L88 | 60 mm | Length of Drive Pin |
| G87 | M8 | 線 |
| h85 | 63 mm | |
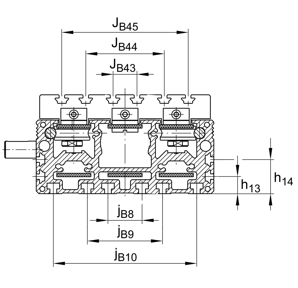
| JB43 | 35 mm | |
| JB44 | 115 mm | |
| JB45 | 185 mm | |
| JB8 | 50 mm | |
| jB9 | 110 mm | |
| jB10 | 210 mm | |
| l41 | 344 mm | 1 |
| NB85 | 10 mm | Width of Keyway |
| NL85 | 32 mm | Length of Keyway |
| NT85 | 5 mm | Depth of Keyway, Tolerance P9 |
| T86 | 4 mm | Depth Fit |
| Tol T86 up | 0.5 mm | 公差上限 |
| Tol T86 low | 0 mm | 較低的公差 |
| t87 max | 15 mm |
| B1 | 250 mm | Width of Carriage |
| B4 | 263 mm | Width of Return Unit |
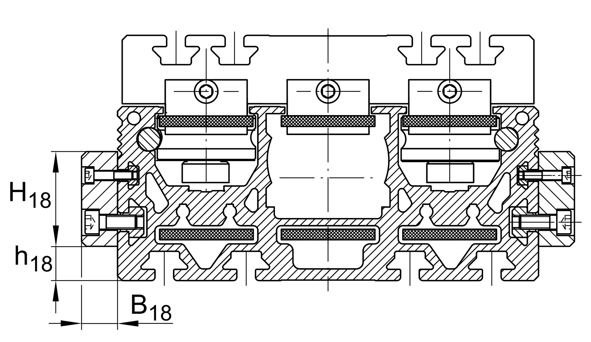
| B18 | 15 mm | |
| B72 | 2 mm | |
| H1 | 35 mm | Height of Carriage |
| H2 | 108 mm | Height of Support Rail |
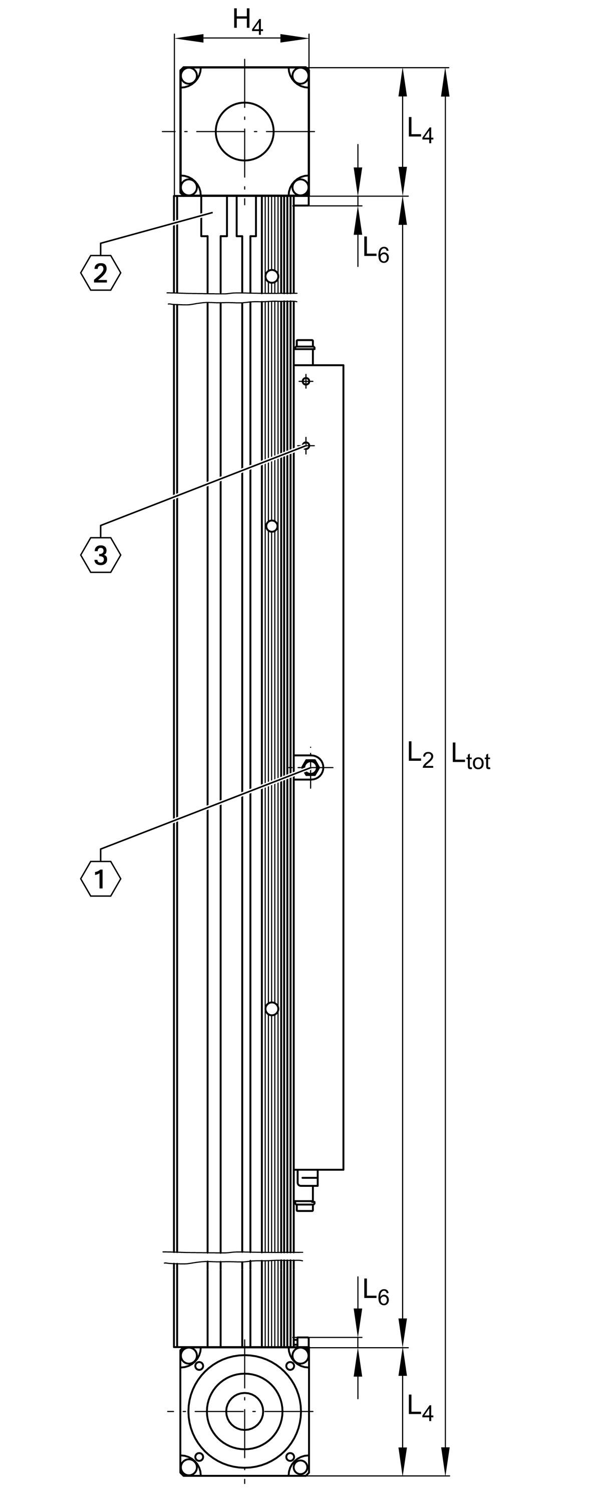
| H4 | 120.5 mm | Height of Return Unit |
| H18 | 45 mm | |
| h13 | 25 mm | |
| h14 | 50 mm | |
| h18 | 15 mm | |
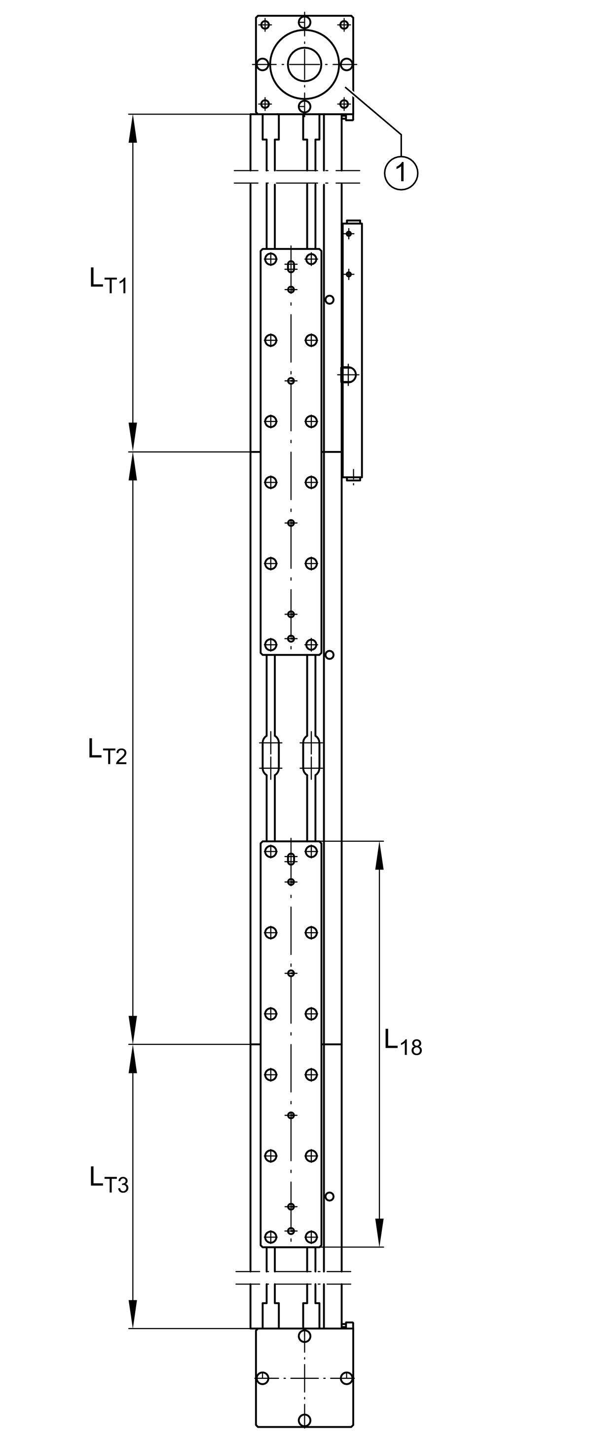
| L1 | 540 mm | |
| L2 max | 24,000 mm | Maximum length of Support Rail |
| L4 | 115.5 mm | Length of Return Unit |
| L6 | 6 mm | Length of Wiper Brushes |
| L18 | 400 mm | |
| Lx1 min | 100 mm | Minimum distance between the Carriages |
| LTn min | 500 mm | Support Rail in Segments length min |
| LTn max | 8,000 mm | Support Rail in Segments length max |
| S41 | 36.5 mm | 1 |
| S | 85 mm | Safety Distance |
| mLAW | 16.5 kg | Mass of Carriage |
| m1 | 3.68 kg | Mass of Connecting Plates of Profiles |
| m3 | 16.5 kg | Mass of additional Carriage |
| vmax | 8 m/s | Maximum Speed |
| amax | 40 m/s2 | Maximum Acceleration |
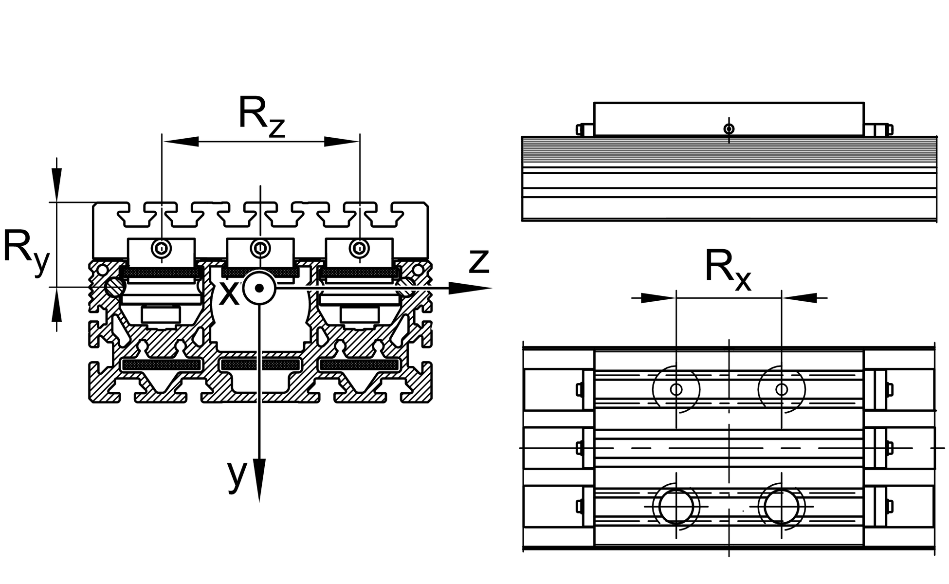
| Rx | 344 mm | |
| Ry | 56.3 mm | |
| Rz | 155 mm | |
| I C | 21,000 N | Load direction I: compressive load |
| I C0 | 9,400 N | Load direction I: compressive load |
| II C | 21,000 N | Load direction II: tensile load |
| II C0 | 9,400 N | Load direction II: tensile load |
| III C | 35,000 N | Load direction III: lateral load |
| III C0 | 19,500 N | Load direction III: lateral load |
| M0x per | 1,000 Nm | Max. permissible static moment per Carriage 2 |
| M0y per | 3,360 Nm | Max. permissible static moment per Carriage 2 |
| M0z per | 1,600 Nm | Max. permissible static moment per Carriage 2 |
| Iy | 7,069 cm4 | Geometrical moments of inertia of Support Rail |
| Iz | 899 cm4 | Geometrical moments of inertia of Support Rail |
207 Nm | Max. permissible drive torque | |
4 x LFR5204-16-2Z | Track Rollers | |
0.1 mm | Repeat Accurancy ± | |
230 mm | Feed (mm/rotation) | |
50AT10 | Toothed Belt | |
0.945 kg/m | Mass of Toothed Belt | |
5,640 N | Permissible Toothed Belt operating force | |
35.2 kg*cm2 | 質量慣性矩 of Gears and Gearboxes |
| Tmin | 0 °C | Minimum operating Temperatur |
| Tmax | 80 °C | Maximum operating Temperatur |
| Size code | 200 | |
| Length of carriage | 500 | 500 mm |
| Version | / | Standard |
| Design | / | Basis |
| Drive type | (3)ZR | Toothed belt drive |
| Additional carriage | W2 | Second, driven carriage |
| Attachment to the carriage | N | T-Slots |
| Support rail design | FA517.2 | Three-Piece |