PRODUCTS
- 首頁
- 產品介紹
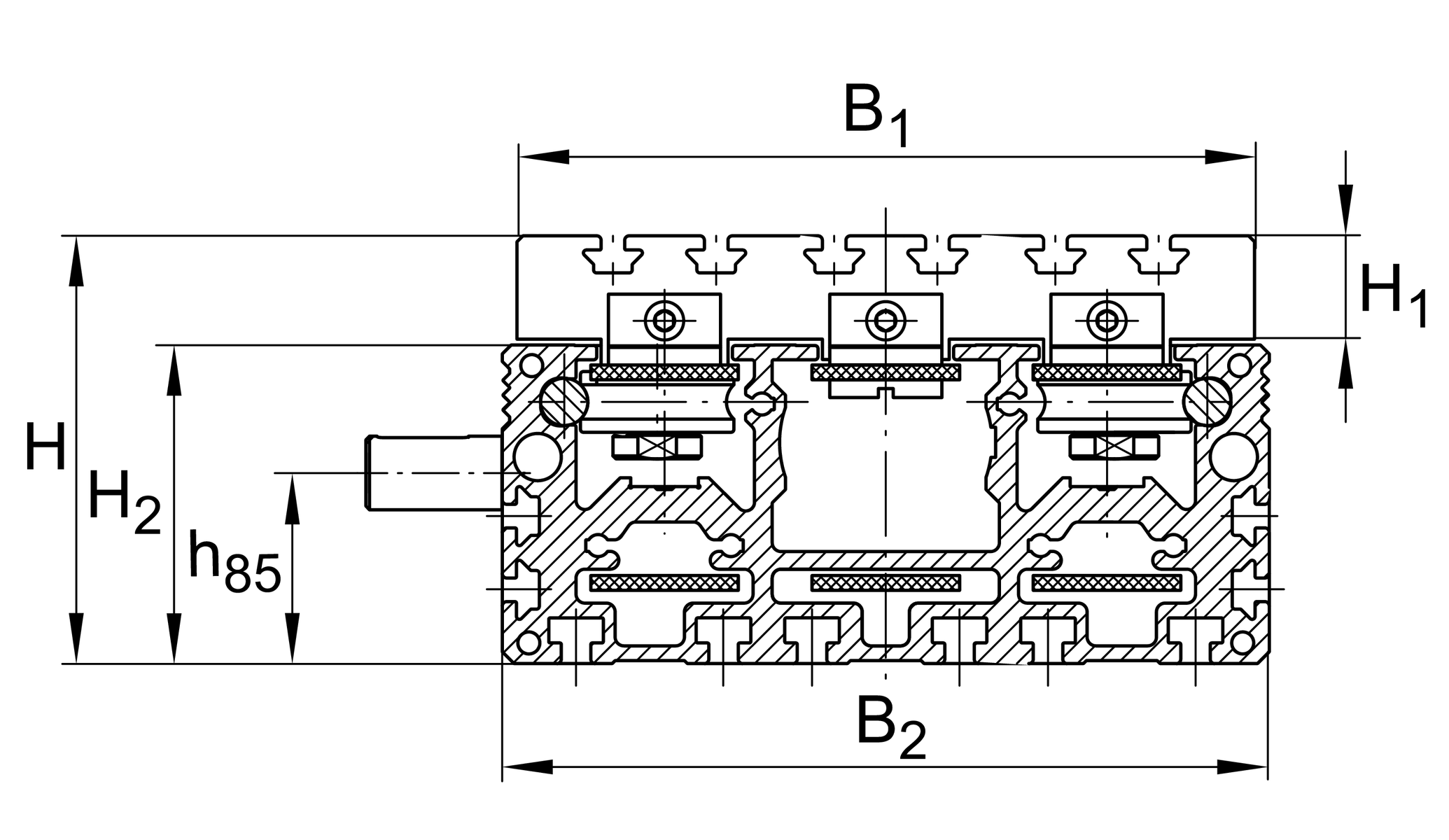
| B2 | 180 mm | Total Width |
| H | 105 mm | Total Height |
| L | 500 mm | Length of carriage |
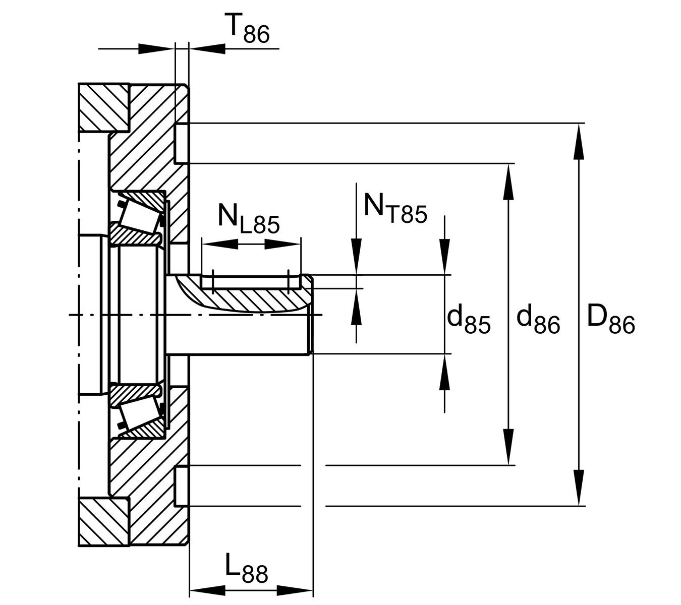
| D86 | 70 mm | |
| Tol D86 | G7 | Tolerance |
| D87 | 80 mm | ø Bolt Circle |
| d85 | 25 mm | |
| Tol d85 | h7 | Tolerance |
| d86 | 61 mm | ø Inner Fit |
| L88 | 45 mm | Length of Drive Pin |
| G87 | M6 | 線 |
| h85 | 44 mm | |
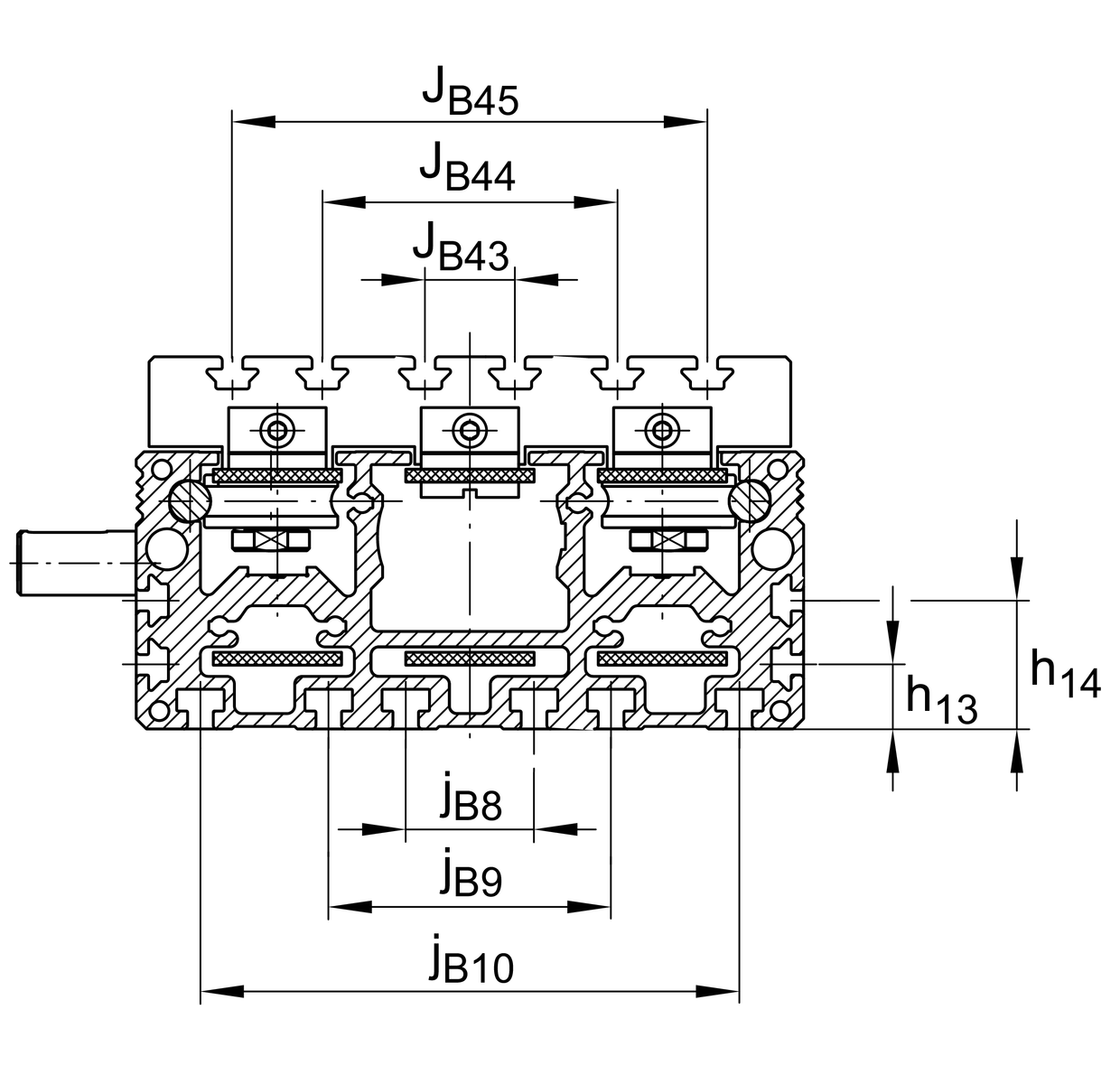
| JB43 | 80 mm | |
| JB44 | 130 mm | |
| JB8 | 70 mm | |
| jB9 | 140 mm | |
| l41 | 354 mm | 1 |
| NB85 | 8 mm | Width of Keyway |
| Tol NB85 | P9 | Tolerance |
| NL85 | 25 mm | Length of Keyway |
| NT85 | 4 mm | Depth of Keyway, Tolerance P9 |
| T86 | 2.3 mm | Depth Fit |
| Tol T86 up | 0.3 mm | 公差上限 |
| Tol T86 low | 0 mm | 較低的公差 |
| t87 max | 12 mm |
| B1 | 176 mm | Width of Carriage |
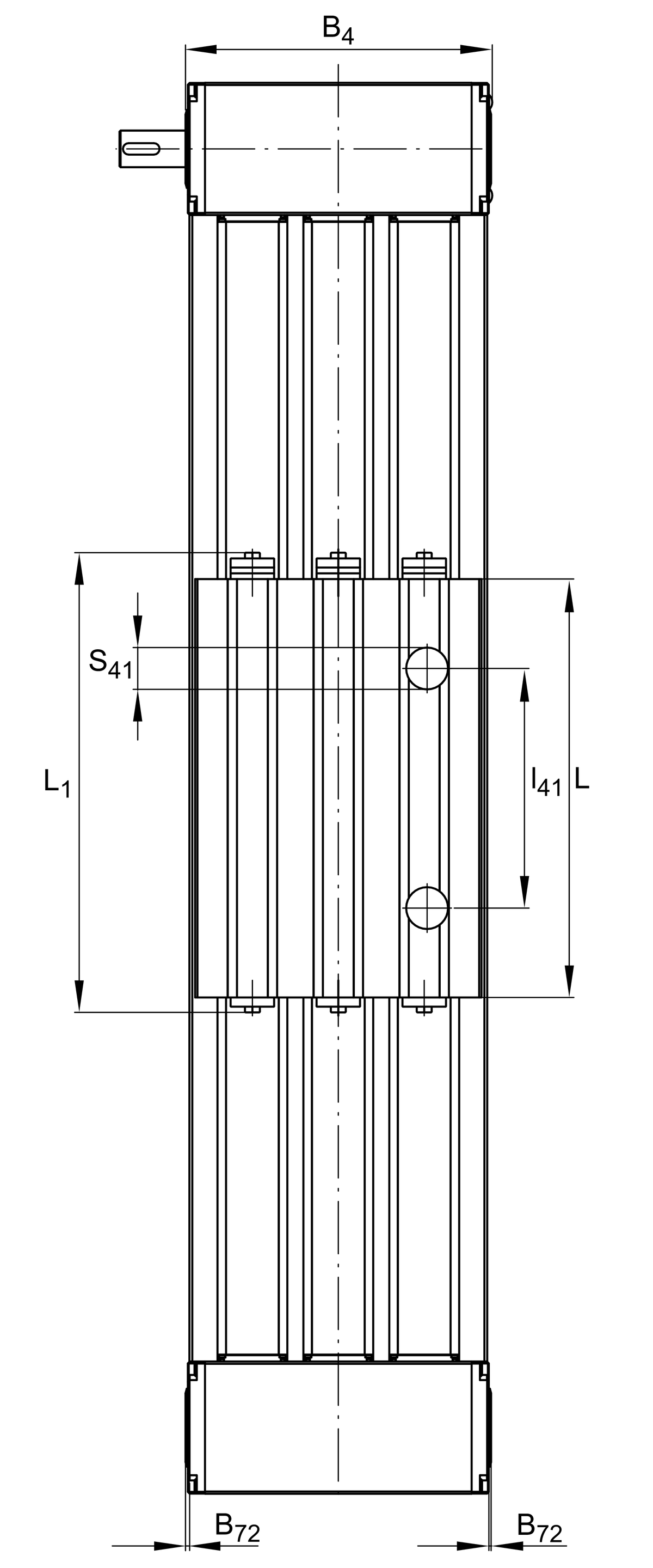
| B4 | 195 mm | Width of Return Unit |
| B72 | 2 mm | |
| H1 | 29.3 mm | Height of Carriage |
| H2 | 74.5 mm | Height of Support Rail |
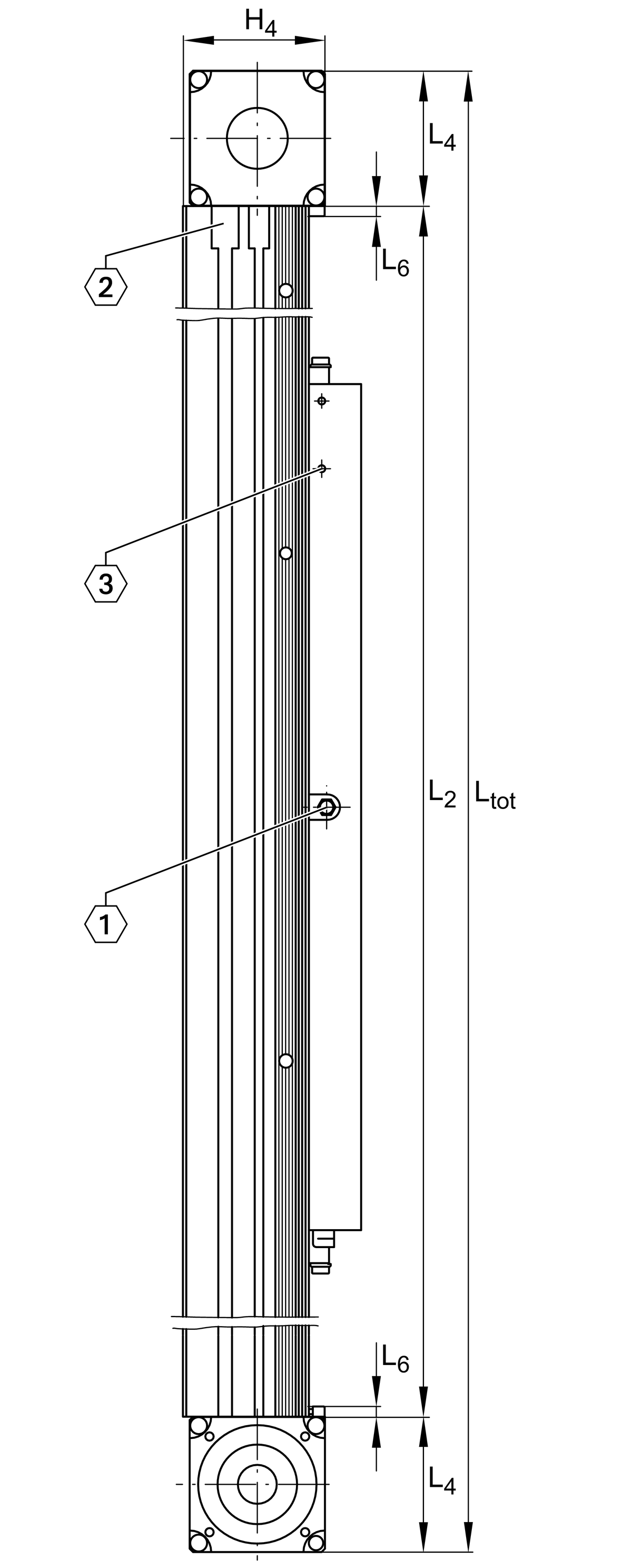
| H4 | 84 mm | Height of Return Unit |
| h13 | 25 mm | |
| h14 | 45 mm | |
| L1 | 542 mm | |
| L2 max | 8,000 mm | Maximum length of Support Rail |
| L4 | 80 mm | Length of Return Unit |
| L6 | 6 mm | Length of Wiper Brushes |
| S41 | 30 mm | 1 |
| S | 85 mm | Safety Distance |
| mLAW | 8.87 kg | Mass of Carriage |
| vmax | 8 m/s | Maximum Speed |
| amax | 40 m/s2 | Maximum Acceleration |
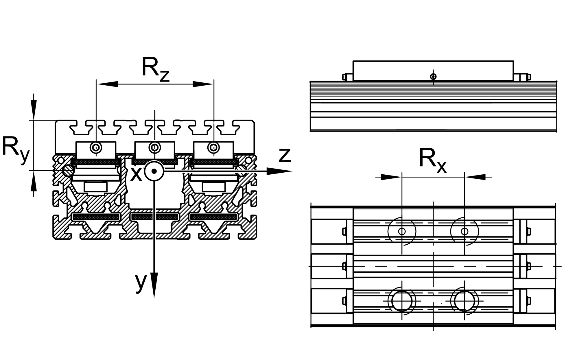
| Rx | 354 mm | |
| Ry | 44.5 mm | |
| Rz | 104.5 mm | |
| I C | 17,500 N | Load direction I: compressive load |
| I C0 | 8,000 N | Load direction I: compressive load |
| II C | 17,500 N | Load direction II: tensile load |
| II C0 | 8,000 N | Load direction II: tensile load |
| III C | 27,600 N | Load direction III: lateral load |
| III C0 | 14,800 N | Load direction III: lateral load |
| M0x per | 610 Nm | Max. permissible static moment per Carriage 2 |
| M0y per | 2,630 Nm | Max. permissible static moment per Carriage 2 |
| M0z per | 1,450 Nm | Max. permissible static moment per Carriage 2 |
| Iy | 1,636 cm4 | Geometrical moments of inertia of Support Rail |
| Iz | 200 cm4 | Geometrical moments of inertia of Support Rail |
115 Nm | Max. permissible drive torque | |
4 x LFR5301-10-2Z | Track Rollers | |
0.1 mm | Repeat Accurancy ± | |
160 mm | Feed (mm/rotation) | |
40AT10 | Toothed Belt | |
0.75 kg/m | Mass of Toothed Belt | |
4,500 N | Permissible Toothed Belt operating force | |
8.2 kg*cm2 | 質量慣性矩 of Gears and Gearboxes |
| Tmin | 0 °C | Minimum operating Temperatur |
| Tmax | 80 °C | Maximum operating Temperatur |
| Size code | 140 | |
| Length of carriage | 500 | 500 mm |
| Version | / | Standard |
| Design | / | Basis |
| Drive type | (3)ZR | Toothed belt drive |
| Additional carriage | / | No additional carriage |
| Attachment to the carriage | N | T-Slots |
| Support rail design | / | One-piece |