PRODUCTS
- 首頁
- 產品介紹
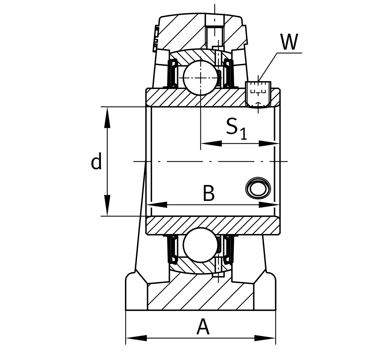
| d | 42.863 mm | 內徑 |
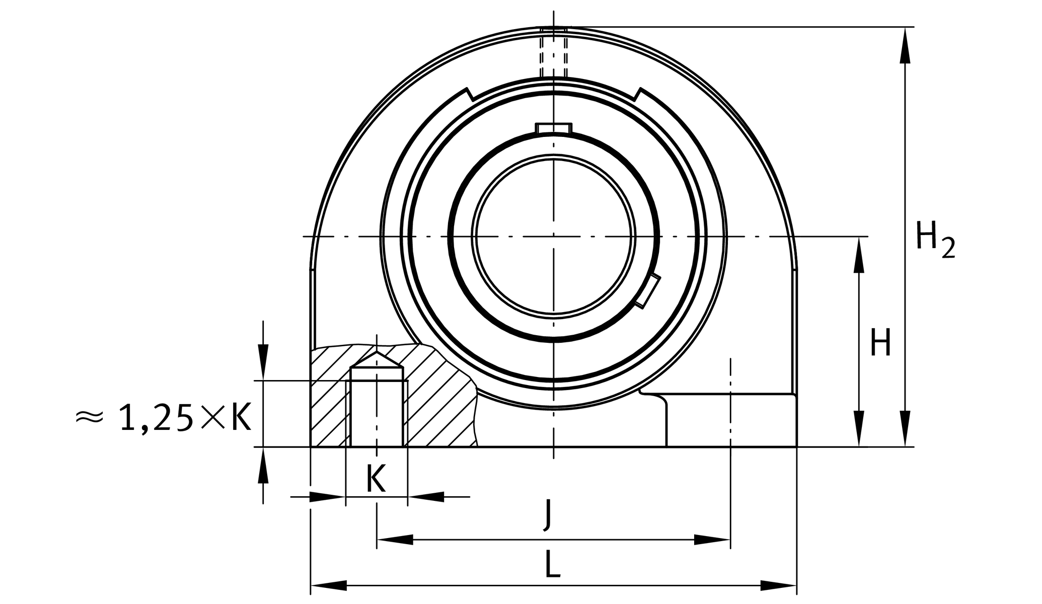
| L | 120 mm | Length total |
| H2 | 108 mm | 高度 |
| ≈m | 2.265 kg | 重量 |
| J | 90 mm | 固定內孔距離 |
| K | M14 | Thread 固定內徑 |
| H | 54.2 mm | Distance shaft axis |
| A | 54 mm | Width (base) |
| Q | M6 | 用於潤滑的連接螺紋 |
| B | 49.2 mm | Width of inner ring |
| S1 | 30.2 mm | Distance of raceway to locking collar |
PA209 | 軸承座 | |
UC209-27 | 軸承型號 |
| Tmin | -20 °C | 最低工作溫度 |
| Tmax | 120 °C | 最高操作溫度 |
| Material | GG | 灰鑄鐵 |
| 軸承座 clearance | J7 | Normal swivel torque |
| Dummy | GG | cast iron |