PRODUCTS
- 首頁
- 產品介紹
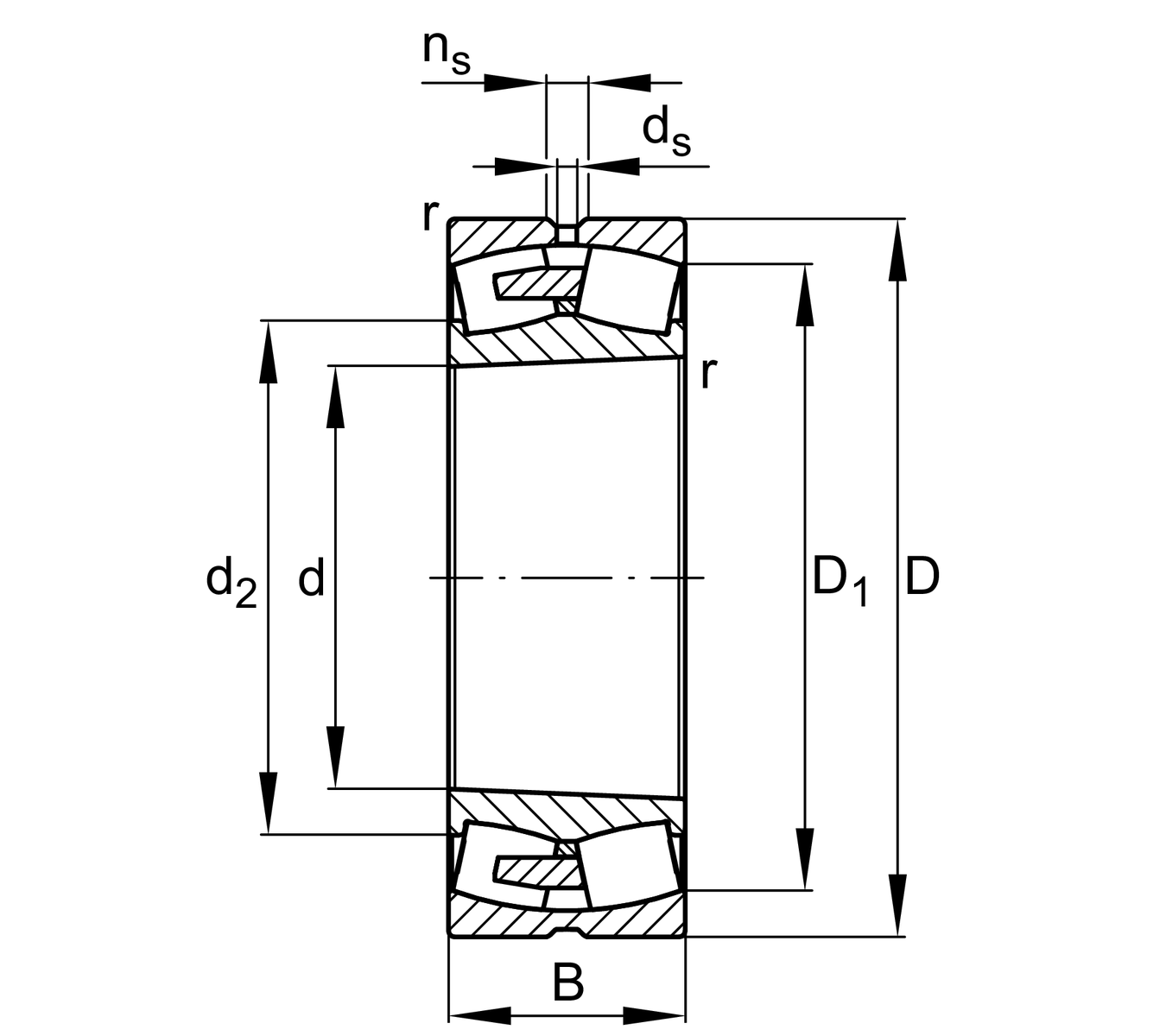
| d | 560 mm | 內徑 |
| D | 920 mm | 外徑 |
| B | 280 mm | 寬度 |
| Cr | 9,700,000 N | 基本額定動載荷,徑向 |
| C0r | 16,400,000 N | 基本額定靜態負荷,徑向 |
| Cur | 1,060,000 N | 疲勞負載極限,徑向 |
| nG | 630 1/min | 極限轉速 |
| nϑr | 300 1/min | 參考轉速 |
| ≈m | 716 kg | 重量 |
| da min | 592 mm | 軸肩最小直徑 |
| Da max | 888 mm | 殼肩最大直徑 |
| ra max | 6 mm | 最大凹槽半徑 |
| da max | 644 mm | 軸肩最大直徑 |
| db min | 589 mm | 套筒最小內腔直徑 |
| Ba min | 18 mm | 套筒最小空腔寬度 |
| rmin | 7.5 mm | 最小倒角尺寸 |
| D1 | 806.6 mm | 外圈內徑 |
| ds | 12.5 mm | 潤滑孔直徑 |
| ns | 23.5 mm | 潤滑溝寬度 |
| Tmin | -30 °C | 最低工作溫度 |
| Tmax | 200 °C | 最高操作溫度 |
| e | 0.29 | Fa/Fr對於差分的適用性的限制值。 X 和 Y 參數 |
| Y1 | 2.32 | 動態軸向負載係數 |
| Y2 | 3.45 | 動態軸向負載係數 |
| Y0 | 2.26 | 靜態軸向負荷係數 |
H31/560-HG | 緊定套 | |
AH31/560A-H | 退卸套 |
| Design | BEA | 無中心唇環 |
| Bore type | K | 錐度,錐度1:12 |
| Cage | MB1 | 黃銅實體保持架 |
| Radial internal clearance | C3 (Group 3) | 內部間隙大於CN |
| Relubrication feature | Standard |