PRODUCTS


INA
MLF52-500-E-ZR-WN2-FA517.2-FBALG
Linear actuator MLF52-500-E-ZR-WN2-FA517.2-FBALG
加入詢價
主要尺寸與性能資料
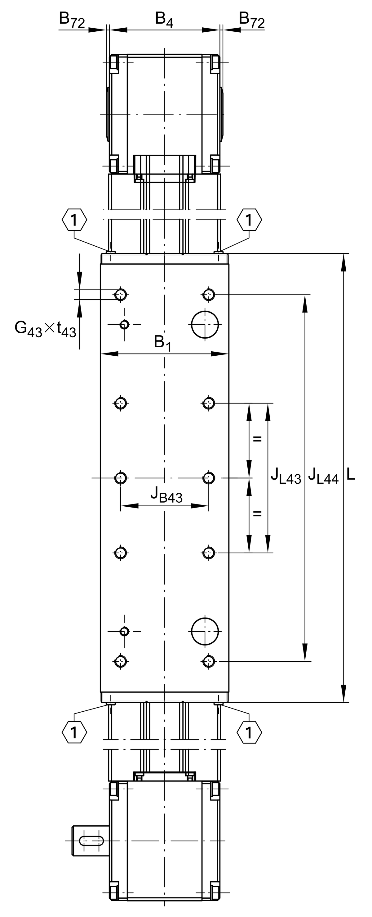
B1
145 mm
Total Width
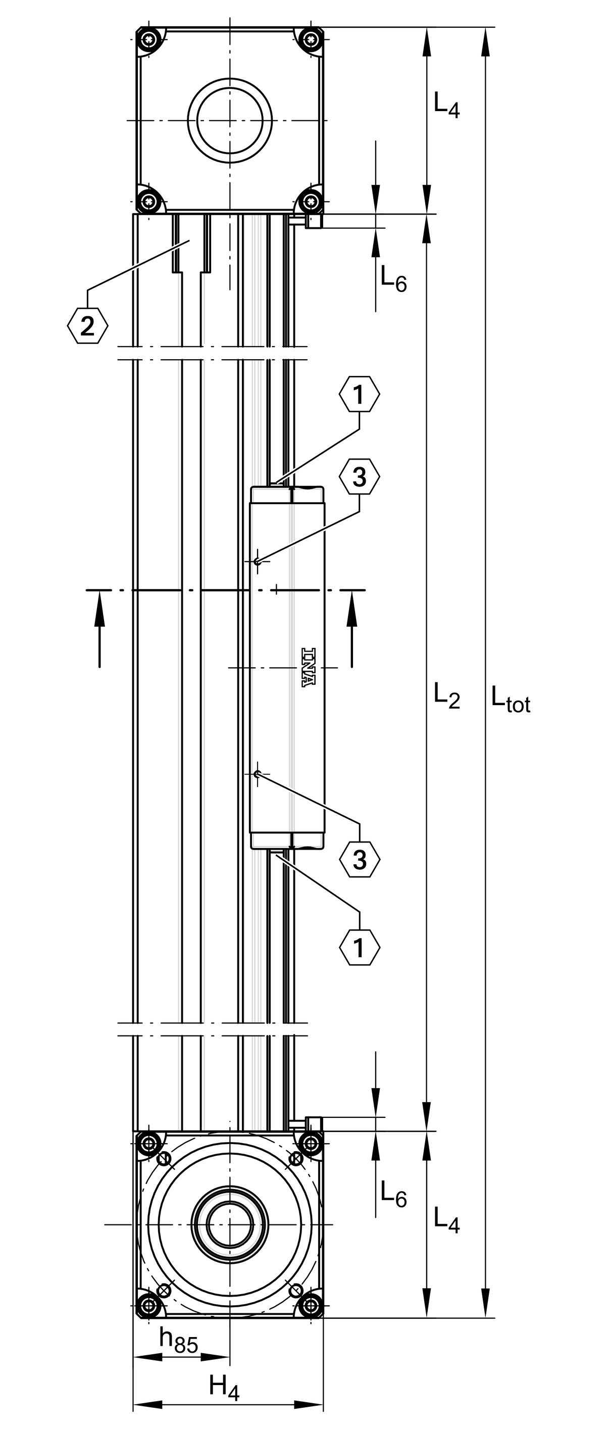
H
125 mm
高度
L
500 mm
長度

安裝尺寸
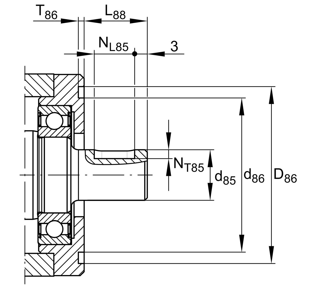
D86
95 mm
D87
115 mm
ø Bolt circle
d85
20 mm
d86
76 mm
ø Inner Fit
L88
31 mm
G43
M10
G87
M8
h85
60.6 mm
JB43
105 mm
JL43
160 mm
Tolerance ±0,2
JL44
415 mm
jB8
80 mm
NB85
6 mm
Width of Keyway
NL85
25 mm
Length of Keyway
NT85
3.5 mm
Depth of Keyway
T86
4 mm
Depth Fit
Tol T86 up
0.5 mm
公差上限
Tol T86 low
0 mm
較低的公差
t43 max
24 mm
Depth of Thread
t87 max
15 mm

尺寸
B2
112 mm
Width of Support Rail
B4
111 mm
Width of Return Unit
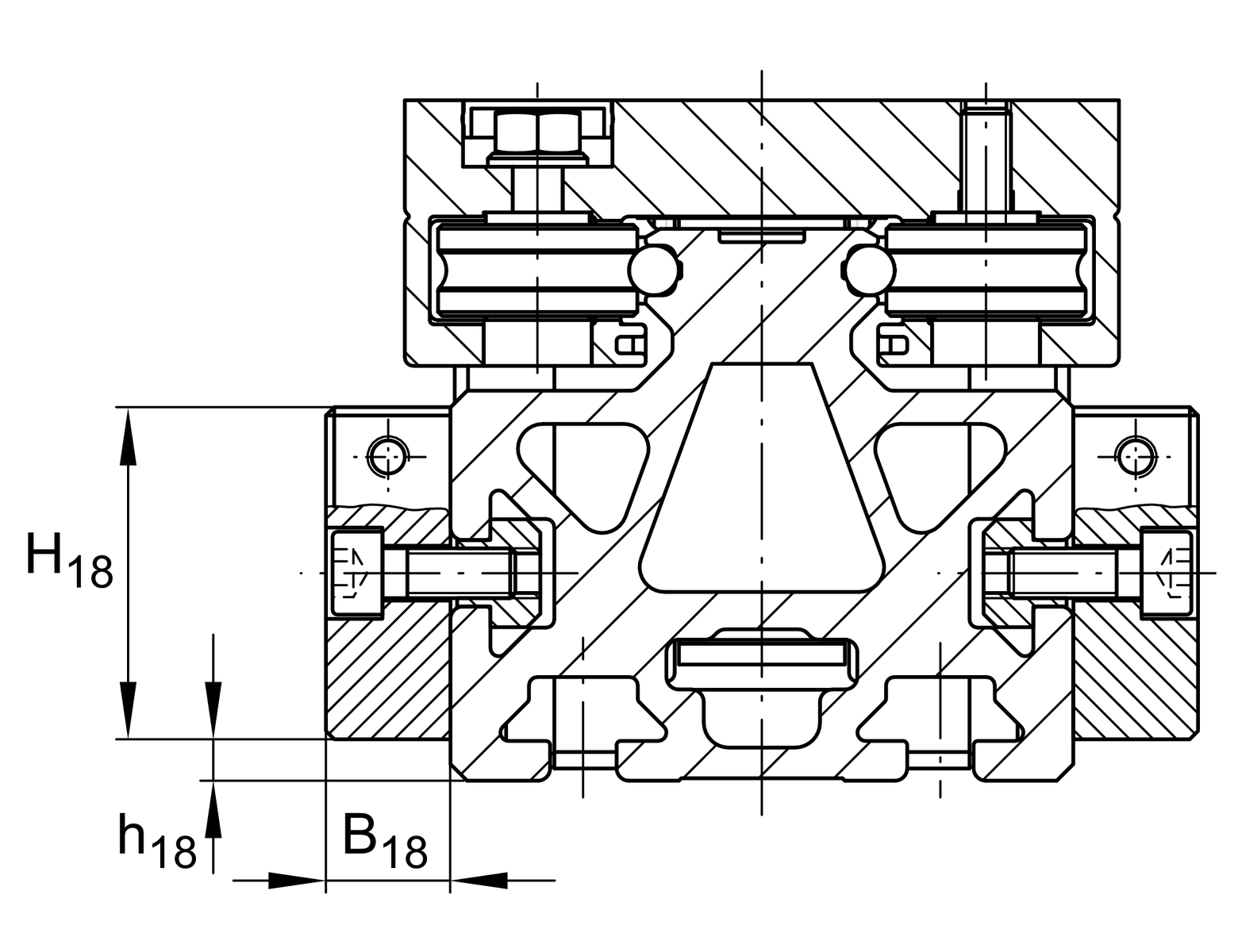
B18
15 mm
B72
2 mm
H1
53.8 mm
H2
98.6 mm
高度
H4
118.3 mm
Height of Return Unit
H7
65.4 mm
H18
45 mm
h13
25 mm
h14
50 mm
h18
15 mm
L2 max
24,000 mm
Maximum length of Support Rail
L4
115.5 mm
L18
400 mm
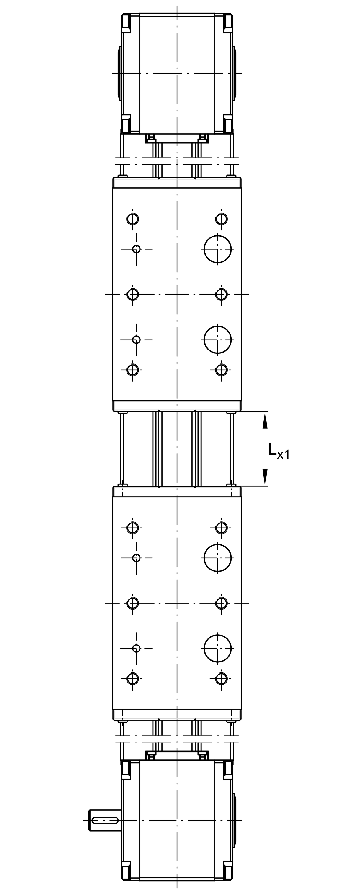
Lx1 min
20 mm
Minimum distance between the Carriages
LTn min
500 mm
Support Rail in Segments length min
LTn max
8,000 mm
Support Rail in Segments length max
FBL
1.37
Effective length factor of bellow
S
85 mm
dimension

科技數據
mLAW
6.67 kg
Mass of Carriage
m1
3.68 kg
Mass of Connecting Plates of Profiles
m3
6.67 kg
Mass of additional Carriage
vmax
8 m/s
Maximum Speed
amax
40 m/s2
Maximum Acceleration
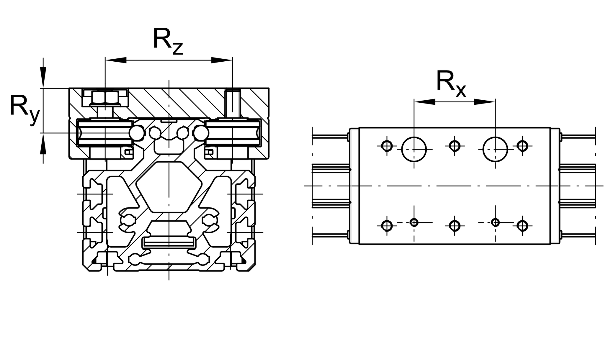
Rx
360 mm
Ry
35.3 mm
Rz
90 mm
I C
17,800 N
Load direction I: compressive load
I C0
8,900 N
Load direction I: compressive load
II C
17,800 N
Load direction II: tensile load
II C0
8,900 N
Load direction II: tensile load
III C
28,400 N
Load direction III: lateral load
III C0
15,500 N
Load direction III: lateral load
M0x per
180 Nm
Max. permissible static moment per Carriage 1
M0y per
2,750 Nm
Max. permissible static moment per Carriage 1
M0z per
1,700 Nm
Max. permissible static moment per Carriage 1
Iy
386 cm4
Geometrical moments of inertia of Support Rail 2
Iz
301 cm4
Geometrical moments of inertia of Support Rail 2

附加資訊
73.5 Nm
Max. permissible drive torque
4 x LFR5301-10-2Z
Track Rollers
0.1 mm
Repeat Accurancy ±
270 mm
Feed (mm/rotation)
32AT10
Toothed Belt
0.2 kg/m
Mass of Toothed Belt
1,750 N
Permissible Toothed Belt operating force
12.6 kg*cm2
質量慣性矩 of Gears

溫度範圍
Tmin
0 °C
Minimum operating Temperatur
Tmax
80 °C
Maximum operating Temperatur

您目前的產品型號
Size code52
Length of carriage500500 mm
Carriage designEStrengthened carriage
Drive type(3)ZRToothed belt drive
Additional carriageWN2Second, non-driven carriage
Support rail designFA517.2Three-piece
BellowFBALGYes
加入詢價