PRODUCTS
- 首頁
- 產品介紹
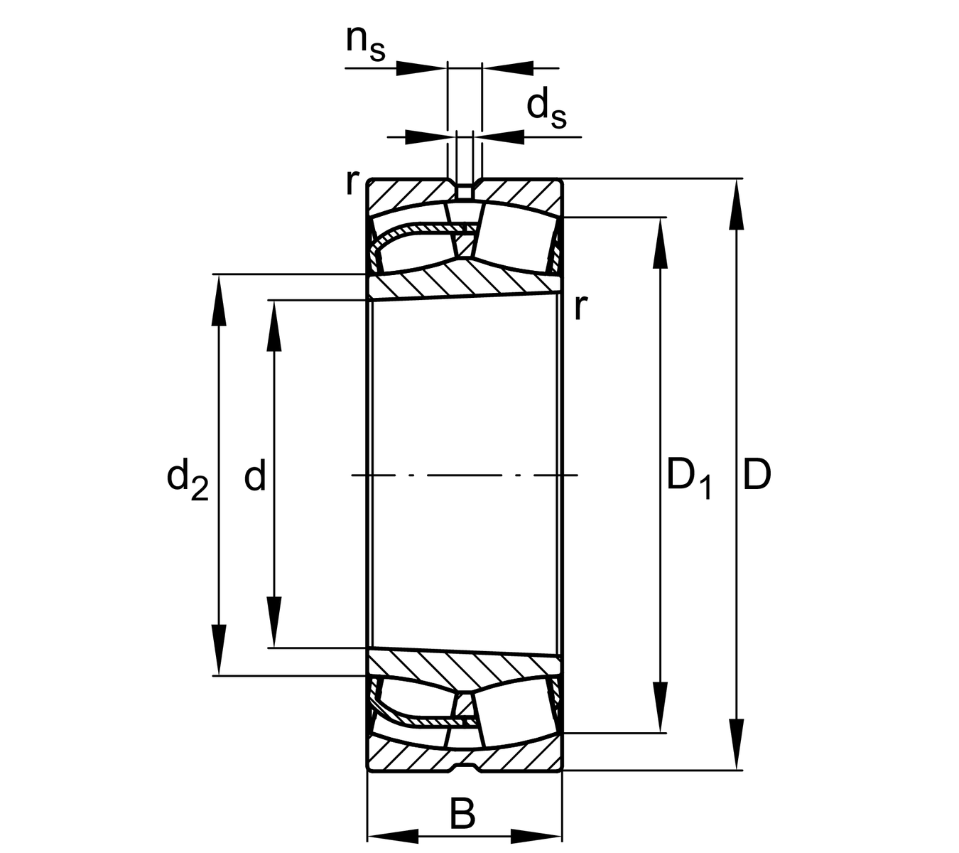
| d | 260 mm | 內徑 |
| D | 400 mm | 外徑 |
| B | 140 mm | 寬度 |
| Cr | 2,210,000 N | 基本額定動載荷,徑向 |
| C0r | 3,650,000 N | 基本額定靜態負荷,徑向 |
| Cur | 345,000 N | 疲勞負載極限,徑向 |
| nG | 1,510 1/min | 極限轉速 |
| nϑr | 880 1/min | 參考轉速 |
| ≈m | 61.93 kg | 重量 |
| da min | 274.6 mm | 軸肩最小直徑 |
| Da max | 385.4 mm | 殼肩最大直徑 |
| ra max | 3 mm | 最大凹槽半徑 |
| rmin | 4 mm | 最小倒角尺寸 |
| D1 | 349 mm | 外圈內徑 |
| d2 | 288.3 mm | 內圈的滾道直徑 |
| ds | 6.3 mm | 潤滑孔直徑 |
| ns | 12.2 mm | 潤滑溝寬度 |
| Tmin | -30 °C | 最低工作溫度 |
| Tmax | 200 °C | 最高操作溫度 |
| e | 0.32 | Fa/Fr對於差分的適用性的限制值。 X 和 Y 參數 |
| Y1 | 2.09 | 動態軸向負載係數 |
| Y2 | 3.11 | 動態軸向負載係數 |
| Y0 | 2.04 | 靜態軸向負荷係數 |
AH24052 | 退卸套 |
| Design | BE | 無中心唇環 |
| Bore type | K30 | Tapered, taper 1:30 |
| Cage | JPB | 金屬板保持架 |
| Radial internal clearance | CN (Group N) | 正常內部間隙 |
| Relubrication feature | Standard |