PRODUCTS


INA
MLF52-500-E-ZR-WN2
Linear actuator MLF52-500-E-ZR-WN2
加入詢價
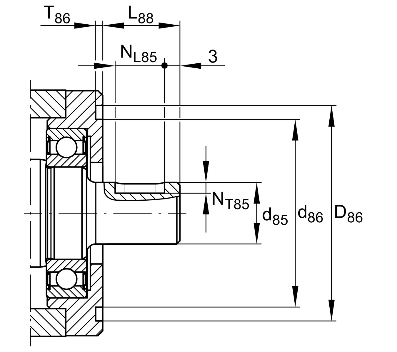
主要尺寸與性能資料
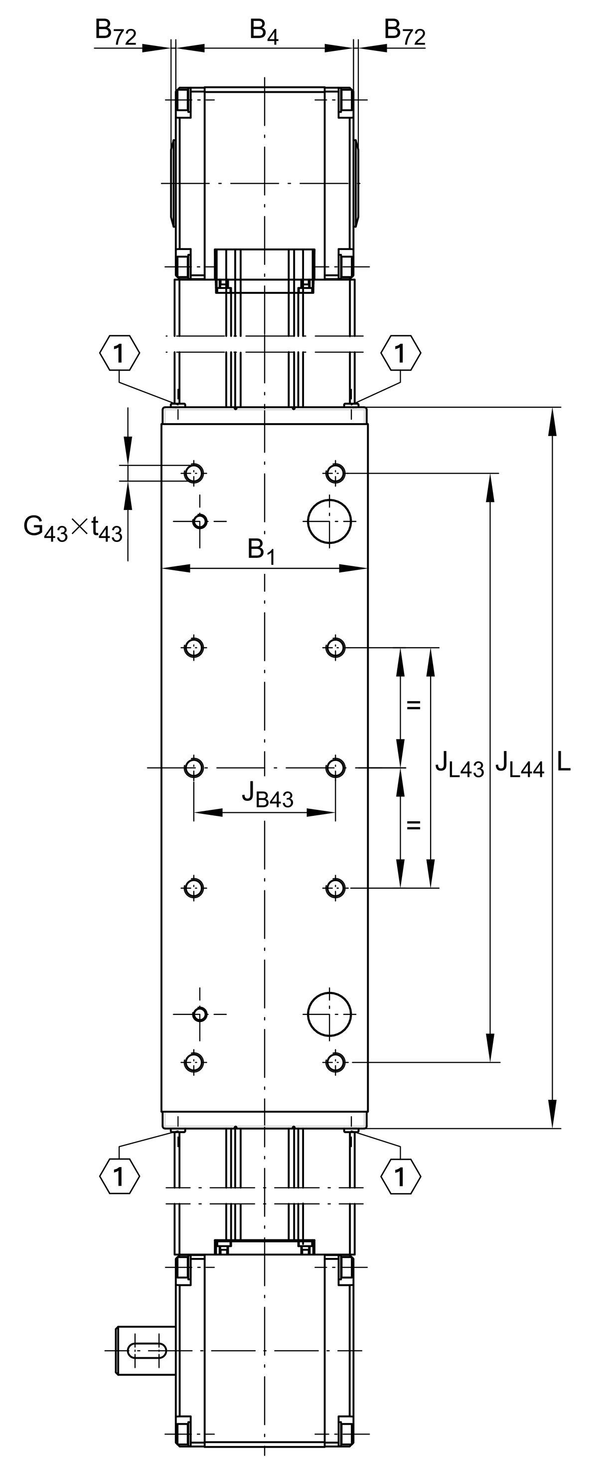
B1
145 mm
Total Width
H
125 mm
高度
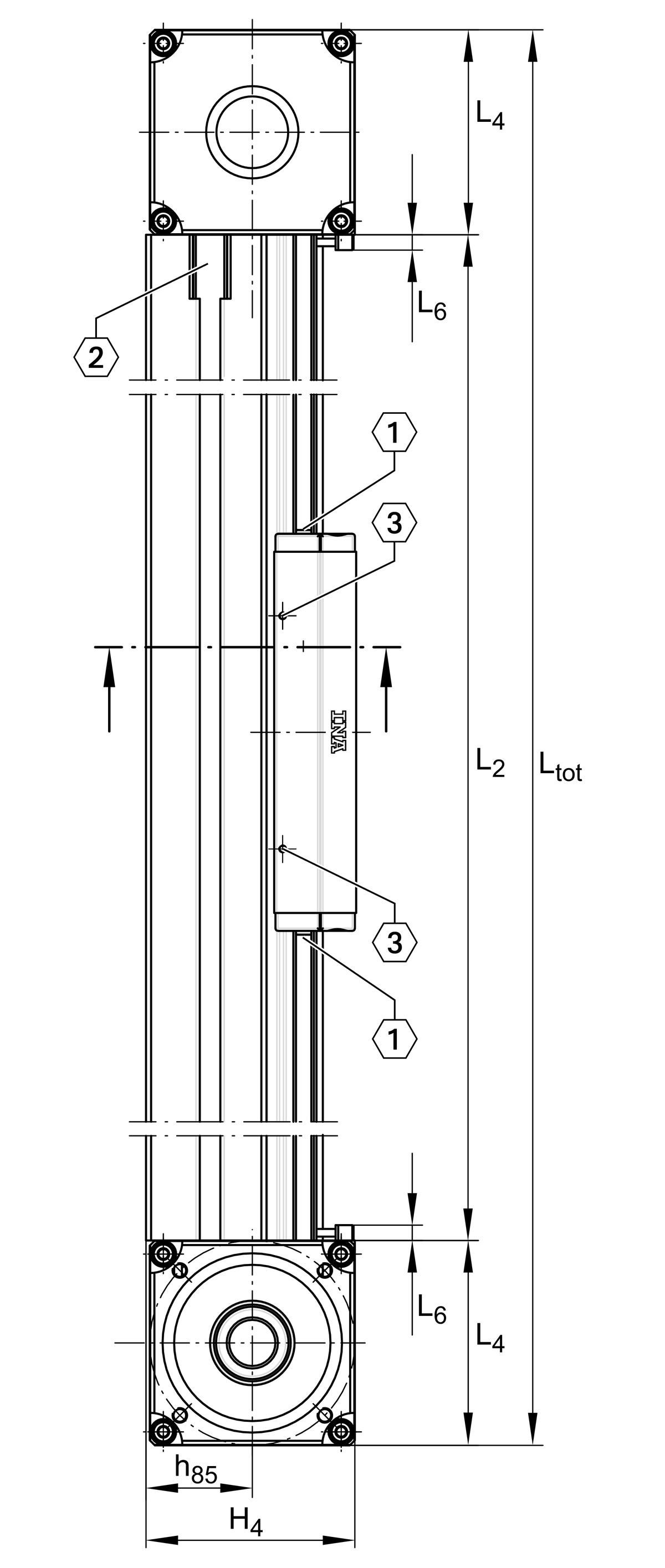
L
500 mm
長度

安裝尺寸
D86
95 mm
D87
115 mm
ø Bolt circle
d85
20 mm
d86
76 mm
ø Inner Fit
L88
31 mm
G43
M10
G87
M8
h85
60.6 mm
JB43
105 mm
JL43
160 mm
Tolerance ±0,2
JL44
415 mm
jB8
80 mm
NB85
6 mm
Width of Keyway
NL85
25 mm
Length of Keyway
NT85
3.5 mm
Depth of Keyway
T86
4 mm
Depth Fit
Tol T86 up
0.5 mm
公差上限
Tol T86 low
0 mm
較低的公差
t43 max
24 mm
Depth of Thread
t87 max
15 mm

尺寸
B2
112 mm
Width of Support Rail
B4
111 mm
Width of Return Unit
B72
2 mm
H1
53.8 mm
H2
98.6 mm
高度
H4
118.3 mm
Height of Return Unit
H7
65.4 mm
h13
25 mm
h14
50 mm
L2 max
8,000 mm
Maximum length of Support Rail
L4
115.5 mm
L6
6 mm
Length of Wiper Brushes
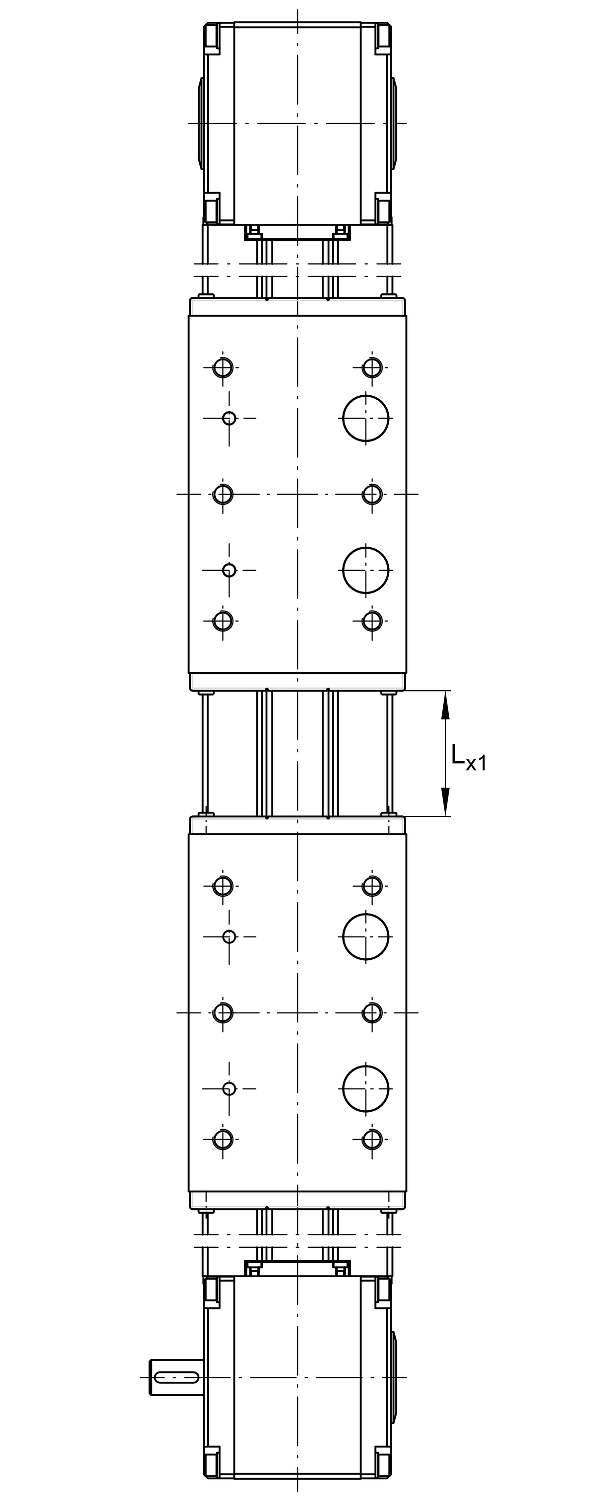
Lx1 min
5 mm
Minimum distance between the Carriages
S
85 mm
dimension

科技數據
mLAW
6.67 kg
Mass of Carriage
m3
6.67 kg
Mass of additional Carriage
vmax
8 m/s
Maximum Speed
amax
40 m/s2
Maximum Acceleration
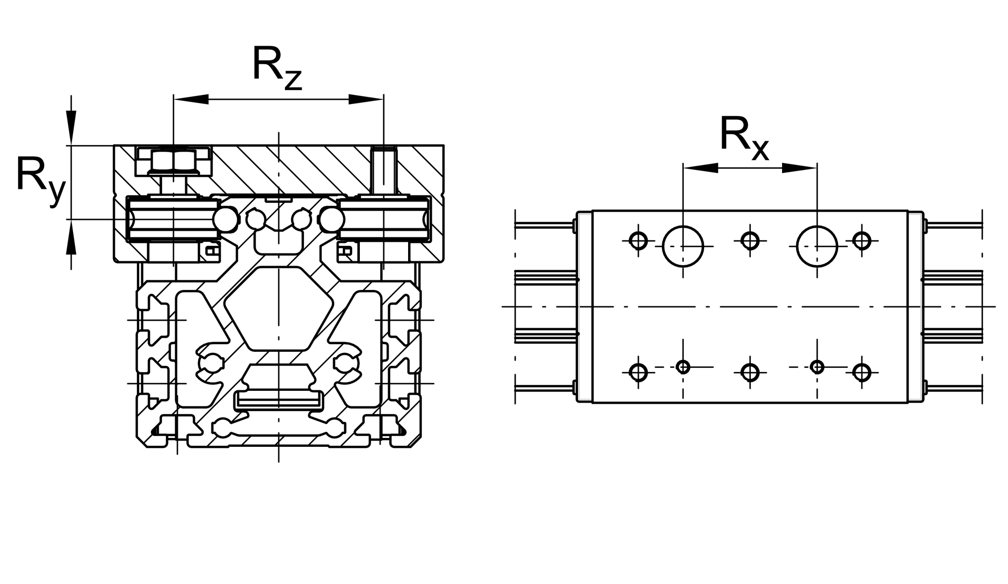
Rx
360 mm
Ry
35.3 mm
Rz
90 mm
I C
17,800 N
Load direction I: compressive load
I C0
8,900 N
Load direction I: compressive load
II C
17,800 N
Load direction II: tensile load
II C0
8,900 N
Load direction II: tensile load
III C
28,400 N
Load direction III: lateral load
III C0
15,500 N
Load direction III: lateral load
M0x per
180 Nm
Max. permissible static moment per Carriage 1
M0y per
2,750 Nm
Max. permissible static moment per Carriage 1
M0z per
1,700 Nm
Max. permissible static moment per Carriage 1
Iy
386 cm4
Geometrical moments of inertia of Support Rail 2
Iz
301 cm4
Geometrical moments of inertia of Support Rail 2

附加資訊
73.5 Nm
Max. permissible drive torque
4 x LFR5301-10-2Z
Track Rollers
0.1 mm
Repeat Accurancy ±
270 mm
Feed (mm/rotation)
32AT10
Toothed Belt
0.2 kg/m
Mass of Toothed Belt
1,750 N
Permissible Toothed Belt operating force
12.6 kg*cm2
質量慣性矩 of Gears

溫度範圍
Tmin
0 °C
Minimum operating Temperatur
Tmax
80 °C
Maximum operating Temperatur

您目前的產品型號
Size code52
Length of carriage500500 mm
Carriage designEStrengthened carriage
Drive type(3)ZRToothed belt drive
Additional carriageWN2Second, non-driven carriage
Support rail design/One-piece
Bellow/No
加入詢價