PRODUCTS
- 首頁
- 產品介紹
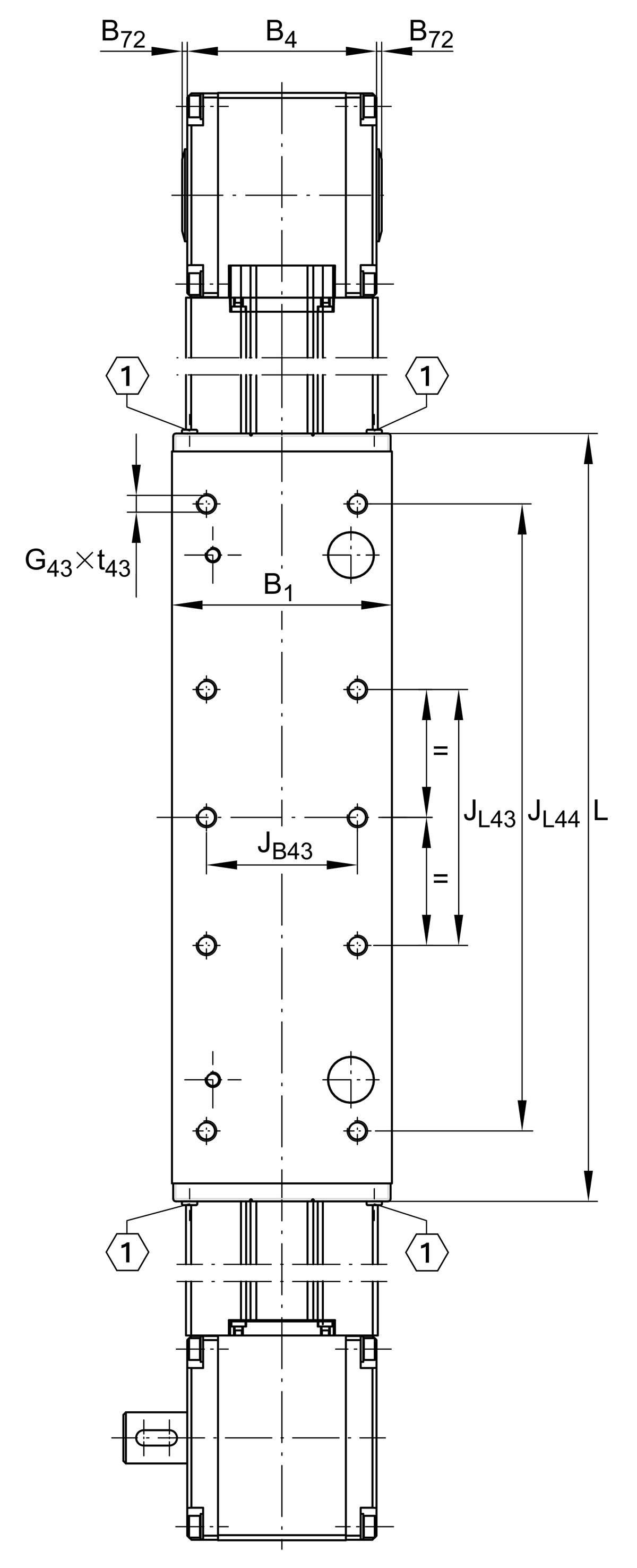
| B1 | 145 mm | Total Width |
| H | 125 mm | 高度 |
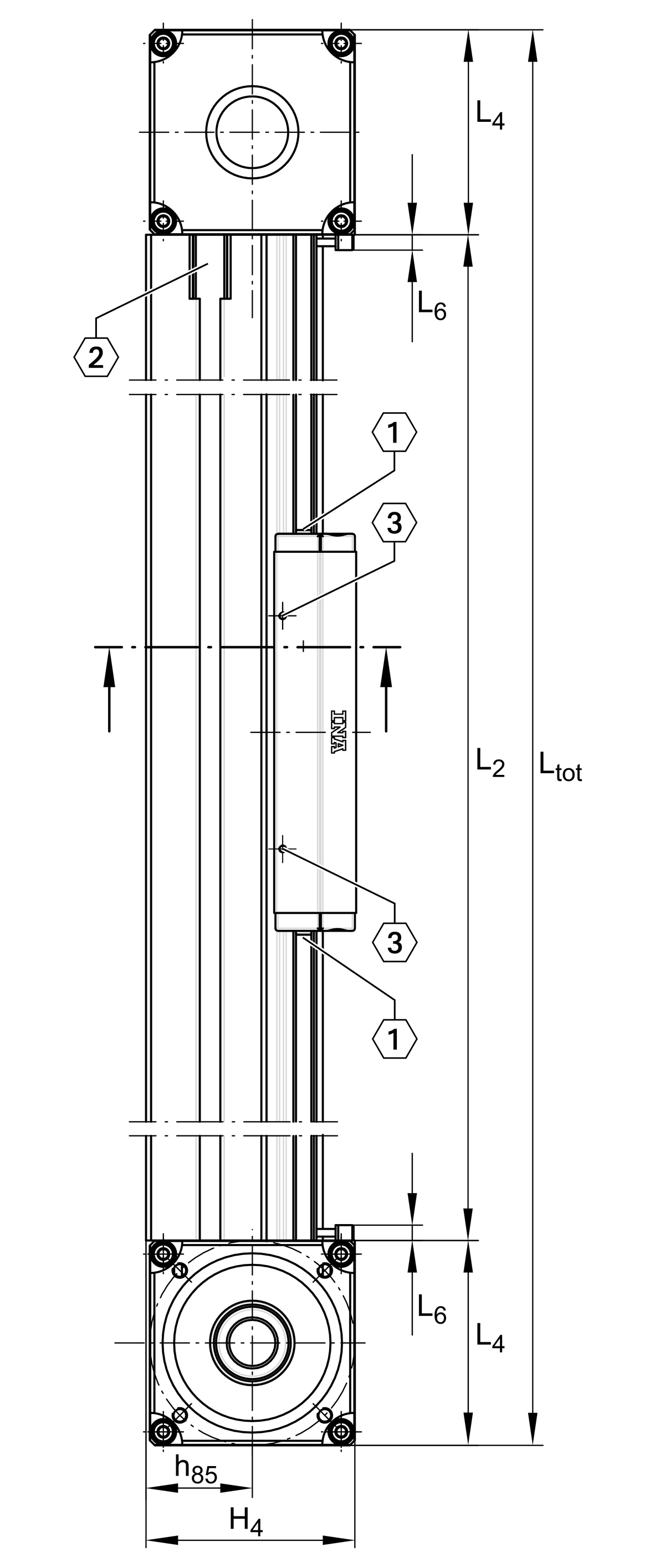
| L | 500 mm | 長度 |
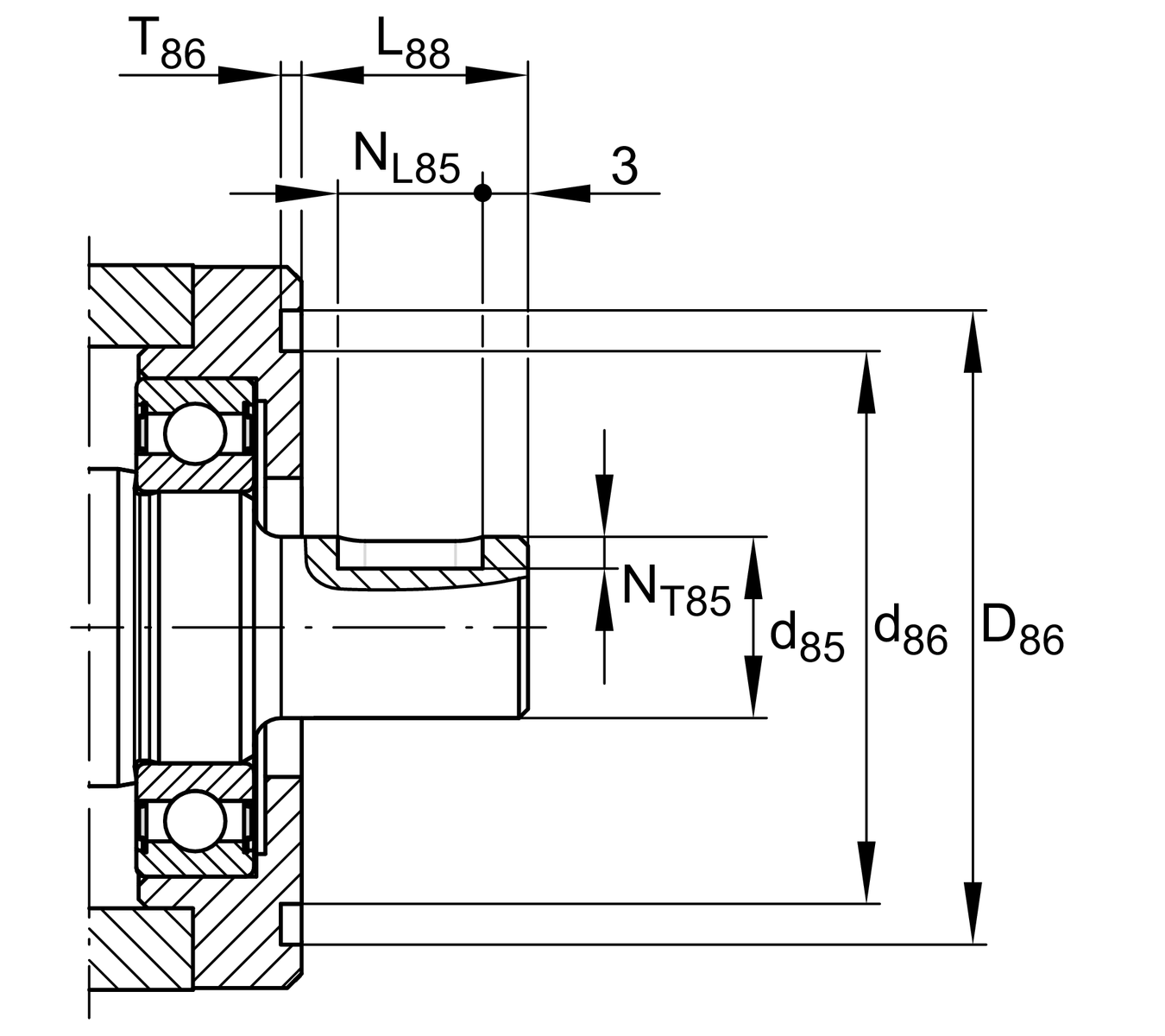
| D86 | 95 mm | |
| D87 | 115 mm | ø Bolt circle |
| d85 | 20 mm | |
| d86 | 76 mm | ø Inner Fit |
| L88 | 31 mm | |
| G43 | M10 | 線 |
| G87 | M8 | 線 |
| h85 | 60.6 mm | |
| JB43 | 105 mm | |
| JL43 | 160 mm | Tolerance ±0,2 |
| JL44 | 415 mm | |
| jB8 | 80 mm | |
| NB85 | 6 mm | Width of Keyway |
| NL85 | 25 mm | Length of Keyway |
| NT85 | 3.5 mm | Depth of Keyway |
| T86 | 4 mm | Depth Fit |
| Tol T86 up | 0.5 mm | 公差上限 |
| Tol T86 low | 0 mm | 較低的公差 |
| t43 max | 24 mm | Depth of Thread |
| t87 max | 15 mm |
| B2 | 112 mm | Width of Support Rail |
| B4 | 111 mm | Width of Return Unit |
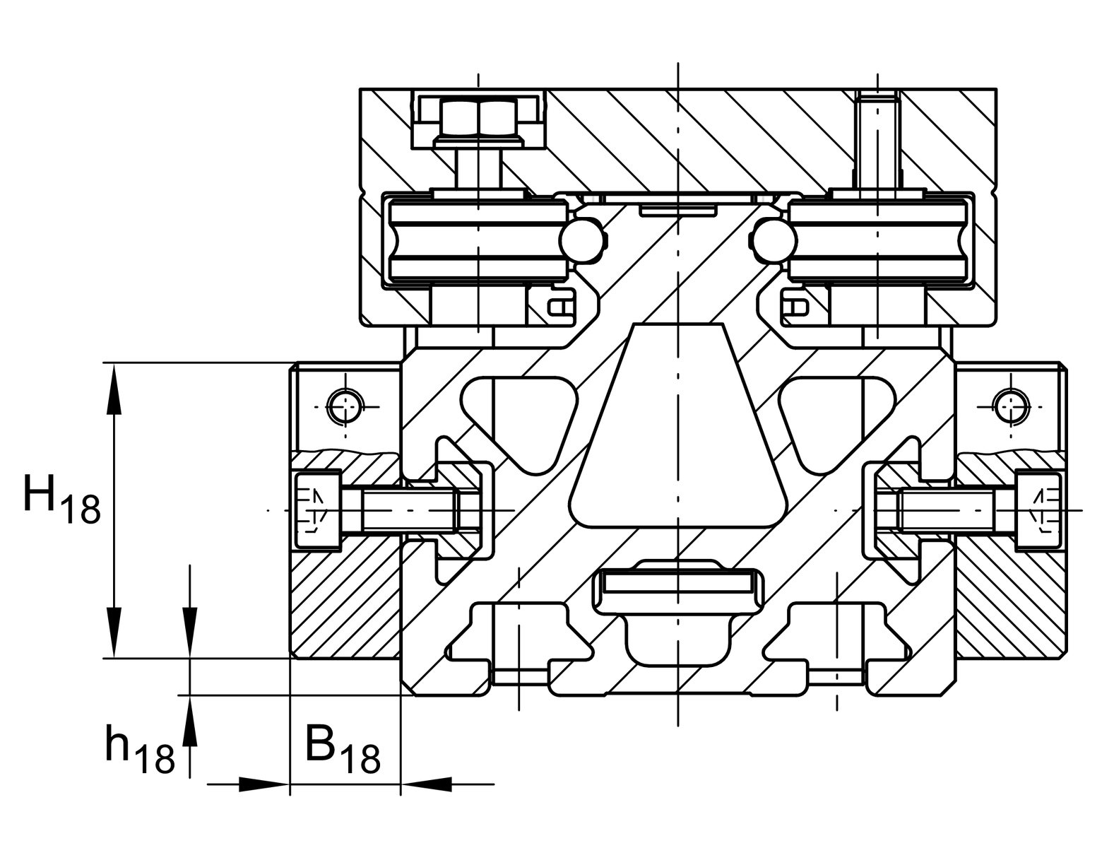
| B18 | 15 mm | |
| B72 | 2 mm | |
| H1 | 53.8 mm | |
| H2 | 98.6 mm | 高度 |
| H4 | 118.3 mm | Height of Return Unit |
| H7 | 65.4 mm | |
| H18 | 45 mm | |
| h13 | 25 mm | |
| h14 | 50 mm | |
| h18 | 15 mm | |
| L2 max | 24,000 mm | Maximum length of Support Rail |
| L4 | 115.5 mm | |
| L18 | 400 mm | |
| LTn min | 500 mm | Support Rail in Segments length min |
| LTn max | 8,000 mm | Support Rail in Segments length max |
| FBL | 1.37 | Effective length factor of bellow |
| S | 85 mm | dimension |
| mLAW | 6.67 kg | Mass of Carriage |
| m1 | 3.68 kg | Mass of Connecting Plates of Profiles |
| vmax | 8 m/s | Maximum Speed |
| amax | 40 m/s2 | Maximum Acceleration |
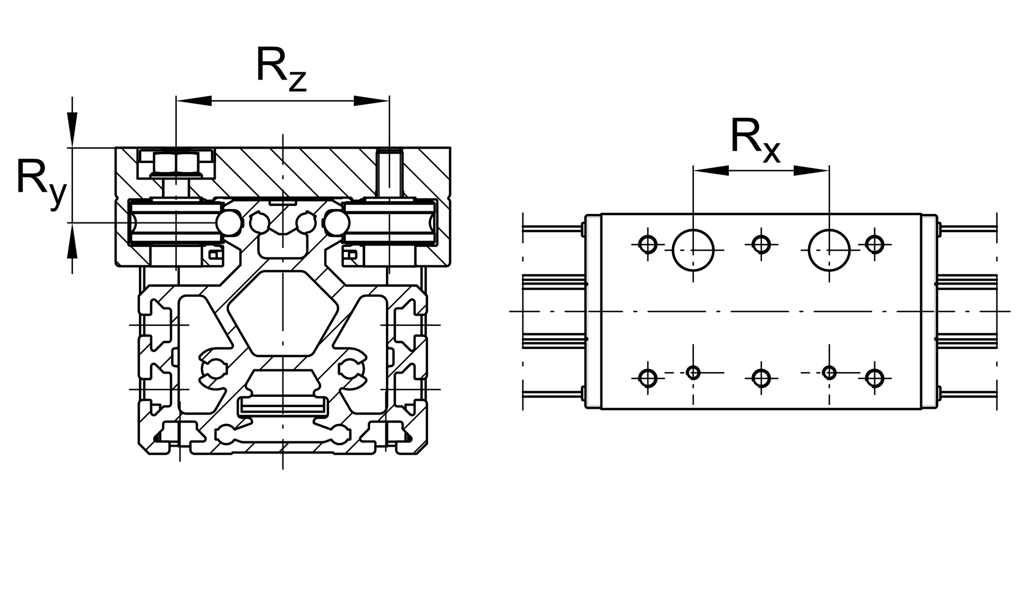
| Rx | 360 mm | |
| Ry | 35.3 mm | |
| Rz | 90 mm | |
| I C | 17,800 N | Load direction I: compressive load |
| I C0 | 8,900 N | Load direction I: compressive load |
| II C | 17,800 N | Load direction II: tensile load |
| II C0 | 8,900 N | Load direction II: tensile load |
| III C | 28,400 N | Load direction III: lateral load |
| III C0 | 15,500 N | Load direction III: lateral load |
| M0x per | 180 Nm | Max. permissible static moment per Carriage 1 |
| M0y per | 2,750 Nm | Max. permissible static moment per Carriage 1 |
| M0z per | 1,700 Nm | Max. permissible static moment per Carriage 1 |
| Iy | 386 cm4 | Geometrical moments of inertia of Support Rail 2 |
| Iz | 301 cm4 | Geometrical moments of inertia of Support Rail 2 |
73.5 Nm | Max. permissible drive torque | |
4 x LFR5301-10-2Z | Track Rollers | |
0.1 mm | Repeat Accurancy ± | |
270 mm | Feed (mm/rotation) | |
32AT10 | Toothed Belt | |
0.2 kg/m | Mass of Toothed Belt | |
1,750 N | Permissible Toothed Belt operating force | |
12.6 kg*cm2 | 質量慣性矩 of Gears |
| Tmin | 0 °C | Minimum operating Temperatur |
| Tmax | 80 °C | Maximum operating Temperatur |
| Size code | 52 | |
| Length of carriage | 500 | 500 mm |
| Carriage design | E | Strengthened carriage |
| Drive type | (3)ZR | Toothed belt drive |
| Additional carriage | / | No additional carriage |
| Support rail design | FA517.2 | Three-piece |
| Bellow | FBALG | Yes |