PRODUCTS
- 首頁
- 產品介紹
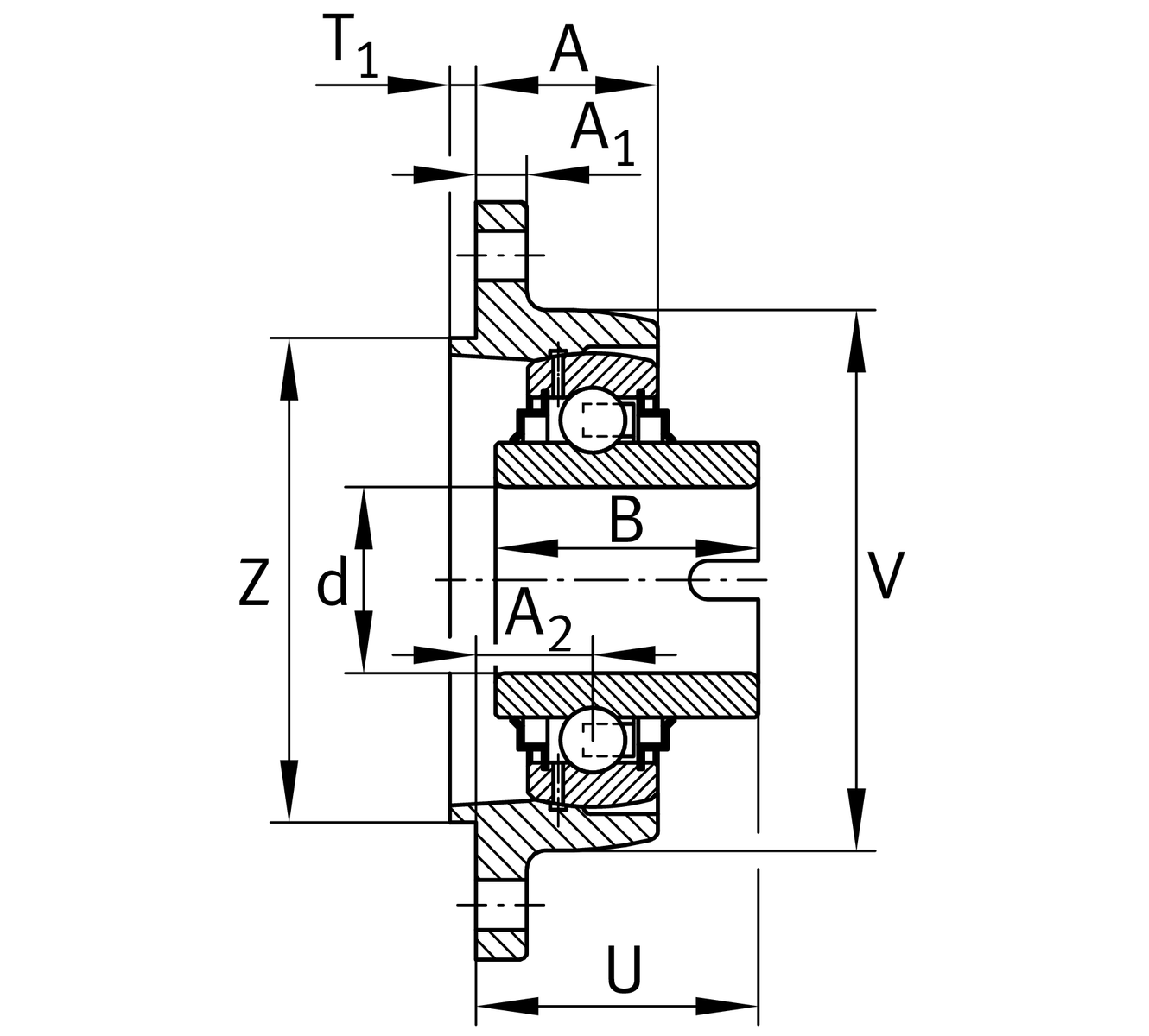
| d | 40 mm | 內徑 |
| L | 105 mm | 法蘭寬度 |
| H | 172 mm | Height flange |
| U | 47 mm | 總高度單位 |
| Cr | 34,500 N | 基本額定動載荷,徑向 |
| C0r | 19,800 N | 基本額定靜態負荷,徑向 |
| ≈m | 1.56 kg | 重量 |
| J | 143.5 mm | 固定內孔距離 |
| N | 14 mm | 固定內徑 |
| T1 | 4 mm | Height spigot |
| Z | 100 mm | Diameter spigot |
h8 | Diameter spigot clearance |
| A | 32.5 mm | 外殼高度 |
| A1 | 13 mm | 厚度 of flange |
| A2 | 20 mm | 滾道距離 |
| B | 42.9 mm | 寬度 |
| V | 105 mm | Shoulder diameter 軸承座 |
| Q | M6 | 用於潤滑的連接螺紋 |
GEHCJTZ08-GG | 軸承座 | |
GLE40-XL-KRR-B | 軸承型號 |
| Tmin | -40 °C | 最低工作溫度 |
| Tmax | 180 °C | 最高操作溫度 |
| Material | GG | 灰鑄鐵 |