PRODUCTS
- 首頁
- 產品介紹
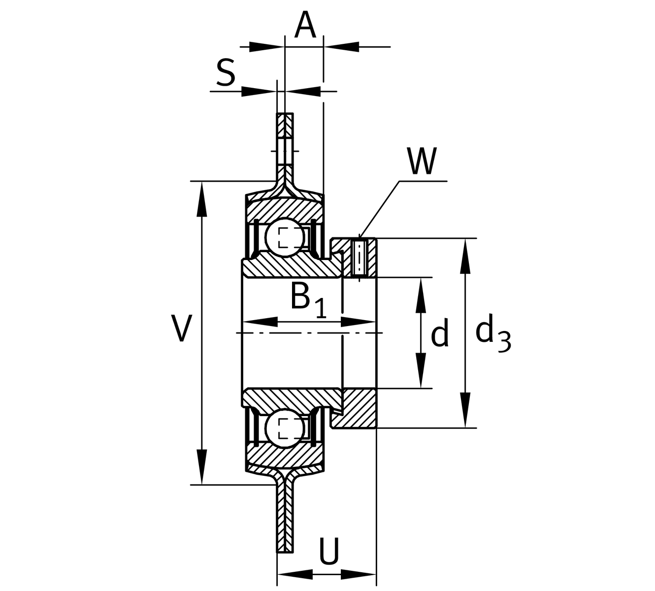
| d | 40 mm | 內徑 |
| H | 147.5 mm | Height flange |
| H | 147.5 mm | 法蘭寬度 |
| U | 36.2 mm | 總高度單位 |
| B1 | 43.8 mm | 鎖環總寬度 |
| Cur | 1,030 N | 疲勞負載極限,徑向 |
| Cr | 34,500 N | 基本額定動載荷,徑向 |
| C0r | 19,800 N | 基本額定靜態負荷,徑向 |
| C0r G | 7,700 N | Load carrying capacity (軸承座) |
| ≈m | 1.32 kg | 重量 |
| J | 119 mm | Pitch circle diameter (holes) |
| N | 13.5 mm | Fixing square |
| n | 4 | 螺絲孔數 |
| A | 10.3 mm | 外殼高度 |
| S | 3.5 mm | 厚度 of flange |
| V | 90 mm | Shoulder diameter 軸承座 |
| d3 | 58 mm | 鎖緊環/鎖緊螺帽外徑 |
2 | 外殼數量 | |
FLAN80-MSB-FA125 | 軸承座 | |
EXZ | Fixing | |
RAE40-XL-NPP-B | 軸承型號 |
| Tmin | -20 °C | 最低工作溫度 |
| Tmax | 120 °C | 最高操作溫度 |
| Material | Stahlblech | Steel sheet |