PRODUCTS
- 首頁
- 產品介紹
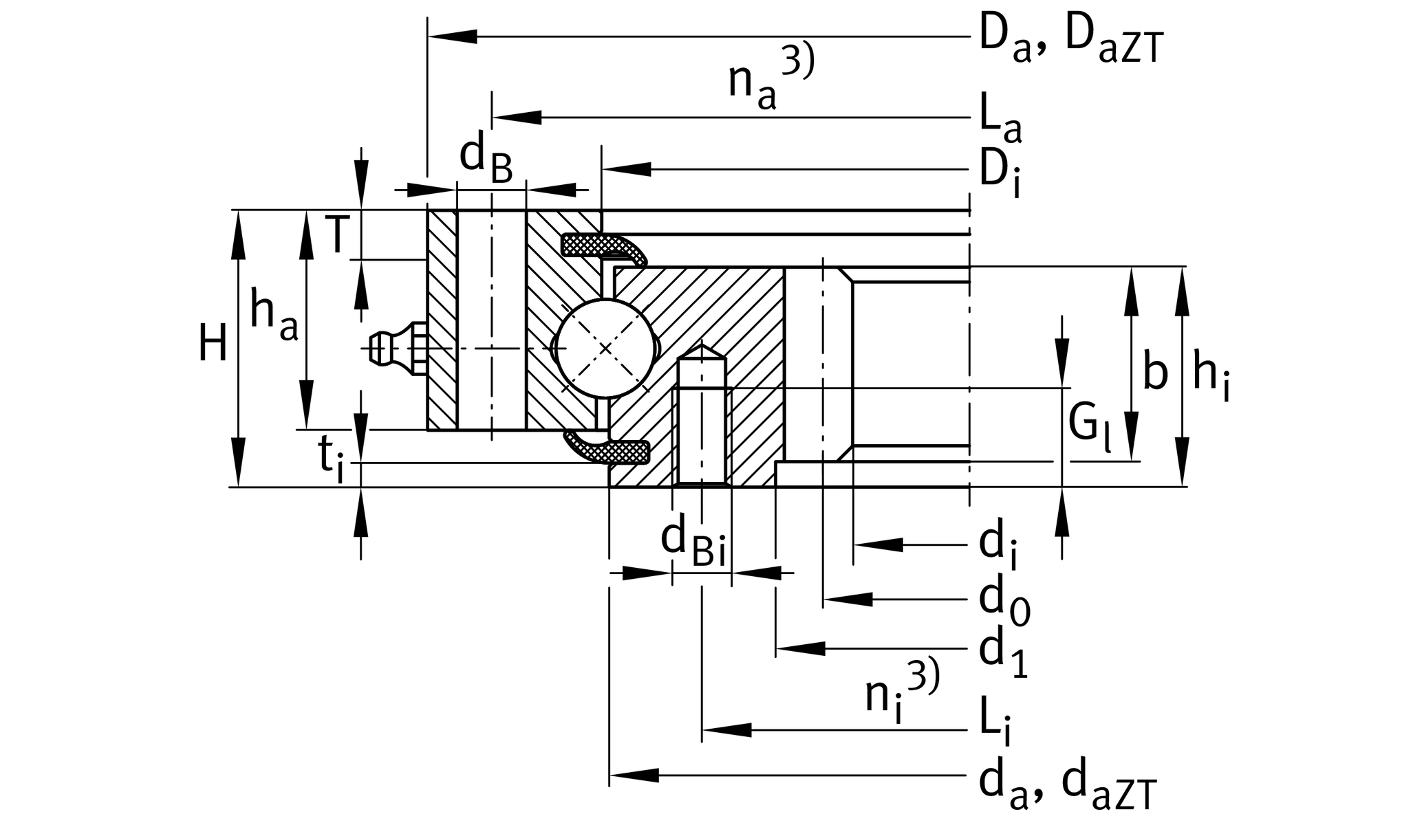
| d1 | 984 mm | 內徑 |
| daZT | 1,091 mm | Diameter centring inner ring |
-IT8 | Diameter centring inner ring tolerance | |
| T | 4.5 mm | Length centering inner ring |
| H | 56 mm | 高度 |
| Da | 1,166 mm | 外徑 |
-0.7 mm | 外徑公差下限 | |
0 mm | 外徑,公差上限 | |
| Da ZT | 1,164 mm | Diameter centring outer ring |
-IT8 | Diameter centring outer ring tolerance | |
| T | 10 mm | Length centering outer ring |
| ha | 44.5 mm | Width outer ring |
| hi | 44.5 mm | 內圈寬度 |
| ≈m | 91 kg | 重量 |
| Di | 1,095.5 mm | 外圈內徑 |
0.7 mm | 外圈內徑 公差上限 | |
0 mm | 外圈內徑 較低的公差 | |
| La | 1,140 mm | 外圈螺距圓固定孔直徑 |
| na | 48 | 外圈固定孔數 |
| dB | 14 mm | 固定內徑 |
| da | 1,092.5 mm | 內圈外徑 |
0 mm | 內圈外徑 公差上限 | |
-0.7 mm | 內圈外徑 較低的公差 | |
| Li | 1,055 mm | 內圈螺距圓直徑固定孔 |
| dBi | M12 | Tread 固定內徑 |
| Gl | 20 mm | Thread depth fixing hole |
| ni | 48 | 內圈固定孔數 |
| Fr zul | 203,000 N | Max. radial load fixing screws (friction locking) |
| m | 8 mm | Modul of gearing |
| z | 125 | Number of teeth |
| d0 | 1,000 mm | Pitch circle diameter gearing |
| Fz norm | 31,400 N | Max. tooth force root fatigue strenght (at a shock factor of 1,2) |
| Fz max | 46,700 N | Max. tooth force against tooth fracture (at a shock factor of 1,35) |
| Tmin | -25 °C | 最低工作溫度 |
| Tmax | 80 °C | 最高操作溫度 |
| Ca | 198,000 N | 基本額定動載荷,軸向 |
| C0a | 1,770,000 N | 基本額定靜態載荷,軸向 |
| Cr | 179,000 N | 基本額定動載荷,徑向 |
| C0r | 810,000 N | 基本額定靜態負荷,徑向 |
| Centering | ZT | Centering on inner and outer ring |
| Gearing | N | Normalized gear teeth on bearing ring |
| Radial internal clearance | RL2 | 徑向間隙 0,1 to 0,3; axial tilting clearance 0,17 to 0,53 |