PRODUCTS
- 首頁
- 產品介紹
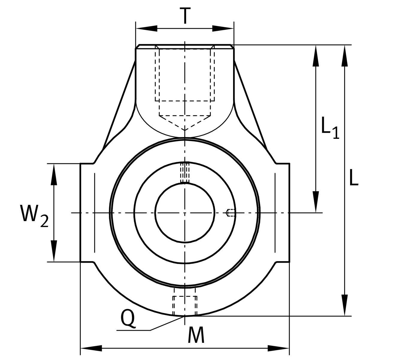
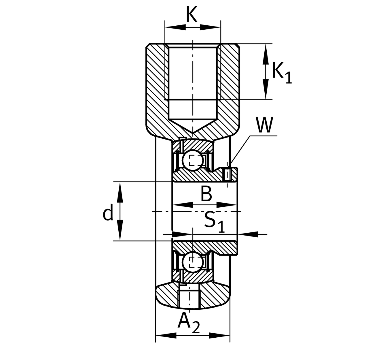
| d | 40 mm | 內徑 |
| L | 135 mm | Length total |
| M | 100 mm | 軸承座 total width |
| A2 | 36 mm | Width 軸承座 |
| ≈m | 1.5 kg | 重量 |
| K | M24 | Thread 固定內徑 |
| K1 | 24 mm | Thread depth |
| L1 | 85 mm | Distance shaft axis |
| T | 40 mm | 外殼高度 fixing side |
| W2 | 45 mm | Length of guidance face |
| Q | M6 | 用於潤滑的連接螺紋 |
HE08 | 軸承座 | |
GAY40-XL-NPP-B | 軸承型號 |
| Tmin | -20 °C | 最低工作溫度 |
| Tmax | 120 °C | 最高操作溫度 |
| Material | GG | 灰鑄鐵 |