PRODUCTS
- 首頁
- 產品介紹
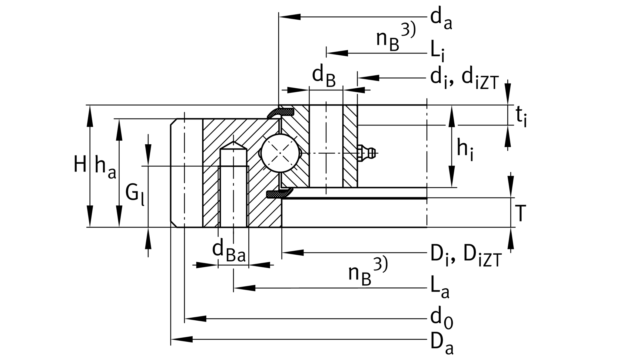
| di | 955 mm | 內徑 |
| H | 80 mm | 高度 |
| Da | 1,198 mm | 外徑 |
| ha | 71 mm | Width outer ring |
| hi | 54 mm | 內圈高度 |
0.03 mm | Normal 徑向間隙 min. | |
0.13 mm | Normal 徑向間隙 max. | |
0.05 mm | Normal axial clearance min. | |
0.24 mm | Normal axial clearance max. | |
| ≈m | 175 kg | 重量 |
| Di | 1,053 mm | 外圈內徑 |
| da | 1,057 mm | 內圈外徑 |
| ni | 30 | 內圈固定孔數 |
| Li | 995 mm | 內圈螺距圓直徑固定孔 |
| dB | 22 mm | 固定內徑 |
| na | 30 | 外圈固定孔數 |
| La | 1,116 mm | 外圈螺距圓固定孔直徑 |
| dBa | M20 | Tread 固定內徑 |
| Gl | 40 mm | Thread depth fixing hole |
| Fr zul | 363,000 N | Max. radial load fixing screws (friction locking) |
| d0 | 1,180 mm | Pitch circle diameter gearing |
| m | 10 mm | Modul of gearing |
| z | 118 | Number of teeth |
| Fz norm | 61,200 N | Max. tooth force root fatigue strenght (at a shock factor of 1,2) |
| Fz max | 89,000 N | Max. tooth force against tooth fracture (at a shock factor of 1,35) |
| Tmin | -25 °C | 最低工作溫度 |
| Tmax | 80 °C | 最高操作溫度 |
| Ca | 385,000 N | 基本額定動載荷,軸向 |
| C0a | 3,750,000 N | 基本額定靜態載荷,軸向 |
| Cr | 350,000 N | 基本額定動載荷,徑向 |
| C0r | 1,720,000 N | 基本額定靜態負荷,徑向 |
| Gearing | N | Normalized gear teeth on bearing ring |