PRODUCTS
- 首頁
- 產品介紹
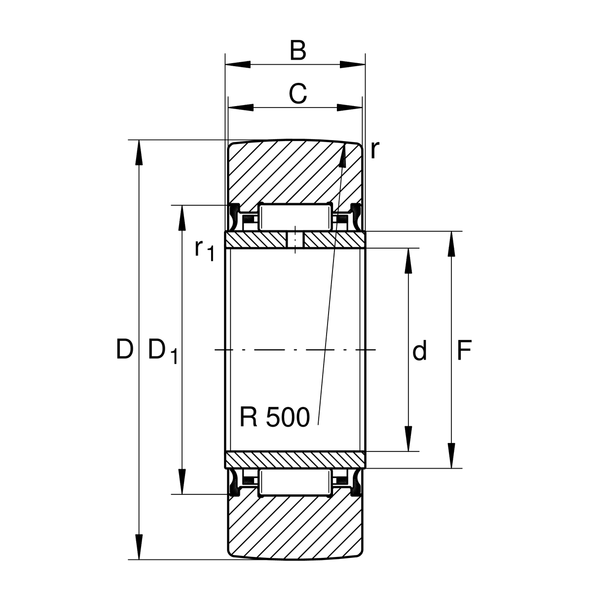
| D | 80 mm | 外徑 |
| F | 48 mm | 內圈滾道直徑 |
| C | 22.7 mm | 外圈寬度 |
| Cr w | 26,000 N | 基本額定動載荷,徑向 |
| C0r w | 41,500 N | 基本額定靜態負荷,徑向 |
| Cur w | 5,400 N | 疲勞負載極限,徑向 |
| nD G | 850 1/min | 永久脂潤滑速度 |
| ≈m | 0.486 kg | 重量 |
| d | 40 mm | 內徑 |
| B | 23 mm | Width of the bearing |
| D1 min | 57 mm | Minimum mounting dimension |
| rmin | 1.1 mm | 最小倒角尺寸 |
| r1 min | 0.6 mm | 最小倒角尺寸 |
| R | 500 mm | 外圈外輪廓半徑 |
| Sealing | 2RSR | 兩側唇形密封 |
| Outer Ring profile | R500 | R500 |
| Relubrication feature | IR | 透過內環 lubrication hole |