PRODUCTS
- 首頁
- 產品介紹
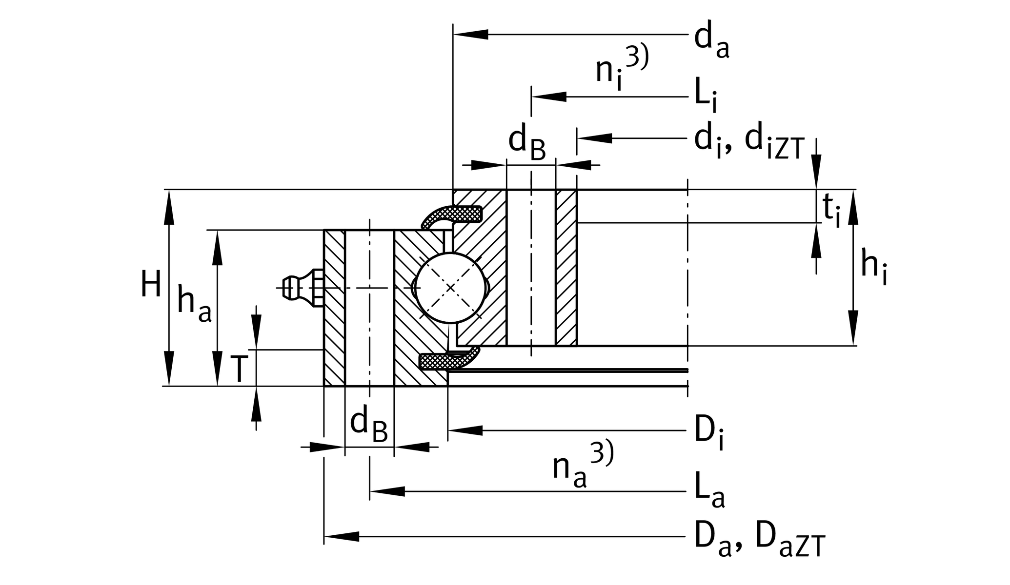
| di | 872 mm | 內徑 inner ring |
0 mm | 內徑 inner ring 較低的公差 | |
0.7 mm | 內徑 inner ring 公差上限 | |
| H | 56 mm | 高度 |
| Da | 1,016 mm | 外徑 |
-0.7 mm | 外徑公差下限 | |
0 mm | 外徑,公差上限 | |
| ha | 44.5 mm | Width outer ring |
| hi | 44.5 mm | 內圈寬度 |
| ≈m | 67 kg | 重量 |
| Di | 945.5 mm | 外圈內徑 |
0.7 mm | 外圈內徑 公差上限 | |
0 mm | 外圈內徑 較低的公差 | |
| da | 942.5 mm | 內圈外徑 |
0 mm | 內圈外徑 公差上限 | |
-0.7 mm | 內圈外徑 較低的公差 | |
| dB | 14 mm | 固定內徑 |
| La | 990 mm | 外圈螺距圓固定孔直徑 |
| na | 44 | 外圈固定孔數 |
| Li | 898 mm | 內圈螺距圓直徑固定孔 |
| ni | 44 | 內圈固定孔數 |
| Fr zul | 181,700 N | Max. radial load fixing screws (friction locking) |
| Tmin | -25 °C | 最低工作溫度 |
| Tmax | 80 °C | 最高操作溫度 |
| Ca | 188,000 N | 基本額定動載荷,軸向 |
| C0a | 1,520,000 N | 基本額定靜態載荷,軸向 |
| Cr | 170,000 N | 基本額定動載荷,徑向(僅適用於徑向載荷) |
| C0r | 700,000 N | 基本額定靜態負荷,徑向(僅適用於徑向負荷) |
| Radial internal clearance | Standard_SL | Standard 徑向間隙 0 to 0,3 and axial tilting clearance 0 to 0,53 |