PRODUCTS
- 首頁
- 產品介紹
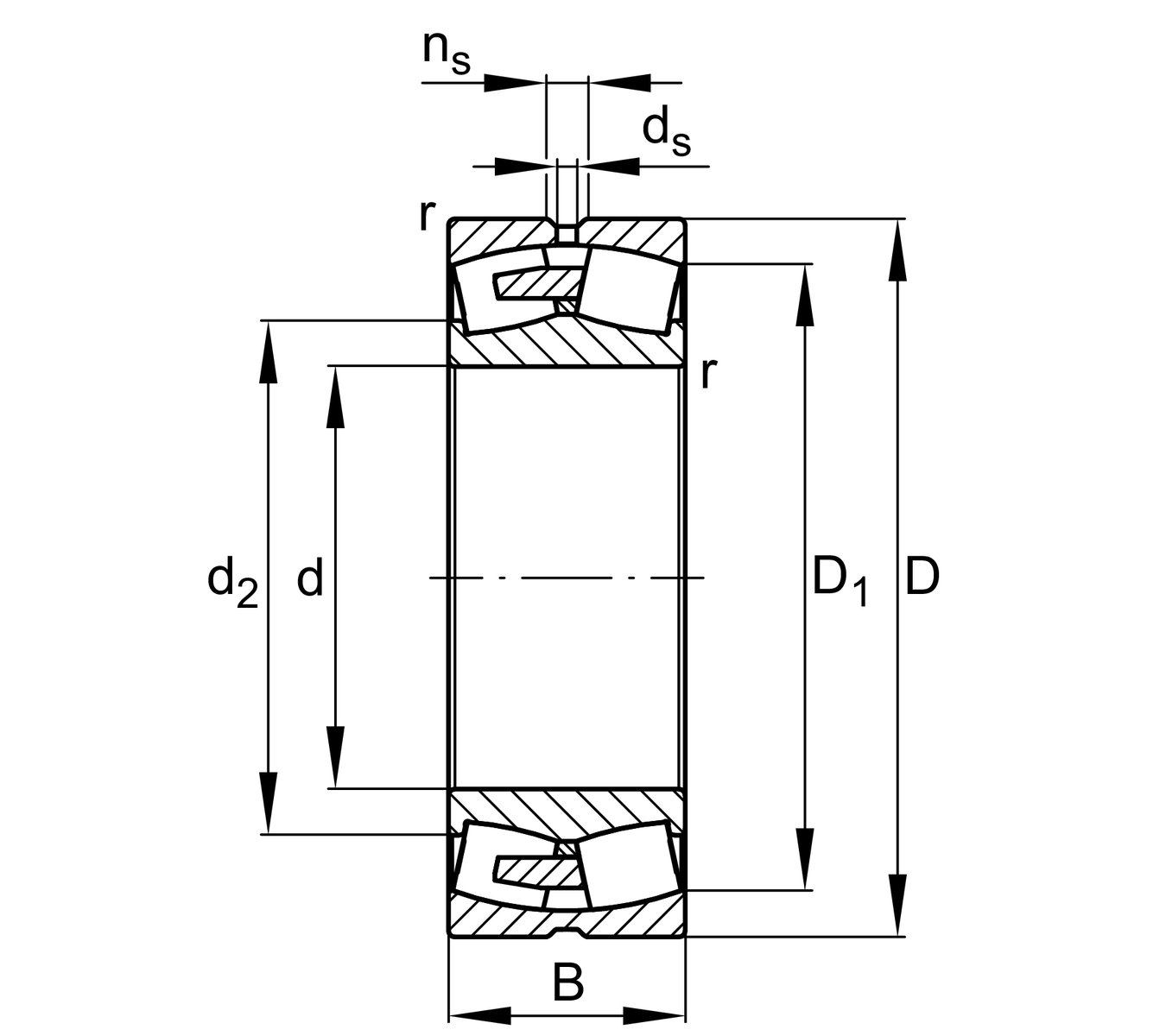
| d | 480 mm | 內徑 |
| D | 790 mm | 外徑 |
| B | 308 mm | 寬度 |
| Cr | 9,000,000 N | 基本額定動載荷,徑向 |
| C0r | 15,500,000 N | 基本額定靜態負荷,徑向 |
| Cur | 1,100,000 N | 疲勞負載極限,徑向 |
| nG | 640 1/min | 極限轉速 |
| nϑr | 227 1/min | 參考轉速 |
| ≈m | 587.5 kg | 重量 |
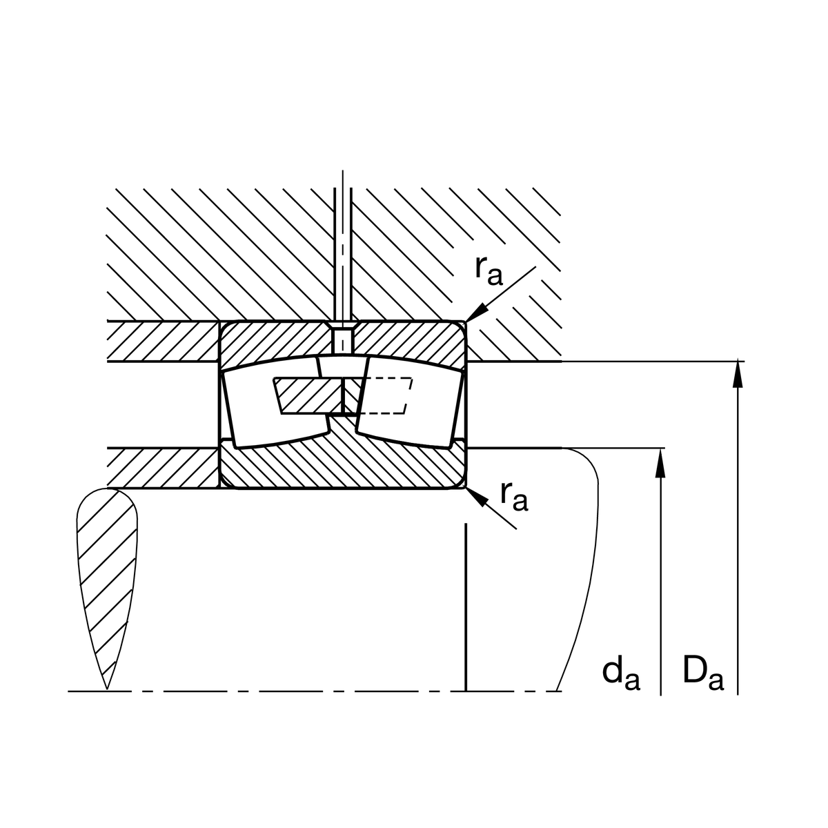
| da min | 512 mm | 軸肩最小直徑 |
| Da max | 758 mm | 殼肩最大直徑 |
| ra max | 6 mm | 最大凹槽半徑 |
| rmin | 7.5 mm | 最小倒角尺寸 |
| D1 | 673.1 mm | 外圈內徑 |
| ds | 12.5 mm | 潤滑孔直徑 |
| ns | 23.5 mm | 潤滑溝寬度 |
| Tmin | -30 °C | 最低工作溫度 |
| Tmax | 200 °C | 最高操作溫度 |
| e | 0.38 | Fa/Fr對於差分的適用性的限制值。 X 和 Y 參數 |
| Y1 | 1.79 | 動態軸向負載係數 |
| Y2 | 2.67 | 動態軸向負載係數 |
| Y0 | 1.75 | 靜態軸向負荷係數 |
| Design | BEA | 無中心唇環 |
| Bore type | Z | 圓柱 |
| Cage | MB1 | 黃銅實體保持架 |
| Radial internal clearance | C3 (Group 3) | 內部間隙大於CN |
| Relubrication feature | Standard |