PRODUCTS
- 首頁
- 產品介紹
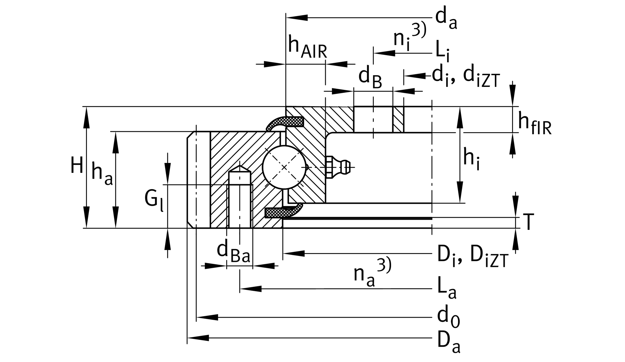
| di | 834 mm | 內徑 |
0.7 mm | 內徑公差上限 | |
0 mm | 內徑公差下限 | |
| hf IR | 12 mm | height of flange |
| H | 56 mm | 高度 |
| Da | 1,046.1 mm | 外徑 |
| t | 12 mm | Length centering inner ring |
| ha | 44.5 mm | Width outer ring |
| hi | 44.5 mm | 內圈高度 |
| ≈m | 71.5 kg | 重量 |
| Di | 945.5 mm | 外圈內徑 |
0.7 mm | 外圈內徑 公差上限 | |
0 mm | 外圈內徑 較低的公差 | |
| da | 942.5 mm | 內圈外徑 |
0 mm | 內圈外徑 公差上限 | |
-0.7 mm | 內圈外徑 較低的公差 | |
| ni | 20 | 內圈固定孔數 |
| Li | 862 mm | 內圈螺距圓直徑固定孔 |
| dB | 18 mm | 固定內徑 |
| na | 20 | 外圈固定孔數 |
| La | 985 mm | 外圈螺距圓固定孔直徑 |
| dBa | M12 | Tread 固定內徑 |
| Gl | 20 mm | Thread depth fixing hole |
| hAIR | 20 mm | Ring cross section |
| Fr zul | 82,600 N | Max. radial load fixing screws (friction locking) |
| d0 | 1,032 mm | Pitch circle diameter gearing |
| m | 8 mm | Modul of gearing |
| z | 129 | Number of teeth |
| Fz norm | 28,300 N | Max. tooth force root fatigue strenght (at a shock factor of 1,2) |
| Fz max | 42,000 N | Max. tooth force against tooth fracture (at a shock factor of 1,35) |
| Tmin | -25 °C | 最低工作溫度 |
| Tmax | 80 °C | 最高操作溫度 |
| Ca | 188,000 N | 基本額定動載荷,軸向 |
| C0a | 670,000 N | 基本額定靜態載荷,軸向 |
| Cr | 170,000 N | 基本額定動載荷,徑向 |
| C0r | 250,000 N | 基本額定靜態負荷,徑向 |
| Gearing | N | Normalized gear teeth on bearing ring |
| Preload | VSP | Bearing with preload |