INA
GYE40-XL-KRR-B-AS2/V
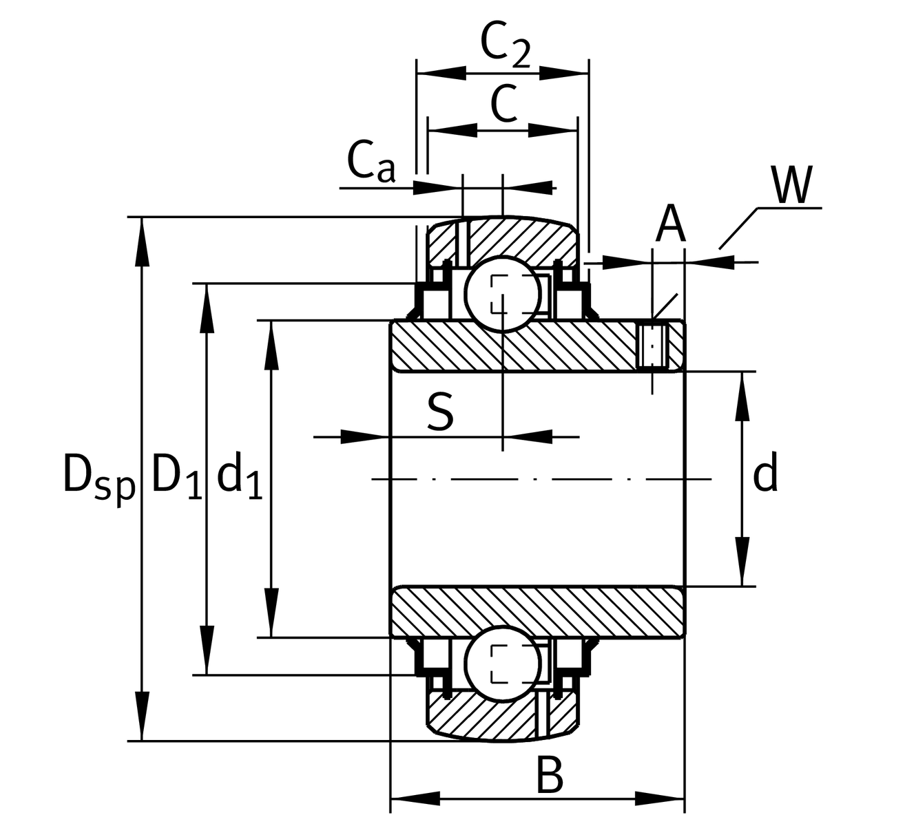
Radial insert ball bearing GYE40-XL-KRR-B-AS2/V
加入詢價
主要尺寸與性能資料
| d | 40 mm | 內徑 |
| DSP | 80 mm | 外徑 |
| B | 49.2 mm | 寬度 |
| ≈m | 0.589 kg | 重量 |
尺寸
| C | 21 mm | 外圈寬度 |
| C2 | 23.5 mm | 封口總寬度 |
| S | 19 mm | 滾道距離 |
| d1 | 52.3 mm | 內圈擋邊直徑 |
| Ca | 6.4 mm | 至潤滑孔距離 |
| W | 4 mm | 平面寬度 |
溫度範圍
| Tmin | -20 °C | 最低工作溫度 |
| Tmax | 100 °C | 最高操作溫度 |
您目前的產品型號
| Sealing | KRR | 兩側唇形密封 |
| Shape of outer surface | B | |
| Lubrication hole transposed | AS2/V | AS2/V |
加入詢價
Radial insert ball bearing GYE40-XL-KRR-B-AS2/V
已將您選擇的品項
加入詢價清單
非常感謝您!
選擇更多商品
瀏覽詢價清單