PRODUCTS
- 首頁
- 產品介紹
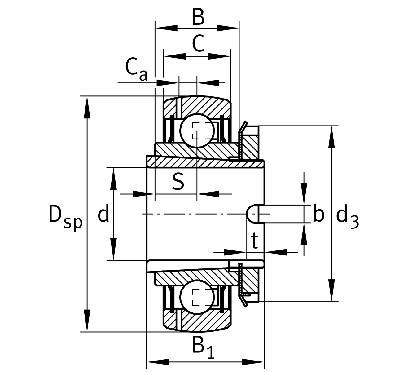
| d | 40 mm | 內徑 |
| DSP | 80 mm | 外徑 |
| B | 22 mm | 寬度 |
| Cur | 930 N | 疲勞負載極限,徑向 |
| B1 | 38 mm | 鎖環總寬度 |
| Cr | 29,500 N | 基本額定動載荷,徑向 |
| C0r | 19,800 N | 基本額定靜態負荷,徑向 |
| ≈m | 0.518 kg | 重量 |
| C | 21 mm | 外圈寬度 |
| S | 11 mm | 滾道距離 |
| Ca | 6.4 mm | 至潤滑孔距離 |
| b | 5 mm | 固定槽寬度 |
| t | 5 mm | 固定槽高度 緊定套 |
| d3 | 58 mm | 鎖緊環/鎖緊螺帽外徑 |
| f0 | 14.6 | 計算參數 |
HUESH.SH40-ZN-0100-HLA | 緊定套 |
| Sealing | 2RSR | 兩側唇形密封 (vulcanised) |
| Shape of outer surface | B |