PRODUCTS
- 首頁
- 產品介紹
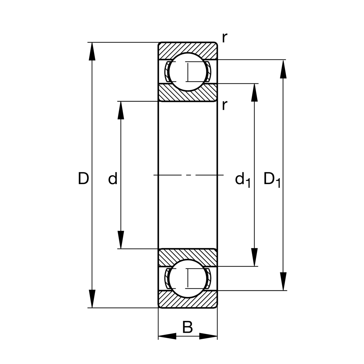
| d | 460 mm | 內徑 |
| D | 620 mm | 外徑 |
| B | 74 mm | 寬度 |
| Cr | 410,000 N | 基本額定動載荷,徑向 |
| C0r | 730,000 N | 基本額定靜態負荷,徑向 |
| Cur | 18,600 N | 疲勞負載極限,徑向 |
| nG | 1,710 1/min | 極限轉速 |
| nϑr | 1,180 1/min | 參考轉速 |
| ≈m | 64 kg | 重量 |
| da min | 474.6 mm | 軸肩最小直徑 |
| Da max | 605.4 mm | 殼肩最大直徑 |
| ra max | 3 mm | 最大圓角半徑 |
| rmin | 4 mm | 最小倒角尺寸 |
| D1 | 570.4 mm | 外圈肩徑 |
| d1 | 512.35 mm | 內圈肩徑 |
| Tmin | -30 °C | 最低工作溫度 |
| Tmax | 200 °C | 最高操作溫度 |
| f0 | 16.4 | 計算參數 |
| Sealing | 沒有 | 未密封 |
| Design, bearing outer ring | N1 | one retaining groove in the outer ring |
| Cage | MA | 黃銅實體保持架,外圈引導 |
| Tolerance class | PN | 正常(PN) |
| Dimensional / heat stabilization | S1 | 環尺寸穩定達 200° |
| Lubricant | 沒有 | 軸承未潤滑 |
| Bore type | Z | 圓柱 |
| Radial internal clearance | C3 (Group 3) | 內部間隙大於CN |