PRODUCTS
- 首頁
- 產品介紹
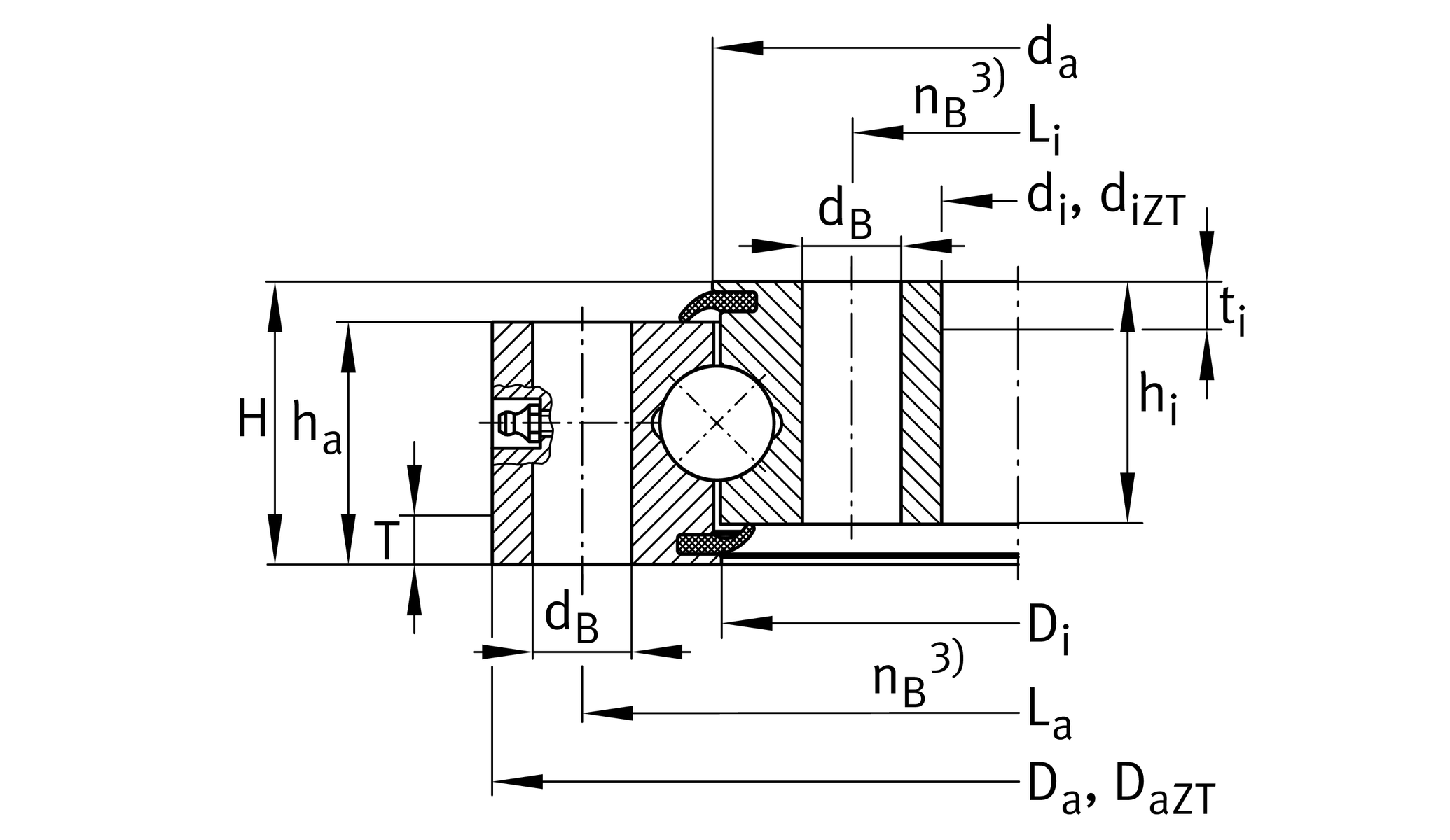
| di | 655 mm | 內徑 inner ring |
| H | 63 mm | 高度 |
| Da | 855 mm | 外徑 |
| ha | 54 mm | Width outer ring |
| hi | 54 mm | 內圈寬度 |
0.03 mm | Normal 徑向間隙 min. | |
0.13 mm | Normal 徑向間隙 max. | |
0.05 mm | Normal axial clearance min. | |
0.24 mm | Normal axial clearance max. | |
| ≈m | 90 kg | 重量 |
| Di | 753 mm | 外圈內徑 |
| da | 757 mm | 內圈外徑 |
| dB | 22 mm | 固定內徑 |
| La | 815 mm | 外圈螺距圓固定孔直徑 |
| na | 24 | 外圈固定孔數 |
| Li | 695 mm | 內圈螺距圓直徑固定孔 |
| ni | 24 | 內圈固定孔數 |
| Fr zul | 290,400 N | Max. radial load fixing screws (friction locking) |
| Tmin | -25 °C | 最低工作溫度 |
| Tmax | 80 °C | 最高操作溫度 |
| Ca | 340,000 N | 基本額定動載荷,軸向 |
| C0a | 2,700,000 N | 基本額定靜態載荷,軸向 |
| Cr | 305,000 N | 基本額定動載荷,徑向(僅適用於徑向載荷) |
| C0r | 1,230,000 N | 基本額定靜態負荷,徑向(僅適用於徑向負荷) |
| Coating | RR | Protected against corrosion by Corrotect special coating |