PRODUCTS
- 首頁
- 產品介紹
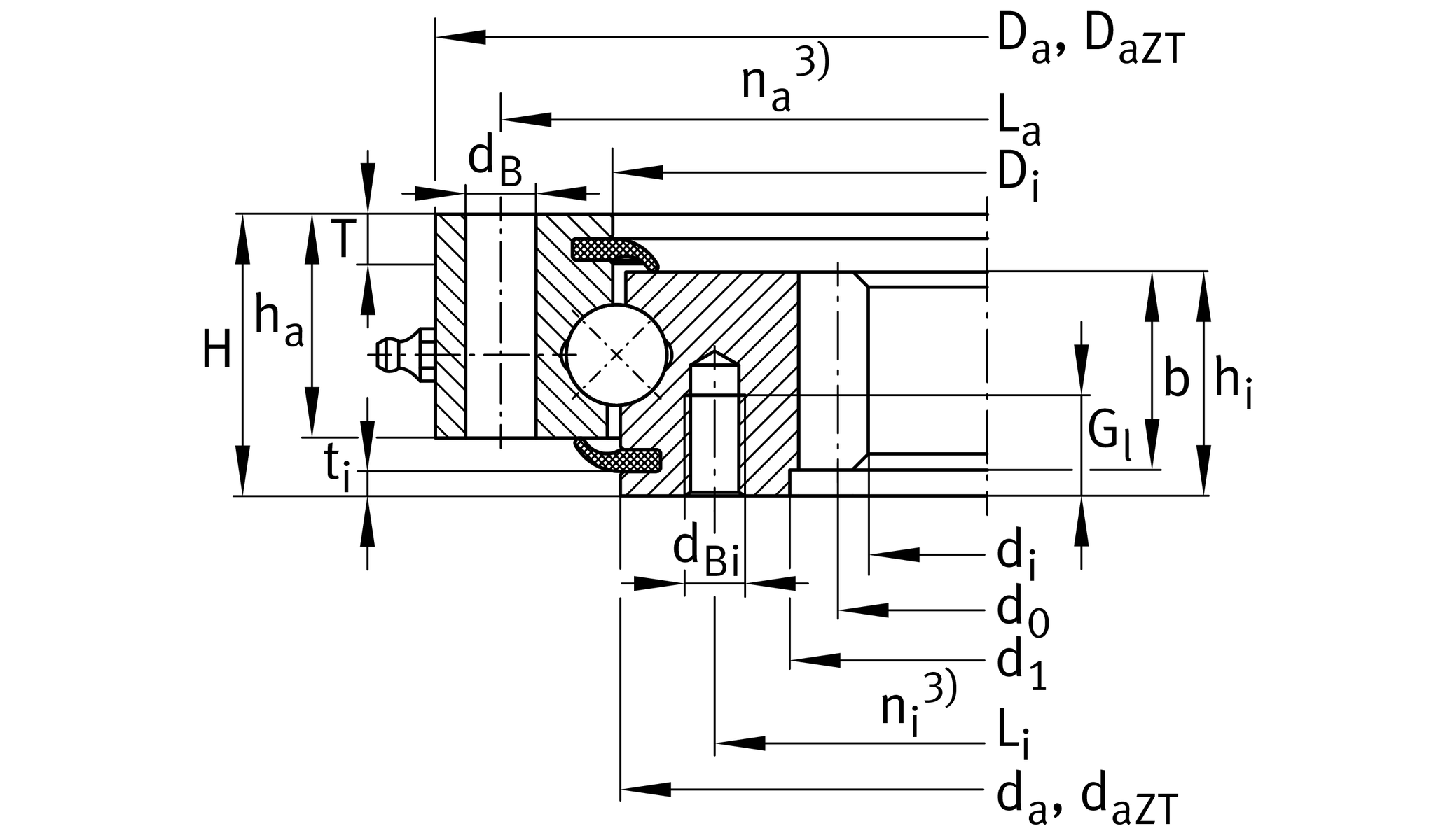
| d1 | 648 mm | 內徑 |
| T | 4.5 mm | Length centering inner ring |
| H | 56 mm | 高度 |
| Da | 816 mm | 外徑 |
-0.6 mm | 外徑公差下限 | |
0 mm | 外徑,公差上限 | |
| ha | 44.5 mm | Width outer ring |
| hi | 44.5 mm | 內圈寬度 |
| ≈m | 58.3 kg | 重量 |
| Di | 745.5 mm | 外圈內徑 |
0.6 mm | 外圈內徑 公差上限 | |
0 mm | 外圈內徑 較低的公差 | |
| La | 790 mm | 外圈螺距圓固定孔直徑 |
| na | 40 | 外圈固定孔數 |
| dB | 14 mm | 固定內徑 |
| da | 742.5 mm | 內圈外徑 |
0 mm | 內圈外徑 公差上限 | |
-0.6 mm | 內圈外徑 較低的公差 | |
| Li | 705 mm | 內圈螺距圓直徑固定孔 |
| dBi | M12 | Tread 固定內徑 |
| Gl | 20 mm | Thread depth fixing hole |
| ni | 40 | 內圈固定孔數 |
| Fr zul | 165,200 N | Max. radial load fixing screws (friction locking) |
| m | 6 mm | Modul of gearing |
| z | 110 | Number of teeth |
| d0 | 660 mm | Pitch circle diameter gearing |
| Fz norm | 23,700 N | Max. tooth force root fatigue strenght (at a shock factor of 1,2) |
| Fz max | 35,000 N | Max. tooth force against tooth fracture (at a shock factor of 1,35) |
| Tmin | -25 °C | 最低工作溫度 |
| Tmax | 80 °C | 最高操作溫度 |
| Ca | 171,000 N | 基本額定動載荷,軸向 |
| C0a | 1,200,000 N | 基本額定靜態載荷,軸向 |
| Cr | 155,000 N | 基本額定動載荷,徑向 |
| C0r | 550,000 N | 基本額定靜態負荷,徑向 |
| Gearing | N | Normalized gear teeth on bearing ring |
| Radial internal clearance | Standard_SL | Standard 徑向間隙 0 to 0,3 and axial tilting clearance 0 to 0,53 |