PRODUCTS
- 首頁
- 產品介紹
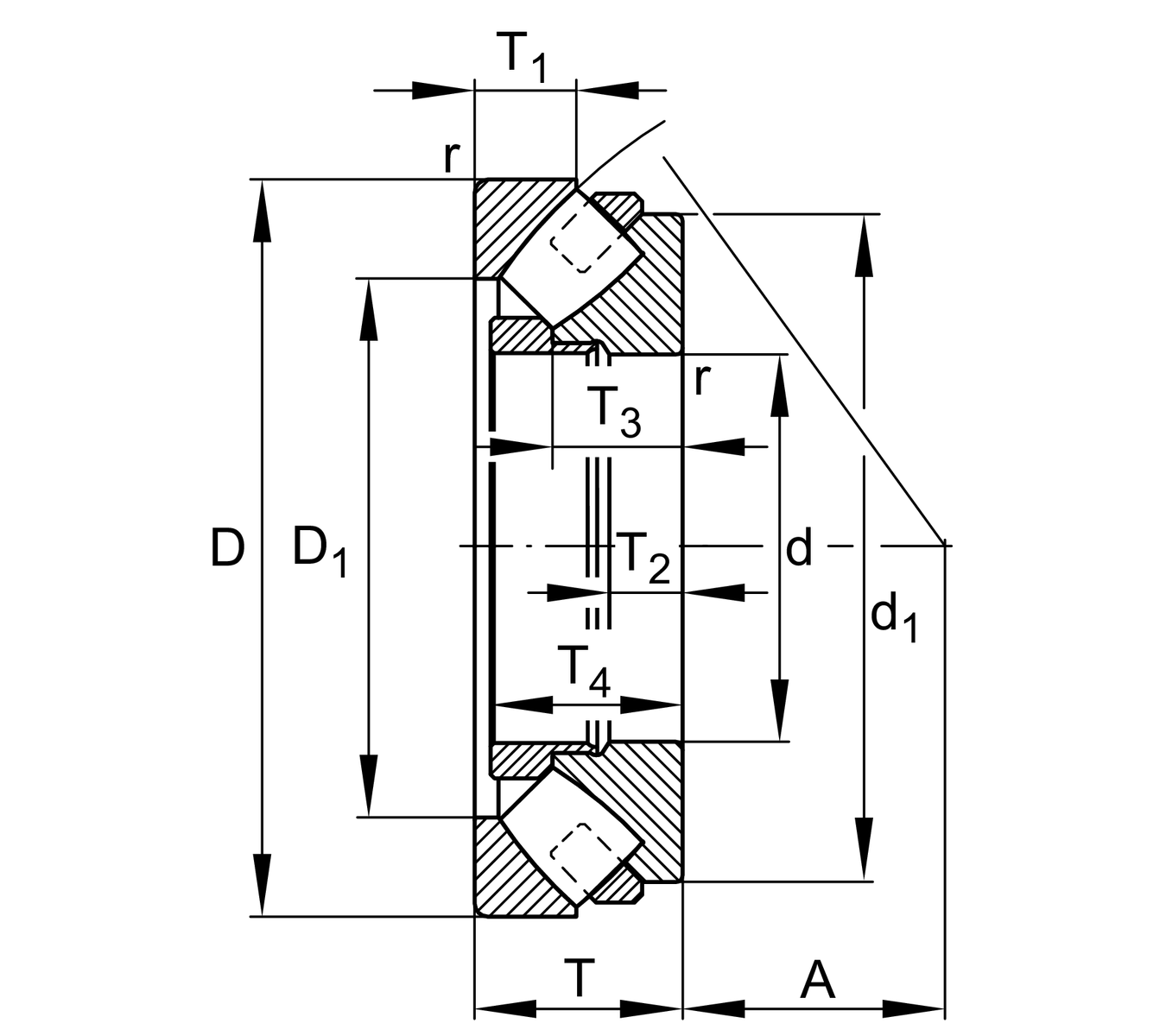
| d | 630 mm | 內徑 |
| D | 950 mm | 外徑 |
| T | 190 mm | Section height |
| Ca | 9,700,000 N | 基本額定動載荷,軸向 |
| C0a | 37,500,000 N | 基本額定靜態載荷,軸向 |
| Cua | 3,550,000 N | 疲勞負荷極限,軸向 |
| nG | 620 1/min | 極限轉速 |
| nϑr | 305 1/min | 參考轉速 |
| ≈m | 459 kg | 重量 |
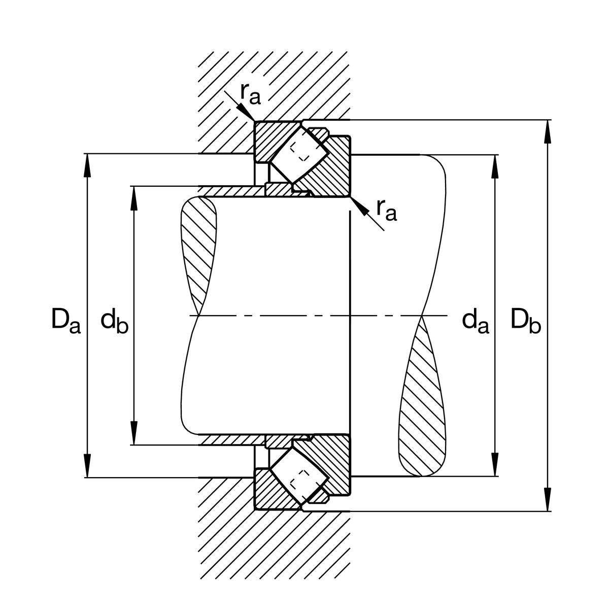
| da min | 785 mm | 軸肩最小直徑 |
| Da max | 856 mm | 殼肩最大直徑 |
| Db min | 970 mm | 外殼最小孔徑 |
| db max | 666 mm | 套筒最大距離 |
| ra max | 8 mm | 最大凹槽半徑 |
| D1 | 761 mm | 外殼墊圈孔徑 |
| d1 | 885.5 mm | 軸墊圈裂口直徑 |
| rmin | 9.5 mm | 最小倒角尺寸 |
| T1 | 92 mm | 外殼墊圈高度 |
| T2 | 68 mm | Height of shaft washer |
| T3 | 122 mm | 軸墊圈高度 |
| T4 | 183 mm | Height of shaft washer, inc. lip ring |
| A | 345 mm | 中心點距離 |
| Tmin | -30 °C | 最低工作溫度 |
| Tmax | 200 °C | 最高操作溫度 |
| Cage | MB | 黃銅實體保持架 |
| Heat treatment | Standard | |
| Constricted width and inclination variation | Standard |